Montando o ARARINHA

Diagrama de blocos

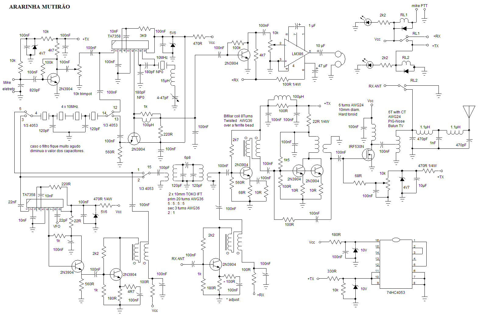
Esquema 1

Com VFO em separado

Esquema 2

Com VFO incorporado

Como fazer um MODULO

Bobinas e indutores

Modulo 1 Amplificador de audio (AF pré e AF)

Modulo 2 Amplificador de microfone (MIC)

Modulo 3 Modulador - demodulador - BFO - (TA7358) /Amplificador de RF de transmissão (b1)

Modulo 4 Chaveamento eletronico tx- rx (74HC4053)

Modulo 5 Filtro a cristal ladder

Modulo 6 Misturador - vfo - (TA7358) / Buffer (b2)

Modulo 7 Buffer (B3)

Modulo 8 Filtro passa faixa (BPF)

Modulo 9 Amplificador de RF de recepção (BFr)

Modulo 10 Rele (relays)

Modulo 11 Amplificador de RF de transmissão (BFt)

Modulo 12 Amplificador de RF driver de transmissão (DRV)

Modulo 13 Amplificador de RF de potencia (PA)

Modulo 14 Filtro passa baixas (LPF)

Montando os modulos Rx e Tx

Modulos adicionais

Modulo 15 Amplificador de RF para frequencimetro ou FLL

Modulo 16 Oscilador de RF para CW

Modulo 17 Retardador de rele para CW

Modulo 18 Amplificador para Smeter

Modulo 19 Smeter a LED

Modulo 20 Medidor de potencia relativa utilizando o Smeter em tx

Mudando de Faixa

Mutirão 2010 - Alterações