Modificações no Ararinha (mutirão 2010)

O ararinha pode ser montado em modulos como no link MONTAGEM EM MODULOS , onde poderá ter o VFO em separado ou não.

Ou montado em placas de circuito impresso fabricadas e vendidas pelo Gomes py2mg, neste caso o VFO só pode ser montado em separado pois são placas distintas.

A incorporação de CW, controle por FLL ou Huff Puff podera ser feita em ambas formas de montagem. O kit prove material para isso, prove tambem material para um amplificador de sinal caso o frequencimetro usado seja de pouca sensibilidade amplificador de rf para frequencimetro

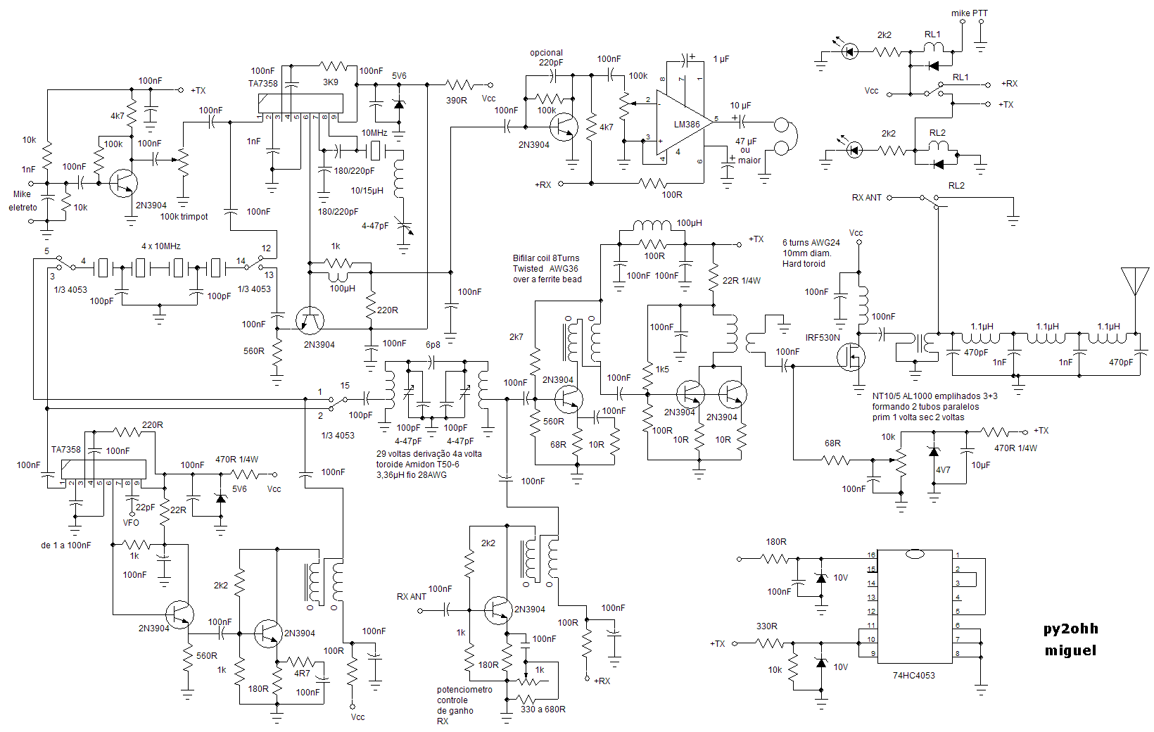
Esquema geral do ARARINHA basico (placa do Gomes) com as modificações (ou adaptações) realizadas

O controle de CAG foi suprimido pois interfiria diretamente no controle de volume, sendo necessario outro amplificador de audio.

Note a inclusão de um controle de Ganho do RX (potenciometro de 1k), que devera ser montado no painel e as conexões deverão ser feitas com fio blindado. Outra inclusão foi uma terceira bobina no LPF - filtro passa baixas para atenuar mais os harmonicos.

Devido não encontrarmos alguns componentes em quantidade no mercado, resolvemos pela substituição destes por outros.

1. Filtro passa faixa

Era assim com dois trafos Toko :

O circuito ficou assim :

Ou pode ser tambem assim :

Os transformadores de Fi Toko foram sustitruidos por um nucleo toroidal Amidon T50-6 Amarelo.

Consistindo em 29 voltas (3,36µH pelo calculador de toroides) de fio 28 (o mais fino enviado) com derivação na 4a volta.

No circuito com primario e secundario enrole assim 29 voltas primario e 4 voltas secundario.

Os dois tipos de Circuito apresentam a mesma performance, ou seja -3dB em 300kHz.

Ajustar para o maximo ganho em 7150kHz ou em 7100KHz se preferir.

Para uma banda mais estreita substitua o capacitor de 6p8 por um de 4p7

Para saber como enrolar um toroide clique AQUI.

A tradução não é das melhores (wind = enrolar = vento) mas dá para entender, o importante é deixar cerca de 30 graus sem enrolamento, entre inicio e fim.

Aqui aparecem os dois tipos de enrolamento, superior com derivação em baixo com primario e secundario (o secundario foi enrolado com fio24 para ilustrar como fazer).

Foto do circuito montado em modulo, neste caso usamos o toride enrolado das duas formas.

2. Bobina do VFO

O VFO do ararinha 4 era assim (placa do Gomes py2mg):

Depois de modificado ficou assim (placa do Gomes py2mg)

Substituimos os capacitores variaveis por um diodo varicap (MVAM109) incluimos a ligação para um controle estabilizador de frequencia, que pode ser com um FLL ou Huff Puff.

Outra modificação foi o uso do toroide Amidon T50-6 substituindo o transformador de FI Toko.

O toroide deve ser enrolado com 24 voltas de fio 24 AWG (o de diametro medio enviado) com 2,3µH e deverá ser fixado firmemente a placa para não causar "microfonia" isto poderá ser feito com cola quente ou com silicone.

Foto do Toroide enrolado :

No caso da montagem ser com VFO incorporado ao TA7358 (montagem por modulos), o esquema ficaria assim :

Esquema do ararinha com VFO incorporado que podera ser montado em modulos conforme instruções no link MONTAGEM EM MODULOS

3. Enrolamento das bobinas bifilares

Cortar / separar 2 fios do flat cable enviado, enrolar 5 a 6 voltas com ele, identifique os fios antes de enrolar.

Usar o arquivo como referencia como montar as bobinas

foto das bobinas bifilares enroladas com flat cable (5 voltas)

4. Enrolamento da bobina do driver

Cortar / separar 2 fios do flat cable enviado, enrolar 3 voltas e separar o restante dos fios enrolando apenas um com mais 3 voltas , identifique os fios antes de enrolar.

Usar o arquivo como referencia como montar as bobinas

foto da bobina do driver enrolada com flat cable (3 voltas de cabo duplo mais 3 de cabo simples)

 

5. Enrolamento da Bobina do LPF

Note que mudamos para 3 bobinas, para aumentar a atenuação em frequencias superiores, que deverão estar 90 graus uma da outra (ortogonais, uma em pé) para não sofrerem interação.

O fio utilizado deverá ser o mais grosso, fio 22AWG, como no link abaixo.

Usar o arquivo como referencia como montar as bobinas

 

6. Construção do novo focinho de porco

O antigo focinho de porco ou toroide com dois furos deixou de ser fabricado pela Sontag, que fechou as portas, o fabricante que continua fornecendo não fabrica este modelo (Thorton Inpec). Assim resolvemos fazer duas pilhas de 3 toroides e uni-los formando um novo "focinho de porco", os toroides escolhidos foram os que utilizamos nas bobinas bifilares.

A vantagem principal é o furo maior, comportando um fio de maior calibre para o primario ou um numero maior de voltas no total.

O toroide utilizado é o NT-10/5 da Thorton Inpec, com AL de 1000

Foram colados com cola instantanea

Convem reforçar a colagem com outro tipo de cola

O enrolamento primario é de uma volta.

O enrolamento secundario é de 2 voltas, mas convem experimentar 3 a 4 voltas, medindo a potencia de saida e deixar na melhor condição.

Veja na foto que o toroide arrancou rebarbas da capa do fio, esta é a razão principal de utilizarmos fios encapados.

Um fio do primario e um fio do secundario deverão ser soldados a terra, apesar de não ter problema qual deles soldar, os puritanos poderão inverter um lado e medir. Em alguns casos a melhora é consideravel.

7. Outras bobinas e informações LINK

 

Esquema do ARARINHA convencional (placa do Gomes com adaptação para CW

Esquema do ARARINHA para montagem em modulos com VFO incorporado e adição de CW

 

 

.