|
Questa
realizzazione non sarebbe stata possibile senza le idee, i
consigli e la realizzazione del software dell'amico
Salvatore IW2KGH.
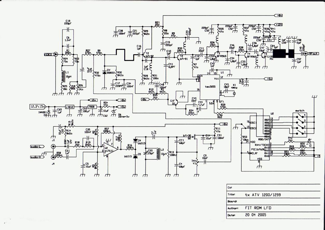
Come sapete il vecchio TX ATV di I2ROM Roberto utilizzato da
molti di noi appassionati dell’ATV utilizza un pll della
Motorola ( Mc 145151) che permette di impostare la frequenza
di trasmissione tramite un certo numero di piedini di
programmazione che vengono sollevati da massa come da
seguente tabella 1:
Per impostare, per esempio, la frequenza di trasmissione di
1240 MHz bisogna sollevare da massa i piedini: 15,16,18,19 e
25 ovvero seguendo la tabella:
8+16+64+128+1024=1240MHz.
Purtroppo questo sistema di impostazione della frequenza è
molto scomodo e macchinoso specie se si ha la necessità di
frequenti spostamenti di frequenza per effettuare delle
dirette o per impegnare dei ripetitori ATV con diverse
frequenze di ingresso. La brillante idea di Salvatore IW2KGH
è stata quella di utilizzare il segnale SDA e il segnale SCL
più un terzo segnale dal pin 16 della Pic 16F628 della
sintonia elettronica per pilotare una coppia di Shift
Register da seriale a parallelo, modello 74hc595, per
impostare la frequenza di funzionamento del Pll. Questa
semplice soluzione è molto economica e per niente invasiva
per il circuito del Tx e permette di impostare una frequenza
teorica del TX da 0,5Mhz a 1535 MHz con step minimi di 0,5
MHz !!!!
Questa realizzazione conferisce, sia al Tx sia alla vecchia
sintonia elettronica nuova giovinezza potendo comandare con
la sintonia elettronica sia il ricevitore sia il
trasmettitore, la possibilità di visualizzare la frequenza
di ricezione con somma o sottrazione dell’ OL per i
2,4-5-10GHz e la possibilità di trasmettere e ricevere in
isofrequenza o di trasmettere e ricevere su frequenze
diverse nella gamma dei 23cm e la possibilità di utilizzare
10 memorie comuni per il TX e per l’RX.RX.
Al circuito arrivano solo tre fili: SDA e SCL sono gli
stessi fili del I2CBUS che sono collegati anche al
ricevitore e un terzo filo che proviene dal pin 16 della pic
16F628 della sintonia elettronica.
Chi effettua l’upgrade dal vecchio programma della sintonia
con la pic 16F84 alla nuova può lasciare il condensatore e
la resistenza che si trovano collegati al pin 16 dello
zoccolo della Pic


L’alimentazione
di +5V viene fornita da un collegamento al piedino di uscita
dello stabilizzatore U4 (7805) presente Sulla scheda del TX.

Il prototipo
della schedina è stato realizzato su un ritaglio di
piastrina mille fori passo 2,5mm delle dimensioni di 25mm x
50mm con la tecnica del wire-wrapping. E’ stato montato uno
zoccolo da 28pin per il pll e al suo interno sono stati
montati i due shift register saldati senza zoccoli per
recuperare spazio in altezza. Lo zoccolo del pll deve essere
uno zoccolo con i piedini lunghi a cui vanno tagliati i pin
interessati alla programmazione (dal pin 11 al pin 20
compreso)
gli altri vanno lasciati integri.

Quindi la
modifica è molto semplice, si tratta di estrarre dal suo
zoccolo il pll del Tx, inserire la schedina, sullo zoccolo
del pll, effettuare i collegamenti dei due fili del I2CBUS (SCL
e SDA) dalla sintonia o dall’Rx, collegare il filo
proveniente dal pin 16 della Pic della sintonia ed
effettuare il collegamento del +5V allo stabilizzatore U4
del TX.

A questo punto
si può inserire il pll sullo zoccolo presente sulla schedina
e siete pronti per spaziare in TX sull’intera gamma dei 23cm
con uno step di 0,5MHz. Occhio al Band Plan dei 23cm
!!!!!!!!☺
Presto sarà disponibile un circuito stampato doppia faccia
per la realizzazione della scheda dello shift register ( TNX
Luigi I2BGB), contattatemi via e-mail se siete interessati
al c.s. e per qualsiasi altra ulteriore informazione.
’73 de Matteo ik2gsr
e-mail: [email protected]
|