|
|
Sincronismo Video ATV
 
| Progetti e Sperimentazione
Sincronismo di Video Audio |
|
Sincronismo di Video Audio
Prima sperimentazione
Sincronismo Video un sistema di poter commutare un relč in presenza di una
sorgete video, il segnale ad una sorgente di comunicazione di passaggio
video per la trasmissione ATV.
Sincronismo secondo tipo
|
 |
|
 |
Componenti Sincronismo
Questo progetto sulla prima foto giŕ montata č un semplice sincronismo
video, l'utilizzo per cambiare un punto di uscita da una telecamera
ho un monoscopio, lo scopo del sincronismo, ha il modo
di rilevare un segnale video un ricevitore Sat Analogico
ho altro modo, il funzionamento di questo sincronismo ed
derivato dal integrato
TDA2595.pdf,
ad questo punto il relč va in azione, questo relč
conduce quando vede un segnale, trasmesso a 1,2 Ghz che avviene un
la commutazione ed fa passare sulla frequenza desiderata, lo utilizzo per un scambio di segnale Video Audio,
ho telecamera, ho utilizzo questo circuito in
diversi modi.
|
|
Master mono faccia
Le caratteristiche del disegno stampato o
utilizzato un comune basetta ramata singola faccia, le dimensione misura corrisponde mm 62,9 x
57,8 mm
visibile sulla foto del Master.
Pcb Basetta
Download
Posizione Componenti
Download
sincro_relay-video-comp.pdf
Download
|
 |
|

8 x 5 cm |
OPERA di collegamento
Una volta montati tutti i
componenti sul disegno compaiono dei fili che da voi realizzate in
modo da configurare. Altro modo da realizzare il sistema video
Replay al sito:
VIDEO OPERATE REPLAY
Pcb Basetta
Download
Posizione Componenti
Download
sincro_relay-video-comp.pdf
Download
Integrato
TDA2595.pdf, |
|
Eventualitŕ di errore
Video replay integrato
TDA2595.pdf, la verifica se non
dovrebbe non funzionare, nessun segnale in entra del
sincronismo, verificare il segnale sul integrato sui piedini dovresti avere questi segnale
positivi.
pin 6) 4,9 volt
pin 7) 0,2 volt
pin 8) 5,9 volt
pin 9) 0,4 volt
pin 10) 2,4 volt
pin 11) 0,9 volt
pin 12) 0,9 volt
pin 13) 0,2.5 volt
pin 14) 5,9 volt
pin 15)la tua tensione
pin 16) 0,6 volt
pin 17) 0,6 volt
pin 18) 0,6 volt
Pcb Basetta
Download
Posizione Componenti
Download
sincro_relay-video-comp.pdf
Download
|
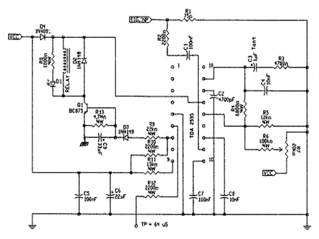
Schema Elettrico
Video replay integrato TDA2595, usare un
transistor Darlington BC875 =
BC517
BC517 NPN Darlington transistor
NPN Silicon Darlington Transistor BC 875
Basetta
Schema sincro - schema.pdf
Download
 |
|
Lista dei componenti
|
Componenti
Lista dei componenti le resistenze
sono tutti da un quarto di watt, il condensatore c2 č poliestere da
4700, per il transistor T1 ho utilizzato un transistor Darlington ho simile.
NPN Silicon Darlington Transistor BC 875
BC517 NPN Darlington transistor
|
Vai in alto
Menu
ATV
Pagina di progetti
Antonio
Musumeci IK1HGI
The last up-dated
this page on:
© 1999 / 2018 ©
|
|