|

Nuovo trasmettitore finito 2005
Questo Tx
ATV per i 23 cm è il naturale proseguo del Tx di Elektor
pubblicato nel 1994 e che in questi anni ha avuto molto
successo, di quest’ultimo sono stati mantenuti quasi
praticamente uguali le sezioni audio e oscillatore RF.
Cambia completamente il circuito PLL che prevede un TSA5055
e una PIC 16F628. Al posto dello scasso previsto per
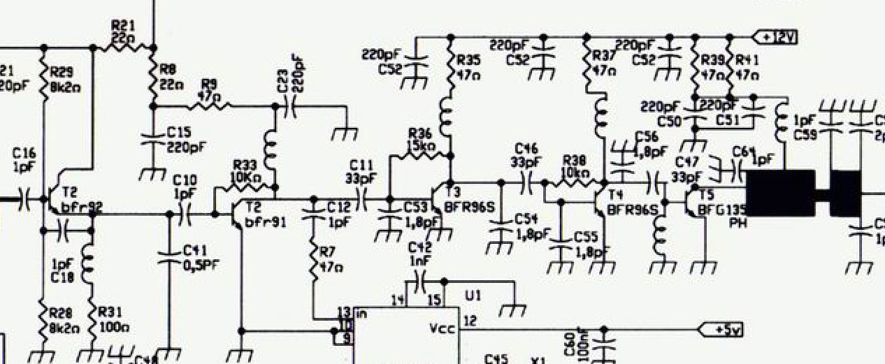
l’ibrido M57715 da 20 W ( non più prodotto dalla Mitsubishi)
è stato realizzato un finale da 900 mW
con due BFR96S e un
BFG135 della Philips.
E’
importante non trasmettere senza antenna o con
un pezzo di filo
(d'impedenza non definita 50Ω).
Il Tx irradia
RF ed invia un segnale d’impedenza
di 50Ω in uscita, non irradiare senza antenna che si
brucia il finalino BFG135.
La
corrente del finale è normalmente assorbe una corrente di
~120÷130 mA in caso di
pesanti disadattamenti sale ben oltre i
150 mA e la
giunzione Emetter / Collettore del BFG135 va in corto.
Tutte le
tensioni del circuito sono stabilizzate ( 8 e 12 Volt ). La
tensione d’alimentazione può variare fra 12,4 e 15 Volt. I
due stabilizzatori è siano raffreddati. nel suo contenitore
di metallo. La corrente totale
assorbita è 440 mA.
Al cambio
delle 16 frequenze provvede una Pic 16F628 che colloquia via C-bus con il TSA5055. La selezione delle varie frequenze si
effettua con un Dip switch a quattro sezioni montato
sullo stampato di fianco al Pic, per impostare le varie frequenze
desiderata, vedere la tabella allegata
(foto). E’ bene non scendere sotto i 1200 Mhz in quanto
la corrente del finale tende a salire. Il Tx viene consegnato con i Dip
switch tutti aperti ( off ) e quindi con F out=1240 Mhz.
Le Regolazioni sono:
Deviazione video.
Trimmer resistivo situato sopra
l’ingresso video
Frequenza sottoportante audio (
6,5Mhz ).
Compensatore rosso.
E’ da ritoccare se nel tempo la
frequenza si è spostata in modo significativo. Il miglior
sistema è usare un Rx per O.C. sintonizzato a 6,5Mhz con un
link o Antenna di pochi centimetri avvicinati al circuito
oscillante.
Livello sottoportante audio.
Trimmer resistivo
vicino al compensatore rosso, non regola la deviazione ma
solo il livello rispetto alla portante video ( tipicamente
-15db ). La regolazione dovrebbe essere fatta con l’ausilio
di un analizzatore di spettro, quindi è bene non toccarlo
se ne si è sprovvisti.
Guadagno Audio.
Se si desidera aumentare il
guadagno audio aumentare il valore della resistenza
R57 o
della resistenza, R17 diminuire il valore se si desidera
diminuire il guadagno
nella
parte dei componenti, state attenti quando vengono saldati i
componenti in SMD fare sempre riferimento allo schema
elettrico e la composizione dei componenti, la
realizzazione del tx New, se siete bravi ad utilizzare
il saldatore ed una buona vista per i componenti
SMD,
il Tx_new può
essere realizzato senza nessun problema, la realizzare
del
stampato su una doppia facciata, la basetta FR4=H1,6, ogni componente al suo posto, come si
vede sulla
foto, ho realizzato di
montaggio non ho avuto nessun problema, il TX ha
funzionato al primo colpo.
Non
trovate il materiale
La certezza di non sapere
come fare chiedere all'autore Roberto I2ROM,
vi da tutto il materiale. |