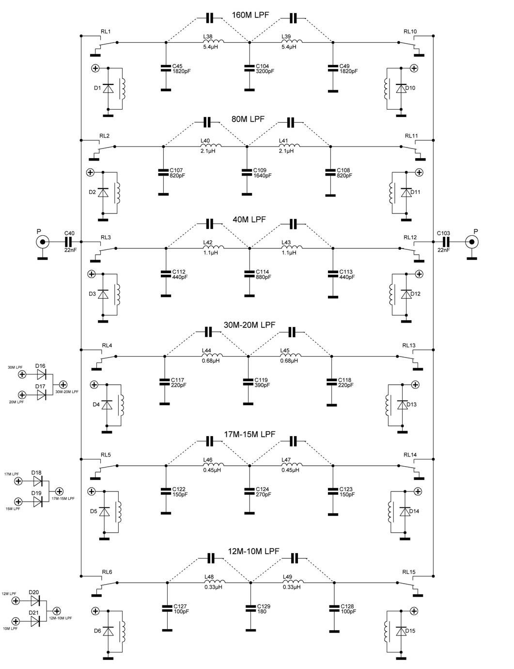
ALÇAK GEÇİREN FİLTRE KARTI:

Çaylak Telsizin  LPF katı hava nüveli Bobin ile yapılmıştır. 80m ve 160m bobinleri yer kapladığı için toroide sarıldı. Maalesef sararken verileri kaydetmediğimden, sarım sayılarını veremiyorum. Hava nüveli bobinler "RFsim 99" programı ile kolayca hesaplanabilir. Bobin sarılırken bir LC Metre yararlı olacaktır. Hava nüveli bobinlerin Q değerini yüksek tutmaya özen gösterilmelidir. Tel kesiti kalın seçilmeli ve bobin çapı yüksek olmalı. Çap/Boy oranı mümkün olduğunca 1’e yakın alınmalı. Bobinlerin birbirini etkilememesi için eksenleri dik yerleştirilmelidir.

Röle olarak elimde bulunan Minyon spot röle röle kullandım. Mevcut röleye göre ekli baskı devreye tadilat yapılabilir.

Röle bobinlerinin ortak ucu GND ye bağlıdır, ilgili röle çiftine +12v uygulanarak anahtarlanmaktadır.

BPF 9 bölümden, LPF nin ise 6 bölümden oluması nedeni ile bazı LPF bölümleri ortak kullanılacaktır. Bunun için ilgili ortak kullanılan bantlardan giden anahtarlama sinyali diyotlar ile birleştirilerek LPF  rölesi bobinine bağlanacaktır.

160m, 80m ve 40m  bölümleri tek başına,

30m ve 20 m LPF ortak,

18m ve 15m LPF ortak,

12m ve 10m LPF ortak olarak kullanılmaktadır.

LPF PCB     PDF dosyası olarak

LPF PCB     Sprint Layout  dosyası



LPF çıkışına, gücü ve SWR yi ölçmek için  Bruene Directional Coupler  yerleştirilmiştir. FT37-43 veya benzeri bir toroide 2x10tur bifilar sarım ile yapılmış olup, diyotlar 1N60 germanyum diyottur.




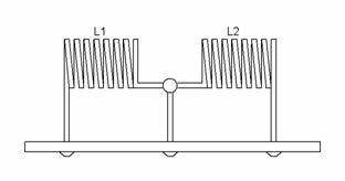
Alçak geçiren filtre bobinlerinin karta montajı.(Sarımlar aynı yönde olacak, araya en az  bobin çapı kadar boşluk bırakılmalı)

ÇAYLAK ÇOK BANTLI HF TELSİZ PROJESİ