BANT ANAHTARLAMA KARTI;




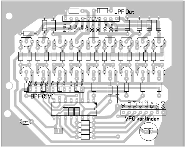
Bant ahahtarlama kartı, VFO kartından gelen BCD kodunu CD4028 entegresi ile açarak  BPF kartı ile LPF  bölümlerini devreye alan röleleri seçmek için kullanılır.

BPF ve LPF için ayrı konnektörler kullanılmaktadır. BPF filtreleri CMOS tümdevreler ile anahtarlandığından doğrudan CD4028 tümdevresinin 5v seviyesinde lojik çıkışları ile sürülmektedir. LPF filtrelerinin devreye alınması röleler aracılığı ile olduğundan bunlar röle sürücü transistörler üzerinden anahtarlanır. LPF kartında seçilen bant çıkışı 12 volt olup, diğerleri GND seviyesindedir.

BPF konnektörü üzerinde görünen dirençler kartın altından lehimlenecektir.


ÇAYLAK ÇOK BANTLI HF TELSİZ PROJESİ