ÇAYLAK ÇOK BANTLI HF TELSİZ PROJESİ

Piyasada kolayca ve ucuza bulunabilen kompanentleri kullanmayı seçtim. Tasarımı özellikle basit tuttum. Bu cihazı tasarlarken Baykuş tasarımında edindiğim deneyimler çok belirleyici oldu.

AGC konusu çok önemliydi, AGC döngüsünü IF frekansından elde etmek oldukça faydalıdır. Öncelikle AGC eyleminin tepki hızı çok iyidir.  Ancak bu süreç, bazı sorunlara da neden olur. IF yükselteçlerine sızan BFO sinyali S-Metre'yi yükseltir ve AGC zemini gereksiz şekilde kazancı düşürür. Elbet bu sorunun çözümleri de vardır. Ancak daha karmaşık bir devre ve ince düzenlemeler gerekir.

Bu nedenle bu devrede AGC, ses sinyalinden elde edilmiştir. Yarım dalga doğrultucu kullanımı ile AGC hızlı atak, yavaş gevşeme süresine sahip olmak zorundadır. Ancak, gevşeme süresini kısaltınca AGC bas sesleri kontrol etmeye çalışır. Atak süresini kısaltmanın en iyi yolu tam dalga doğrultucu kullanmaktır. Gevşemeyi uzun tutmak ise seste AGC bozulmasını azaltıp, dinleme konforunu iyileştiriyor ancak bu durum, zayıf ve güçlü istasyonlar arasında geçişte sıkıntı yaratıyor.

Bu durumu nispeten kontrol altında tutmak ses sinyalinin  tam dalga doğrultucu ile doğrultulup, rıpılın azaltılması ile mümkün olur. Devrede sinyal olmadığı zaman kondansatörü hızlıca boşaltarak eylemi hızlandıran bir PNP transistör aracılığı ile  AGC eylemi hızlandırıldı. Böylece daha basit bir çözüm ile IF bazlı AGC devresine gerek kalmadı.

Devrede basitlik amaçlandığından ilk mikser  olarak iki yönlü çalışabilen diyot mikser kullanıdı.

Post mixer amplifier  çift yönlü çalışan bir devredir. Rus amatörler arasında yaygındır. İlk olarak Rosa isimli bir amatör yapımı TRX cihazında görmüştüm. Burada 1N4007 diyotları pin diyotu olarak kullanılmaktadır. Devre alış durumunda ortak gate devre olarak, göndermede ise ortak drain devresi olarak çalışmaktadır. Kazancı 7db civarında olup, düşüktür. Asıl görevi mikser için 50 ohm sonlandırması sağlamakla beraber 50R/250R mikser-SSB filtre empedans dönüşümünü sağlamaktır.

SSB filtresi 10 adet 12MHz  küçük boy kristallerle yapılmış olup, kenar eğimi çok diktir. Bant genişliği 2500Hz civarında olup, gayet yeterlidir. Alma ve göndermede ortak kullanılmaktadır.

IF amplifikatöründe iki adet  BF960 Dual Gate Mosfet kullanıldı.  0-8V arasında yaklaşık 75-80 db AGC aralığı sağlamaktadır,  rezonans devreli bir yapı yerine drainlerde bobin kullanıladak daha az kazanç yeterli bulundu. Buna karşılık devre daha kararlı duruma geldi. Bu devrenin gürültüsü  MC1350 ye kıyasla daha düşük olması dinlemeyi keyifli duruma getirmektedir.

Devrenin kalbi bir adet TA7320P entegresinden oluşmaktadır. Bu IC dataseetinde Modulatör/Demodülatör entegresi olarak belirtilmiş olup, ünlü NE602 benzeri bir yapıya sahiptir. İçinde BFO olarak kullanılabilen bir transistör de mevcut olup, 35 db taşıyıcı bastırmasına sahip olduğu yazılıdır. CB cihazlarda PLL katlarında mixer olarak kullanılmıştır. Olumsuz yanı ise 25mA civarında olan akım tüketimidir. Devrede verici konumunda DSB modülatör,  alıcı konumunda demodülatör işlevlerini yerine getirmektedir.
"Baykuş Çok Bantlı HF Telsiz" çok iyi çalıştı. Ancak sonraki zamanlarda daha küçük, mobil kullanıma uygun bir cihaz geliştirme ihtiyacı hissettim. Başlangıçta 80,40 ve 20 metre bantlarında 3 bant için geliştirmeyi düşündüğüm temel özelliklere sahip basit cihaz, süreç içerisinde 9 bantta çalışan bir cihaz olarak tamamlandı.
Versiyon 1. Yüksek çözünülürlük için resmi yeni sekmede açabilirsiniz. Şemada silik renkli kompanentler gerekli görülmediğinden Baskı devre üzerinde mevcut değildir.
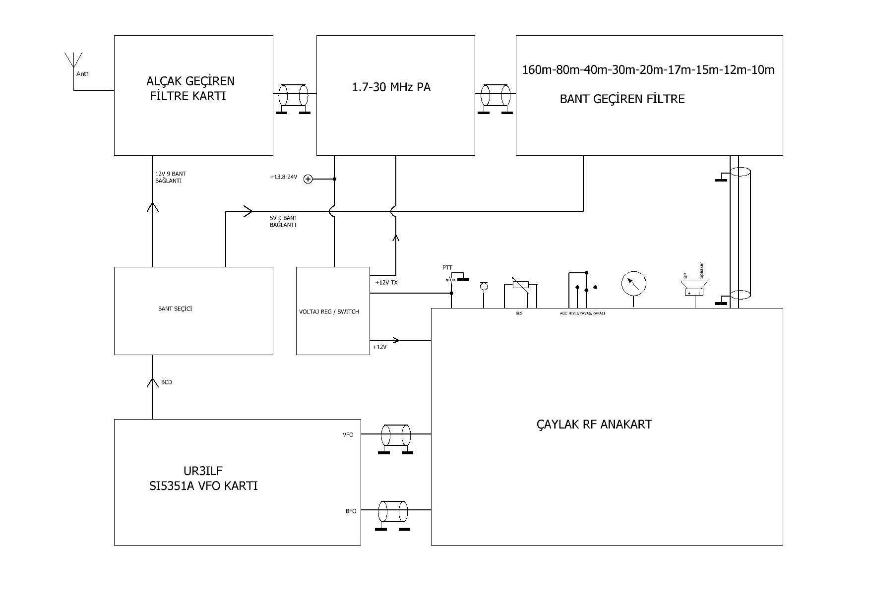
RF Anakart Blok şeması şu şekildedir:
Versiyon 2. Yüksek çözünülürlük için resmi yeni sekmede açabilirsiniz. Şemada silik renkli kompanentler gerekli görülmediğinden Baskı devre üzerinde mevcut değildir.