| Name | Last modified | Size | Description | |
|---|---|---|---|---|
| Parent Directory | - | |||
| 5000.JPG | 21-Mar-2006 18:00 | 806K | ||
| 5000 klein.jpg | 21-Mar-2006 18:00 | 111K | ||
| 7313_1.jpg | 13-May-2004 18:00 | 25K | ||
| 7313_3.jpg | 13-May-2004 18:00 | 18K | ||
| Afmetingen page 3 - 20.gif | 13-May-2004 18:00 | 26K | ||
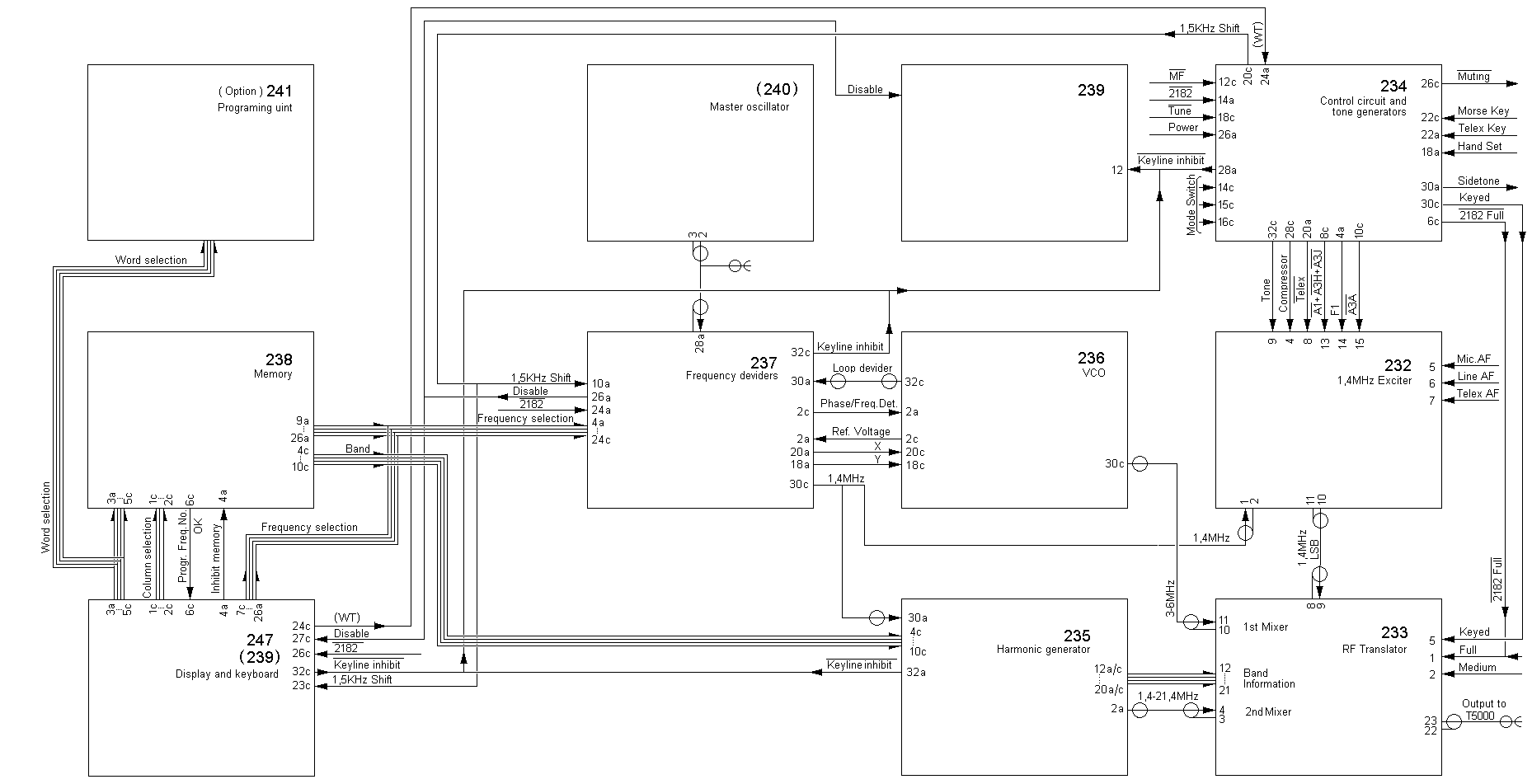
| Blokschema trans-ceiver TRP-5000.gif | 13-May-2004 18:00 | 32K | ||
| Cabinet.gif | 13-May-2004 18:00 | 916K | ||
| Cabinet bedrading.gif | 20-Mar-2024 12:43 | 374K | ||
| Cabinet with optional terminal strips 3 - 22.gif | 29-May-2010 18:00 | 1.4M | ||
| Debeg_2000E.jpg | 25-Nov-2004 18:00 | 90K | ||
| Document Knipsel Input Output ....shs | 13-May-2004 18:00 | 109K | ||
| Exciter 5001.gif | 13-May-2004 18:00 | 445K | ||
| Exciter 5001 blokschema.gif | 13-May-2004 18:00 | 566K | ||
| Extender_0.gif | 09-Mar-2024 17:20 | 348K | ||
| Extender_1.gif | 10-Mar-2024 15:01 | 200K | ||
| Externnal antenna connection.gif | 13-May-2004 18:00 | 9.9K | ||
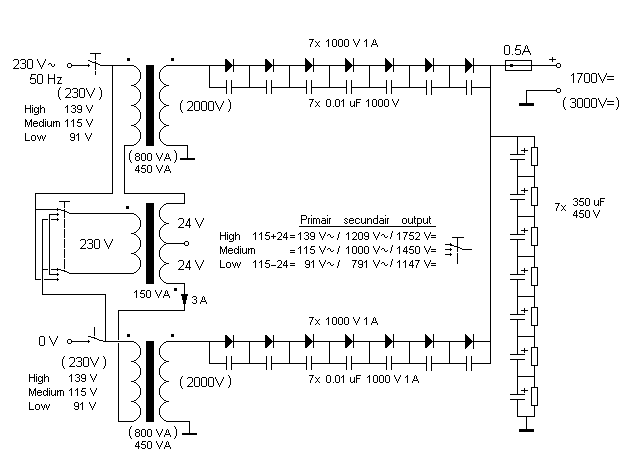
| High Voltage supply.gif | 29-Jun-2005 18:00 | 8.2K | ||
| Knipsel.shs | 13-May-2004 18:00 | 109K | ||
| PART LIST.doc | 13-May-2004 18:00 | 70K | ||
| PART LIST 238.doc | 13-May-2004 18:00 | 35K | ||
| PART LIST 239.doc | 13-May-2004 18:00 | 45K | ||
| PART LIST 240.doc | 13-May-2004 18:00 | 21K | ||
| PART LIST 241.doc | 13-May-2004 18:00 | 35K | ||
| PROGRAMMING WORK SHEET page 3 - 34.doc | 13-May-2004 18:00 | 30K | ||
| Pagina 7-11.doc | 13-May-2004 18:00 | 71K | ||
| Pagina 7-12.doc | 13-May-2004 18:00 | 77K | ||
| Parts_list_total.rtf | 19-Jul-2009 18:00 | 434K | ||
| Parts list 230-231.rtf | 19-Jul-2009 18:00 | 7.5K | ||
| Parts list 260-261.rtf | 19-Jul-2009 18:00 | 22K | ||
| Pluggen voor extention of unitsTRP5000.docx | 13-Mar-2024 18:14 | 15K | ||
| Powerpacks/ | 22-Nov-2014 09:11 | - | ||
| R5001_1.jpg | 18-Apr-2007 18:00 | 17K | ||
| Receiver/ | 04-Jun-2024 18:22 | - | ||
| SKANTI TRP5000.doc | 19-Jul-2009 18:00 | 3.7M | ||
| SKANTI_TRP5000.pdf | 28-Jul-2011 18:00 | 64M | ||
| Skanti 5000-klein.gif | 16-May-2004 18:00 | 18K | ||
| Skanti_5000.gif | 29-Jun-2005 18:00 | 597K | ||
| Skanti_HF-5-klein.jpg | 16-May-2004 18:00 | 25K | ||
| Skanti_HF-klein.jpg | 16-May-2004 18:00 | 25K | ||
| Skanti_HF.jpg | 14-May-2004 18:00 | 1.0M | ||
| Skanti_R5001.gif | 27-Nov-2004 18:00 | 81K | ||
| T 5000 TUNING CHART page 3 - 33.doc | 13-May-2004 18:00 | 39K | ||
| TRP-5000.jpg | 16-Aug-2018 10:00 | 141K | ||
| TRP 5000 cabinet wiring.gif | 13-May-2004 18:00 | 451K | ||
| Tabel op pagina 7-11.xls | 13-May-2004 18:00 | 23K | ||
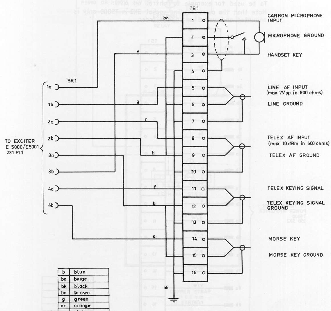
| Terminal strip A.gif | 13-May-2004 18:00 | 1.9K | ||
| Terminal strip A met text.gif | 30-Jun-2005 18:00 | 19K | ||
| Terminal strip B.gif | 30-Jun-2005 18:00 | 3.5K | ||
| Terminal strip B met text.gif | 16-Mar-2024 17:31 | 60K | ||
| Terminal strip C.gif | 30-Jun-2005 18:00 | 3.6K | ||
| Terminal strip C met text.gif | 30-Jun-2005 18:00 | 792K | ||
| Terminal strip D met text.gif | 16-Mar-2024 17:30 | 223K | ||
| Thumbs.db | 14-May-2004 18:00 | 578K | ||
| Transmitter/ | 22-Mar-2024 10:22 | - | ||
| Unit 235 Prom A-B-C calculaties.xls | 13-May-2004 18:00 | 35K | ||
| Unit 238 Prom A-B-C calculaties.xls | 18-Mar-2024 12:32 | 46K | ||
| WS_FTP.LOG | 26-Feb-2020 10:56 | 36K | ||
| atu 4-6 MHz bands.gif | 13-May-2004 18:00 | 1.0M | ||
| atu 8-16 MHz bands.gif | 13-May-2004 18:00 | 964K | ||
| atu 22-25 MHz bands.gif | 13-May-2004 18:00 | 881K | ||
| atu lower 3 MHz CT bands.gif | 13-May-2004 18:00 | 916K | ||
| atu upper 3 MHz CT bands.gif | 13-May-2004 18:00 | 826K | ||
| berekening loop-divider unit 235.xls | 13-May-2004 18:00 | 21K | ||
| figure from page 5 - 9.gif | 13-May-2004 18:00 | 22K | ||
| link receiver-transmitter.gif | 13-May-2004 18:00 | 16K | ||
| link receiver-transmitter print onder.gif | 13-May-2004 18:00 | 58K | ||
| link receiver-transmitter print top.gif | 13-May-2004 18:00 | 52K | ||
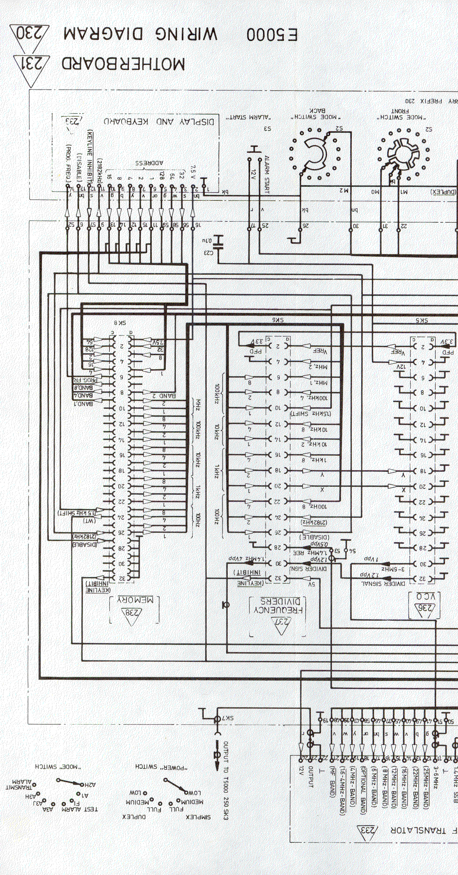
| motherboard.gif | 15-May-2004 18:00 | 796K | ||
| pagina 8 - 56.gif | 13-May-2004 18:00 | 1.0M | ||
| pagina 8 - 57.gif | 13-May-2004 18:00 | 1.5M | ||
| pagina 8 - 58.gif | 13-May-2004 18:00 | 1.1M | ||
| pagina 8 - 59.gif | 13-May-2004 18:00 | 1.5M | ||
| pagina 8 - 60.gif | 13-May-2004 18:00 | 1.2M | ||
| pagina 8 - 62.gif | 13-May-2004 18:00 | 1.0M | ||
| pagina 8 - 63.gif | 13-May-2004 18:00 | 1.2M | ||
| pagina 8 - 64.gif | 13-May-2004 18:00 | 1.1M | ||
| pagina 8 - 65.gif | 13-May-2004 18:00 | 1.1M | ||
| pagina 8 - 66.gif | 13-May-2004 18:00 | 650K | ||
| pagina 8 - 67.gif | 13-May-2004 18:00 | 794K | ||
| pagina 8 - 67a.gif | 13-May-2004 18:00 | 1.7M | ||
| pagina 8 - 67b.gif | 13-May-2004 18:00 | 470K | ||
| pagine 8 - 61.gif | 13-May-2004 18:00 | 397K | ||
| skanti_R5001.jpg | 05-Dec-2014 08:57 | 24K | ||
| skanti trp5000 8-1.bmp | 13-May-2004 18:00 | 100K | ||
| st1400_6.gif | 13-May-2004 18:00 | 9.3K | ||
| voeding 220V-24V.gif | 13-May-2004 18:00 | 13K | ||