IN3LBQ on the Hühnerspiel (Amthorspitze) - photo by IN3OTD

Single-core power splitters

Here are a couple of single-core power splitters designs; while they require one core less than the more common dual-core splitters, they usually have inferior performances.

Two main splitter types are described below:

A single-core 3 dB splitter

The splitter shown here uses a single ferrite core, but with a trick: it's well known that in a binocular core the two halves are only lightly coupled (via the low-reluctance center part) so two windings made around the outside of the core will have little interaction. So in practice this is almost equivalent to using two separate cores; the small coupling between the two windings will perturb only a little the splitter performance.

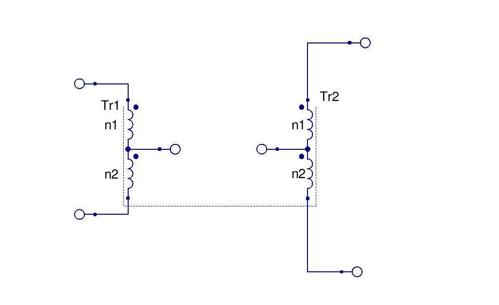
The transformer(s)

The transformers were wound on a single BN43-2402 binoculare core; the first transformer (Tr1) had 5 turns (n1) + 2 turns (n2) of 0.2 mm diameter magnet wire while the second transformer (Tr2) had 5 turns (n1) + 5 turns (n2) of 0.25 mm diameter magnet wire. The two transformers were wound separately around the outside of the core, over different holes of the binocular core.

The overall (dual-)transformer schematic looks like this:

single-core transformer schematic

and here are a couple of picture of an actual transformer wound on a single core:

BN43-2402 5t+2t 0.2mm, 5t 0.25mm, 5t 0.25mm

Winding this transformer is tricky, since it's easy to lose track of which winding is which; colored enamel wire is recommended to help distinguising the various windings.

BN43-2402 5t+2t 0.2mm, 5t 0.25mm, 5t 0.25mm

The complete splitter

With the trasformer described above, a classic 3dB splitter was built. Its schematic is:

splitter schematic

With compensation capacitance

To improve the high frequency response a compensation capacitance value (Cc) of 47 pF was added. Note that this value is quite larger than for the similar dual-core splitter described here, which indicates a larger leakage inductance. This is to be expected when a winding is not around the center leg of a binoculare core.

splitter 3dB single-core Cc=47pF measurement setup

Here are the measured S-parameters for this splitter:

single-core 3dB splitter Cc=47pF response

the high frequency response and return loss are good up to about 70 MHz, quite less than a regulat two-transformer splitter.
Note also that the attenuation of the two output ports with respect to the input is not the same at low frequency, due to the asymmetry introduced by the (small) coupling between the two transformers wound on the single core.

The corresponding Touchstone file with the S-parameters data can be downloaded here.

Without compensation capacitance

When no compensation capacitance is used (Cc=0) the high-frequency response is limited by the transformers leakage.

splitter_3dB_single_core_no_Cc.jpg measurement setup

Here are the measured S-parameters:

single-core 3dB splitter Cc=0 response

The corresponding Touchstone file with the S-parameters data can be downloaded here.

Another single-core 3 dB splitter

Here is another single-core 3 dB splitter, in this case really using a single transformer - so the windings are done around the center leg of the binocular core, as usual.
The transformer is wound on a BN43-2402 binocular core with 7 turns (n3) of 0.2 mm diameter magnet wire on the input side and 5 turns (n1) + 5 turns (n2) of 0.25 mm diameter magnet wire on the output side.
The splitter schematic:

splitter schematic

Uncompensated splitter

splitter_3dB_single_core_2_no_Cc.jpg measurement setup

The measured S-parameters for this splitter:

single-core 3dB splitter Cc=0 response

The corresponding Touchstone file with the S-parameters data can be downloaded here.

The splitter performance at the upper end of the HF is poor; it's possible to extend its usable bandwidth a little by adding some additional components, as shown below.

Compensated splitter

By adding some small capacitors to ground on the splitter ports its behaviour at high frequency improves. Here 27 pF were added on the input port and also 22 pF on each of the output ports.

splitter_3dB_single_core_2_Cc.jpg measurement setup single-core 3dB splitter Cc=0 response

The corresponding Touchstone file with the S-parameters data can be downloaded here.

With these compensation capacitors the splitter now covers the entire HF band with acceptable performances.