VHF NBFM Single
Channel Transmitter
using MC2833
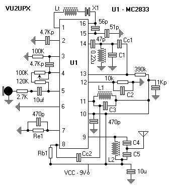
This project is basically best suited for a single channel operation like use in a repeater or for dedicated use of Tx in packet radio station. The circuit is taken from the datasheet for the IC. A photograph of the project is shown here for reference. The user is required to use appropriate power amplifier stage for increased power output. The circuit is assembled on a double sided glass epoxy pcb and anyone wishing to try it out can contact me.


Click here for MC2833 data sheets.
[ About me
| Acronyms | CW
| Data Sheets | Docs
| Download | E-mail
| HOME | Ham
projects | Hobby circuits
| Photo galery | PIC
| QTH
photos |
Sign
in my guestbook | View
my guestbook ]
© 2001 - YO5OFH, Csaba Gajdos