originally published
1976
by Dale Heatherington, WA4DSY
edited for webpage use by Michael Wright, KG6BFK
http://www.geocities.com/mikeht220/220synthesizer.html
Introduction
The following instructions pertain to the new board marked with the number 051776. There have been several improvements made over the old board. Most noteable is the reduction of receiver birdies and a 12 mA reduction of the power drain. Only 2 receiver birdies remain; 146.000 and 147.100 MHz. The transmitter spurious outputs are at least 5 dB better and the broad band white noise is down much more, The white noise reduction also resulted in improved receiver sensitivity. I still don’t recommend using a high power amplifier with the synthesized HT220 but if you feel the need to do so here is the formula to compute the 2 major spurs so you will at least know where your QRM is,
Another
major improvement was the elimination of the two CD4011 ICs. Many people found
it was hard to find CD4011s that would work right in the original circuit. That
is no longer a problem since there are no CD4011s in the new circuit. Some people
have ask why I used 9.10222 MHz for the reference frequency instead of 4.551111
MHz so the CD4020 reference divider would not be pushed to it’s limit. The answer
is simple.... High accuracy crystals in the HC 18/U holder below 6 MHz are not
available.
A
word about IC sockets: You can use low profile sockets if you bond the leads
that need to be soldered to the top side of the board out to the side so you
can solder to them. Be careful that they don’t touch anything they should not.
Drawings
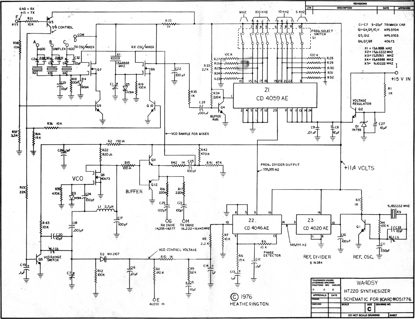
Schematic (247K, size 17x22)
Parts
Layout (293K, size 17x22)
Transmitter
Interface (91K, size 12x10)
Receiver
Interface (114K, size 10x14)
Power
Supply Interface (118K, size 13x10.5)
Parts List
Crystals are 0.002%,
20 pF load cap. calibrated at room temp. HC 18/U holder. Order type HA-M1 from
International Crystal Mfg Co. http://www.icm.com/
Specifications
Frequency range:
146.000 to 147.995 MHz transmit and receive
Channel spacing:
5 KHz
VCO frequency
Power requirements:
12 to 15 volts at at 29 mA
Spurious outputs:
45 dB below carrier
Transmitter offsets
for repeaters: -600 KHz, +600 KHz, and simplex
Input/Output lead
description
*
See interface diagrams for details
Construction
Hints
Because of the
high parts density of this circuit, the procedures outlined below should be
followed.
Good Luck
Dale
These jpeg images
were scanned at 72 dpi. Print using your page setup or save and open with Photoshop.
Z1
CD4059AE
Programmable
divider
Z2
CD4046AE
Phase look
loop
Z3
CD4020AE
14 stage divider
Q1, Q2, Q3,
Q4, Q9, Q10, Q11 MPS3704 or
2N4401
NPN transistor
Q5, Q12
MPS3703 or
2N4403
PNP transistor
Q6, Q7, Q8
40673
RCA dual gate
MOS-FET
D1
1N759
or any 12
volt 400mw zener diode
D2
MV2107 or
MV2106
Motorola EPICAP
tuning diode (22pF at 4V)
D3, D4, D5
1N914 or 1N4148
diode
S1
76A10
Grayhill 10
unit DIP switch
R1, R3, R10
R20, R351000 ohm
1/4 watt 5%
resistor
R2
150 ohm
1/4 watt 5%
resistor
R4, R12, R18,
R19, R21, R24,
R25, R26, R27,
R28, R29, R30,
R31, R32100K ohm
1/4 watt 5%
resistor
R5, R7, R18,
R21, R36, R3810K ohm
1/4 watt 5%
resistor
R6, R14
15K ohm
1/4 watt 5%
resistor
R8, R9
2.2K ohm
1/4 watt 5%
resistor
R11
180K ohm
1/4 watt 5%
resistor
R13
22K ohm
1/4 watt 5%
resistor
R15
100 ohm
1/4 watt 5%
resistor
R16, R17
220 ohm
1/4 watt 5%
resistor
R22
820 ohm
1/4 watt 5%
resistor
R33
2.7K ohm
1/4 watt 5%
resistor
R34
220K ohm
1/4 watt 5%
resistor
R37
3.3K ohm
1/4 watt 5%
resistor
R39, R40
470K ohm
1/4 watt 5%
resistor
R41
47K ohm
1/4 watt 5%
resistor
C1-C7
5-25 pF trimmer
Erie 518-000-5-25
or equivalent
size: 0.220" dia. x 0.170" high
C8, C15, C27
10 uF at 20
VDC
Sprague 183DR106X002D
or equiv.
sub-miniature tantalum capacitor (radial leads)
C9, C16
0.01 uF at
100 VDC
Disc ceramic
capacitor (0.300" max dia.)
C10, C17,
C21
C24, C25, C29100 pF
Disc ceramic
capacitor (0.300" max dia.)
C11, C22
330 pF
Disc ceramic
capacitor (0.300" max dia.)
C20
10 pF
Disc ceramic
capacitor (0.300" max dia.)
C23
33 pF
Disc ceramic
capacitor (0.300" max dia.)
C30, C31,
C32
22 pF
Disc ceramic
capacitor (0.300" max dia.)
C18, C28
0.001 uF
Disc ceramic
capacitor (0.300" max dia.)
C33
10 pF
Disc ceramic
capacitor (0.300" max dia.)
C12, C19
0.1 uF at
35 VDC
Sprague 182DR104D4035H
or equiv.
Sub-miniature tantalum capacitor (radial leads)
C13, C14,
C26
1 uF at 25
VDC
Sprague 16D105X9025BC2
or equiv.
Sub-miniature tantalum capacitor (axial leads)
L1
2.7 uH
2.7 micro
henry choke or
40 turns of #36 magnet wire
wound on the body of a 1 meg ohm
1/2 watt carbon resistor.
X1
13.68888 MHz
crystal
X2
15.62222 MHz
crystal
X3
15.55555 MHz
crystal
X4
15.48888 MHz
crystal
X5
9.10222 MHz
crystal
Transmit 16.2222
- 16.4438 MHz
Receive 14.3555 - 14.5772 MHz (for 16.8 MHz rec. IF)
GND.
Connect a wire between the synthesizer ground and the HT 220 ground.


Test and Alignment
Test equipment needed:
Note: It is better to do preliminary test and alignment before you connect the synthesizer to the radio. It can prevent trouble later on if you locate any "bugs" now.
Reference oscillator adjustment
VCO and offset oscillator adjustments
Alignment is now complete and the synthesizer can now be installed. In the radio, some of the trimmer capacitors may need to be touched up after it is in the radio. Below is a list of the trimmers and their function,
NOTE: If you have trouble with any of the test and alignment steps cheek for a 555.555 Hz square wave at pin 3 on Z3, CD4020. Some 4020s won’t work at 9.1022 MHz. If you have an input on pin 10 of this IC but no output on pin 3 you need to try another one.
How to use the binary frequency select switch
This switch consist of 10 spst switchs numbered 1 thru 10. In the following discussion an "ON" switch will be called 1 and an "OFF" switch will be called 0. The frequency is entered directly in BCD code.
Switch #1 is the MHz select switch: 0 = 146.XXX MHz, 1 = 147.XXX MHz
Switches #2, 3, 4, 5 are the 100 KHz select switches. They are BCD coded and can select any digit from 0 to 9.
Switches #6, 7, 8, 9 are the 10 KHz select switches. They are also BCD. coded and can select any digit from 0 to 9.
Switch #10 is the 5 KHz select switch. 0 = 14X.XX0, 1 = 14X.XX5
Note: The following is in courier font so the numbers should align in proper columns.
BCD code for
switches 2 thru 9
BCD code, 0 = off, 1 = on
Switch number
2 3 4 5 or
6 7 8 9
-------
0 0 0 0 = 0
0 0 0 1 = 1
0 0 1 0 = 2
0 0 1 1 = 3
0 1 0 0 = 4
0 1 0 1 = 5
0 1 1 0 = 6
0 1 1 1 = 7
1 0 0 0 = 8
1 0 0 1 = 9
-------
8 4 2 1 = binary weight
Examples:
MHz 100
KHz 10 KHz 5 KHz
1 2 3 4 5 6 7 8 9 10 switch
number
0 0
0 0 0 0 0 0 0 0 = 146.000
0 0 1 0 1 0 0 1 0 0 = 146.520
0 1 0 0 1 0 1 0 0 0 = 146.940
0 1 0 0 0 0 0 1 0 0 = 146.820
1 0 0 0 0 0 0 0 0 0 = 147.000
1 0 1 1 1 0 0 1 1 1 = 147.735
Caution, when operating above 147.400 MHz be sure the transmit offset switch is in simplex or -600 KHz. If not the transmitter will transmit at 148 MHz or above.
Photo of DIP switch in back of a HT220 (image from a eBay item)
Feedback is desired (suggestions, comments, errors, gripes, whatever) Michael Wright, KG6BFK, [email protected]
[ About me
| Acronyms | CW
| Data Sheets | Docs
| Download | E-mail
| HOME | Ham
projects | Hobby circuits
| Photo galery | PIC
| QTH
photos |
Sign
in my guestbook | View
my guestbook ]
© 2001 - YO5OFH, Csaba Gajdos