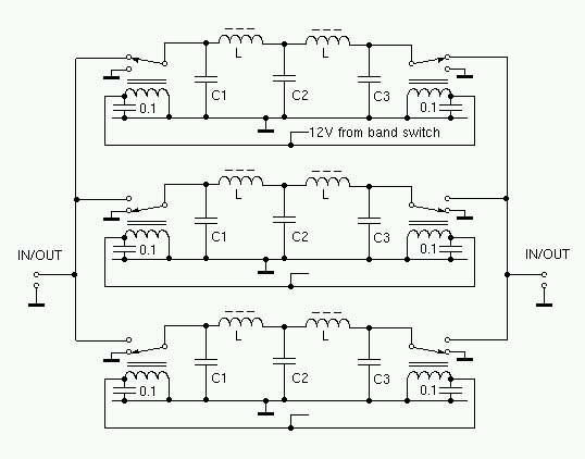
LOW PASS FILTER

| Band | C1, C3 | C2 | L | Core | Turns |
| 80M | 820pF | 1640pF | 2.1 | T50-2 | 20 |
| 40M | 440pF | 880pF | 1.1 | T50-2 | 14 |
| 17M | 180pF | 360pF | 0.43 | T68-2 | 9 |
| 10M | 100pF | 200pF | 0.25 | T68-2 | 7 |
[ About me
| Acronyms | CW
| Data Sheets | Docs
| Download | E-mail
| HOME | Ham
projects | Hobby circuits
| Photo galery | PIC
| QTH
photos |
Sign
in my guestbook | View
my guestbook ]
© 2001 - YO5OFH, Csaba Gajdos