Build a PIC controlled DDS VFO, 0 to 6 MHz


Click a picture to zoom
Top side of prototype Bottom side of prototype

 


Files contained in MINIDDS.ZIP:

readme.txt Read this first!
compplac.pdf Component placement in PDF format
schema.pdf Schematic diagram in PDF format
top.ps PCB top copper layer in Postscript format
bottom.ps PCB bottom copper layer in Postscript format
ad9832_4.asm PIC assembly source code
p16f84.inc Needed for assembly of ad9832_4.asm (for 'F84)
p16c84.inc As above but for 'C84
vfo5x7f.hex PIC16F84 program for LCD with 5x7 font
vfo5x10f.hex PIC16F84 program for LCD with 5x10 font
vfo5x7c.hex PIC16C84 program for LCD with 5x7 font
vfo5x10c.hex PIC16C84 program for LCD with 5x10 font
filtresp.pcx Computed frequency response of lowpass filter

 

Download MINIDDS.ZIP (186K)


If you prefer to control the DDS module from a PC (instead of using a PIC), try this:

Download PCVFO.ZIP (18K)

The zip archive contains a single file, VFO.EXE. It is a DOS program but it runs fine in a Windows 95/98 "DOS bubble" as well (see screenshots above).


Are you looking for a DDS based 136 kHz longwave transmitter exciter?

Have a look at G0MRF's page

Specifications:

Schematic and source code for the PIC controller is available here:

Download the PIC program lwex.zip

The PIC program is written for the free version of the CC5X C compiler which is available at www.bknd.com

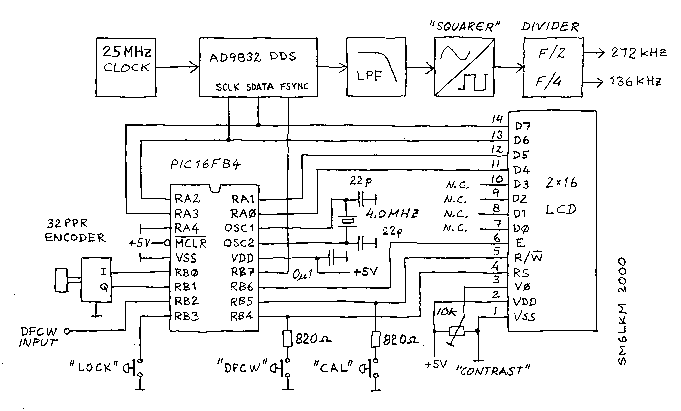
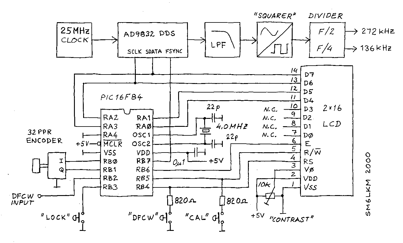
Click for full size schematic!

Click the schematic for a full size version

Almost any 2x16 character LCD module with Hitachi HD44780 controller chip will work. The LCD pin numbers on the schematic are not valid for all LCD modules. Please check the actual signal names on your particular LCD module.

The selected DFCW frequency offset will be added to the output frequency when the DFCW input is grounded. This input has a weak pull-up in the PIC.

The encoder inputs also have internal pull-ups in the PIC.

The switches "LOCK", "DFCW" and "CAL" are momentary pushbuttons.

Original scheme from http://home4.swipnet.se/~w-41522/index.html

 


 [ About me | Acronyms  | CW | Data Sheets | Docs | Download | E-mail | HOME | Ham projects | Hobby circuits | Photo galery | PIC | QTH photos |
Sign in my guestbook | View my guestbook ]
 


© 2001 - YO5OFH, Csaba Gajdos