BAYKUŞ ÇOK BANTLI HF TELSİZ PROJESİ
SI5351A PLL İLE BAYKUŞ VFO
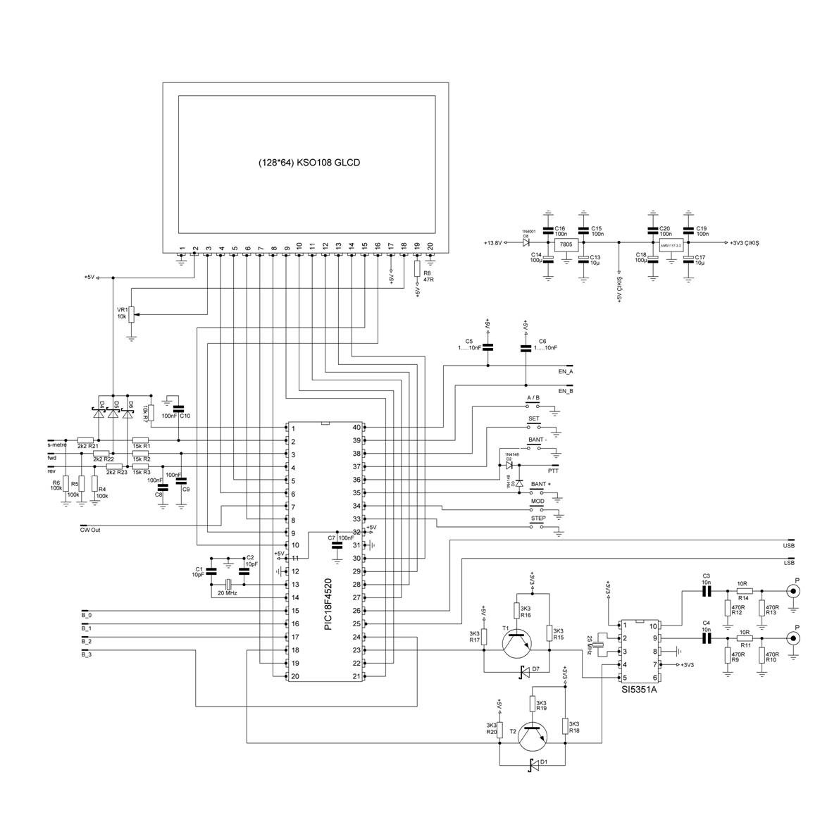
VFO PCB iki taraflı kart üzerine çizildi. Bir tarafı  GND olacak. Kare(köşeli) pedler GND ‘ye bağlıdır. GND olmayan delikler havşalanacaktır.

Grafik LCD pcb’ye fişle geçmeli olarak düşünüldü. Çünkü data kabloları parazit yaymamalı. Kart LCD boyutundadır.

LCD ile PCB arasına bir teneke takılırsa iyi olur. Grafik LCD ler parazit kaynağıdır.

“Set” butonu pcb üzerindedir.

Rotary Enkoder ayaklarına 2n2 gibi seramik kondansatör ile Vcc ye bağlı olarak konulması iyi olur. Aksi takdirde encoder çevrilirken pıt pıt paraziti üretebiliyor.

Bant çıkışları 4bit BCD formatındadır. CD4028 BCD - Decimal Decoder Entegresi ile röleleri kontrol eden transistörler sürülmektedir.

Devre alış durumunda s-metre barını, TX durumunda Güç ve SWR ölçümlerini göstermekte olup, anten tuner ayarlanmasında kullanmak amacı ile bar şeklinde de göstermektedir.

Opsiyonel olarak yanbant filtreleri için çıkışlar da eklendi.

PCB (PDF dosyası)       PCB (Sprint Layout  dosyası)        Yazılım

Baykuş Ana Sayfa