BAYKUŞ ÇOK BANTLI HF TELSİZ PROJESİ
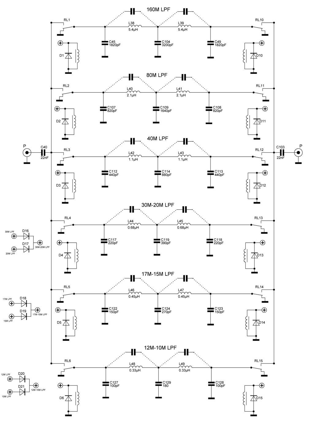
9 HF BANDI İÇİN ALÇAK GEÇİREN FİLTRE DEVRESİ;




Alçak Geçiren Filtre 10 MHz altı için T50-6 toroid, 14MHz ve yukarısı içinse T50-2 toroid kullanılarak yapılmıştır.

Bobinler için sarım sayıları verilmemiştir. Bunun nedeni kullandığım toroidlerin Amidon üretimi olmayıp, uzakdoğudan temin edilmesi nedeni ile geçirgenliğin farklı olmasıdır. Bobinler şemada belirtilen indüktans değerleri kullanarak inşa edilecektir. Bu işlem için bir LC metre gereklidir. Sarma işlemi çok zor değildir. Amidon toroid kullanılacaksa, https://toroids.info/ adresindeki hesap makinası ile tur sayıları hesaplanabilir.

Röle olarak elimde bulunan Telekom röle kullandım. Mevcut röleye göre ekli baskı devreye tadilat yapılabilir.

Röle bobinlerinin ortak ucu GND ye bağlıdır, ilgili röle çiftine +12v uygulanarak anahtarlanmaktadır.

Röleler çift kontak olduğundan öncelikle her bant için tek röle ile anahtarlama denendi, ancak Spektrum Analizör ile test edilince, bunun yanlış bir tasarım olduğu ortaya çıktığından, bu tasarımdan vazgeçildi.

Güvenilirliği artırmak için röle kontakları paralel bağlandı.




BPF 9 bölümden, LPF nin ise 6 bölümden oluması nedeni ile bazı LPF bölümleri ortak kullanılacaktır. Bunun için ilgili ortak kullanılan bantlardan giden anahtarlama sinyali diyotlar ile birleştirilerek LPF  rölesi bobinine bağlanacaktır. Bu durum fotoğraf üzerinde  görülmektedir.

160m, 80m ve 40m  bölümleri tek başına,

30m ve 20 m LPF ortak,

18m ve 15m LPF ortak,

12m ve 10m LPF ortak olarak kullanılmaktadır.

LPF PCB     PDF dosyası olarak

LPF PCB     Sprint Layout  dosyası

Üstteki resimde hava nüveli Bobin ile yapılmış alternatif LPF katı görülmektedir. 80m ve 160m bobinleri yer kapladığı için toroide sarıldı. Hava nüveli bobin kullanılırsa Q değerini yüksek tutmaya özen gösterilmelidir. Tel kesiti kalın seçilmeli ve bobin çapı yüksek olmalı. Çap/Boy oranı mümkün olduğunca 1’e yakın alınmalı. Bobinlerin birbirini etkilememesi için eksenleri dik yerleştirilmelidir.

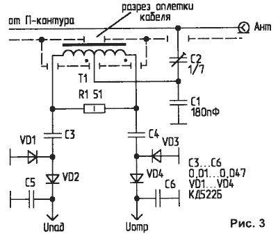
LPF çıkışına gücü ve SWR yi ölçmek için  Bruene Directional Coupler  yerleştirilmiştir. FT37-43 veya benzeri bir toroide 2x10tur bifilar sarım ile yapılmış olup, diyotlar 1N60 germanyum diyottur.