YIG Oscillator and Filter Notes
        

Overview

Random collection of notes, schematics, datasheets, and pictures for YIG-based oscillators, multipliers, filters, etc.

Notes & Resources

  1. Standard Oscillator, Filter and Multiplier Driver Adjustment Procedure  Micro Lambda Wireless, Document No. 201.202  (428k PDF)
  2. YIG Drivers - Application Note  Micro Lambda Wireless  (415k PDF)
  3. YIG-Tuned Oscillators - Definitions  Micro Lambda Wireless  (110k PDF)
  4. Drive Circuit for YIG-Tuned Devices  U.S. Patent 4,581,594  (62k PDF)
  5. YIG Filters  Philips tech. Rev. 32  (1971)  (2.7M PDF)
  6. Schematic: YIG-Tuned Filter as a Preselector
  7. YIG Oscillator  A really cool homemade YIG oscillator project by Donald Benson & Ali Tatari, San Jose State University Fall 2009, EE 172  (3.4M PDF)
  8. Teledyne YIG Filters & Oscillators  (1.9M PDF)
  9. A Systematic Way to YIG Filter Design  (311k PDF)
  10. YIG Filters and Envelope Limiters  (1.5M PDF)
  11. HP 5086-7314 YIG Oscillator Datasheet  (62k PDF)
  12. HP 5086-7067 YIG Oscillator Pin-Out  FM +/- pins reversed?
  13. A Quick Look at the HP 5086-7259 YIG Oscillator
  14. Phase-Locked Sources for LMDS and MVDS Applications  Microwave Journal, April 1997  (33k PDF)
  15. A Simple Approach to YIG Oscillators  by Bernd Kaa, DG4RBF.  VHF Communications, 4/2004  (1.7M PDF)
  16. Designing_YIG_Drivers  by A. S. Nagarajan & R. Prema.  Def. Sci. J, Vol. 32, No. 3, July 1982  (784k PDF)
  17. Avantek Octave-Band YIG-Tuned Oscillators - Datasheet  (202k PDF)
  18. Avantek AV-Series YIG-Tuned Oscillators
  19. Avantek YF84-2821 YIF Filter Datasheet
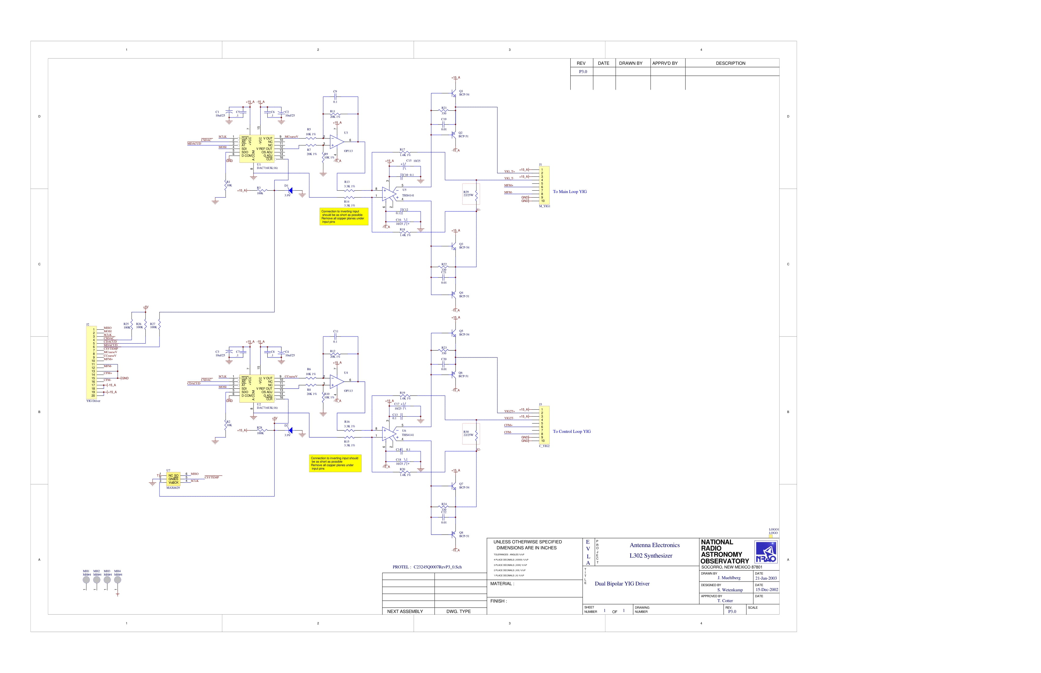
  20. Dual-Loop YIG Control Schematic  National Radio Astronomy Observatory  (PDF)
  21. A Synthesized, 90-120 GHz Signal Source    Using a WJ-5610-302F YIG and multiplier.  National Radio Astronomy Observatory
  22. Teledyne Microwave YIG Oscillator Product Catalog  (822k PDF)
  23. EIP Comb Generator - Tuning Curve
  24. YIG-Tuned Bulk GaAs Oscillators  Watkins-Johnson Tech Notes, Vol. 1, No. 5, September/October 1974  (3.3M PDF)
  25. Six-Stage YIG Filters  Watkins-Johnson Tech Notes, Vol. 15, No. 5, September/October 1988  (4.5M PDF)
  26. Wideband YIG-Tuned Oscillators  Watkins-Johnson Tech Notes, Vol. 13, No. 5, September/October 1986  (4.2M PDF)
  27. Watkins-Johnson WJ-5224-3 YIG Filter Operating Instructions  (903k PDF)
  28. Notes on the WJ-643-21 YIG Filter
  29. Notes on the WJ-5008 YIG Oscillator
  30. YIG Driver #526b  by Dick Plambeck.  Circuit designed by Doug Thornton, 1986.  (354k PDF)
  31. An Introduction to YIG-Tuned Oscillators  by Dave Castetter  (73k PDF)
  32. OMNIYIG YIG Harmonic Multipliers & Comb Generators - Applications Notes  (1.8M PDF)
  33. Varian VSL9061AE YIG Warm-Up - With No Heat Sink  (With Heatsink)
  34. Watkins-Johnson WJ-6708-7DF YIG Oscillator Information
  35. Watkins-Johnson Launches New YIG Oscillators
  36. Watkins-Johnson WJ-6713-1 Tuning Curve
  37. Notes on Stellex YIG Synthesizer Performance and Control  by KE5FX
  38. The Ultimate Plug-and-Play Stellex Mini-YIG Synthezizer controller  by Luis Cupido
  39. 10 GHz... Almost There!  Stellex control using the LPC11U14 MCU for the NXP LPCXpresso toolchain, by Dave Donley (KK6UQN)
  40. How Does a YIG-Tuned Oscillator Work?  In this video, Kerry Wong explains the operation principle of a YIG tuned oscillator and demonstrated the tuning of an HP 5086-7023 YIG oscillator (2.7-4.2 GHz).
  41. Connecting the HP 5086-7023 YTO  by Joseph Haas (KE0FF)  (314k PDF)
  42. Design of a YIG-Tuned Oscillator  by Tien Liang Jin  (4.5M PDF)
  43. Power Op-amps Rock - Driving a YIG Oscillator  With a L272 dual op-amp which can source or sink 1A continuously.
  44. YIG & YANG  Yet ANother yiG Drivr, by Dimitri Stolnikov, OsmoDevCall #5  (3.8M PDF)
  45. YIG ?????, It's Not Complicated  by F6BON (French)
  46. Watkins-Johnson WJ-5041-97 YIG-Tuned Oscillator - Picture #1  12.3-18.5 GHz / -11.2V Bias  (Picture #2)  (Pin-Out)
  47. Watkins-Johnson WJ-5122-18 YIG-Tuned Oscillator - Picture #1  2.16-4.16 GHz  (Picture #2)
  48. Watkins-Johnson WJ-6840-101F YIG-Tuned Oscillator  20-26.5 GHz
  49. HP 8753C Network Analyzer: Spare YTOs  Well-documented YIG experiments from SimonsDialogs.
  50. Phase Locking a YIG Oscillator for a Microwave Synthesizer Project  EEVblog thread.



Knowledge is Power

GBPPR Projects