Schematics and Manuals for Radio Receivers


Alan Bain (M5AIQ)

Index

Information is available on the following receivers: Much further information and many useful manuals can be found at K4XL's excellent BAMA (Boat Anchor Manual Archive).

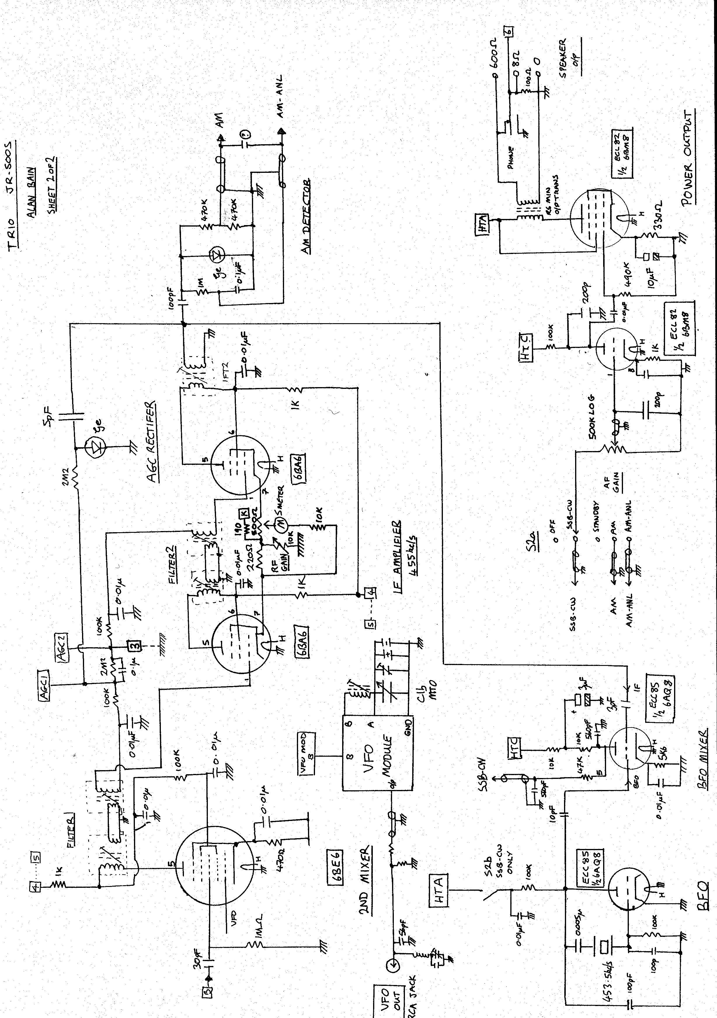
Trio JR500S

This is just a small collection of hand drawn diagrams from a TRIO JR500S receiver. They are made directly from the chasis, hence component designations probably bear no resemblance to those of the manufacturer! Also there is a possibility of errors existing. I've also written an alignment procedure for the set.

Racal RA117 Manual

The follow is a version of the manual for the Racal RA117 receiver which was taken from an OCR scan by OH1JEA found on the web page of OH5HOI and retypeset using TeX. The figures have now been included into both the PDF and TeX versions (although not the DVI, since this would require lots of Encapsulated Postscript Files to be downloaded). The version without images is still available, since it is considerably shorter, and faster to download. It is generated from the same TeX file, but with a flag set to supress inclusion of images; hence the text is absolutely identical to that in the version with pictures.

Version with Images

The PDF version is produced by PDFTeX 0.13 and is readable using Acrobat reader 3.0. It doesn't take advantage of the aditional features available in the PDF language, since I have anticapated that usually a printout will be wanted! The circuit diagram has not been incorporated, since I would envisage that this might be downloaded separately and `cut and pasted' together.

Version without Images

This version is complete, but lacks all of the diagrams. The source code from which these pages (without figures) were generated is also available as

RA 117 Schematic

The following scan of the RA117 schematic has been chopped up into five pieces each of which has been converted to postscript form for convenient printing (one piece goes portrait format onto an A4 page). Then can then be copied onto A3 using a xerox machine.

Comments, corrections, improvements?

It is clear that this file is a work in progress. There are probably a number of typographical errors still present. In particular beware missing `micro' signs (e.g. capacitor values apparently in F rather than in uF or voltages in V instead of in uV). Furthermore, the availability of a computer readable copy (rather than a series of scans) leaves correction and annotation possible (as in the case of the R390 project). I'd be delighted to hear of any comments, suggestions or errors which readers may have. If anyone finds the manual useful then I'd be pleased to hear (and I'm always on the lookout for an actual RA17 or RA117 receiver!)

Eddystone EC Schematics

Here are the schematics for two eddystone sets