Considerazioni generali - Commutatore - Control Box
LA SCATOLA DI CONTROLLO (CONTROL BOX)

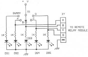
La scatola di controllo č costituita da un contenitore all'interno del quale trovano posto un commutatore, alcuni diodi led e cavetti vari. Ho preferito usare un alimentatore esterno per semplicitā ed economicitā ma nulla vieta di sistemarlo all'interno del contenitore. Si tratta in pratica di un semplice commutatore a 5 posizione (se avete scelto di costruire un commutatore per 5 antenne, quello nella foto č per la mia quad, quindi 3 vie) che dā alimentazione al relč desiderato e contemporaneamente fa accendere un led.

73 de iz7ath, Talino