QRZ IK1HGI 

 

  
 

IK1HGI TX TERRESTRE DVB-S2

Digital-DATV

Ho usato da anni il sistema da ATV come ho presentato sulla mie pagine web nel sistema di trasmissione ATV Analogico https://www.qsl.net/ik1hgi/atv.htm


Oggi vi presento il sistema DATV bastato la trasmissione Adalm-Pluto Terrestre la mi presentazione e stato con l'idea da un amico mi disse si possano modificare una piccola parte del Tx analogico per poter trasmettere sulla frequenza 1.242 Ghz, fatte prove in sistema Digitale una Domenica 27 Settembre 2020 un utilizzando Pluto e coollegato il mio piccolo amplificatore da 800mW non credevo hai mie occhi, ho ricevuto sul ricevitore  Minitioune PRO2 DATV, in banda DVBS-2 molto soddisfacente, del mio articolo presentato nel 2000 ho anche messo filmato sul YouTube il segnale ricevuto DATV-S

 

___________________________________________________________________

Pluto con un
Amplificazione 800mW out per la trasmissione terrestre

 

27 Settembre 2020: Con la presentazione  di una modifica sul mio trasmissione ATV analogico, ha modificato una piccola parte per poter entrare con la scheda Adalm Pluto il suo rapporto di prova, mi ha spinto che nel 2000 avevo pubblicato in queste pagine di ATV di rivedere nuovamente il mio articolo presentato la mia pagina web, ATV di IK1HGI.

Questo articolo contiene la descrizione di un piccolo amplificatore di uscita RF 800mW sulla banda 23cm frequenza di lavoro 1.200 Mhz, può pilotare facilmente un amplificatore da 20 W per banda da 23 cm.

Alcuni dettagli dello schema e del layout del circuito stampato sono completamente allegati, sulla pagina una descrizione di come realizzare.

Ho fatto alcune prove stamattina e tutto sembra andare per il verso giusto ed ha avuto un grande successo con il prototipo che ho realizzato già nel 2000. Per il setup di prova avevo la mia Minitioune per la parte DATV del ricevitore e per il Adalm  Pluto che ho usato il programma OBS Studio sorgente video e audio, la descrizione vedendo il test con video e audio straordinario progetto di che presentai non mi rendevo conto del abbinamento il Pluto e Obs Studio potevo rivedermi, ho avuto dei grandi risultati un domavi vediamo di trovare qualche amico nella mia zona di Novara ha voglia di ricevere i segnali Digitale DVBS.

Mi prendo tutti i ringraziamenti e il merito del mio articolo, mi ha fatto sentire qualcosa di diverso del mio progetto presentato 2000 del amplificatore da 800mWatt son passati 20 anni della mia presentazione del lavora realizzato.

Alcune foto della presentazione e la realizzazione del progetto prototipo IK1HGI

https://www.qsl.net/ik1hgi/atv.htm

___________________________________________________________________

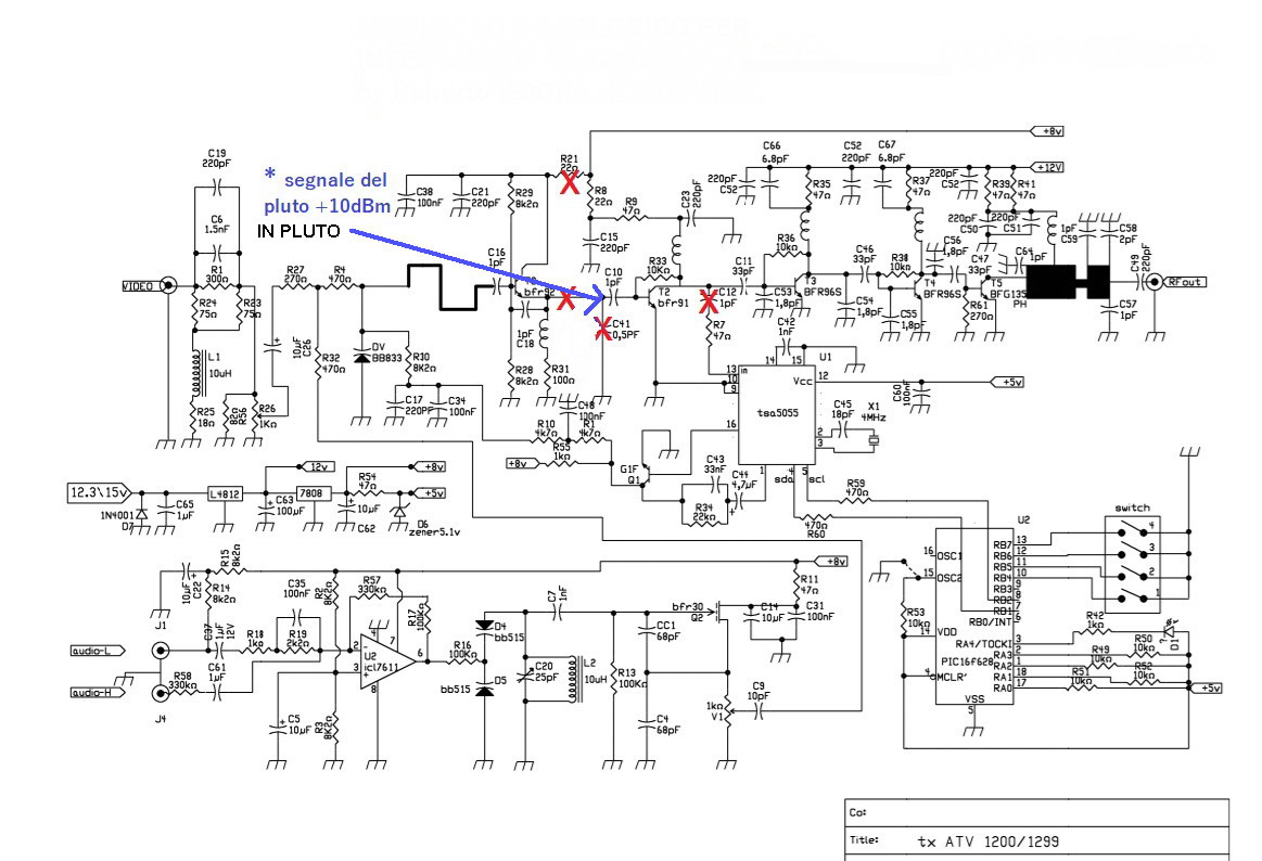
Buongiorno per chi e' interessato, invio le modifiche per i TX 1200 Ghz Analogici, G4WIN, I2ROM e ARi-Bra per l'inserimento dell'Adalm Pluto ed ottenere la modulazione digitale DVB-S/DVB-S2.
Di seguito le modifiche che ho effettuato per i 3 TX. Sto anche modificando le configurazioni dell'Octagon SF-8008 per reindirizzare i pacchetti UDP verso Adalm Pluto in modo che faccia da traslatore automaticamente in presenza di dati a breve presenterò un piccolo articolo anche di un ponte ATV ripetitore in digitale DVB-S2.

___________________________________________________________________
 TX 1200 analogici  I2ROM 

https://www.arimi.it/wp-content/uploads/2010/03/TX-ATV-1200.pdf

___________________________________________________________________
 TX 1200 analogici, G4WIN  

http://www.i2sdd.net/ATV/new_tx/new_tx.htm

___________________________________________________________________
TX 1200 analogici,  ARi-Bra

http://www.aribra.it/autocostruzione/tx-atv/sequenza.php

 

http://aribra.it/autocostruzione/tx-atv/TX-ATV.pdf

Da utilizzate con Pluto ho altri sistemi un
Amplificazione 800mW out per la trasmissione DVB-S2 Terrestre

Link home page  https://www.qsl.net/ik1hgi/atv/1watt.htm  

________________________________________________

 SAT QO-100 (Es'Hail-2)

_________________________________

Qatar-OSCAR 100 Monitor di spettro a banda larga

© 2019 Oscar-100 Web Ricever Project, fornito da BATC e
AMSAT-UK, ospitato da Goonhilly Earth Station.

 https://eshail.batc.org

___________________________________

Flag Counter 

_______________________________________________________
 

The link use DATV  IK1HGI

HB 100  QO-100  DATV-Koqit  QO-100-datv

73 IK1HGI Tony

Vai in alto

Menu ATV

____________________________________________________________________

Pagina di progetti
Antonio Musumeci IK1HGI

 The last up-dated this page on:
© 2020 ©

© 2020  ©