Configuración de pantalla 800 x 600
CACHARREO
Introducción
El objetivo de este proyecto ha sido la construcción de un generador de patrones de vídeo
compuesto, cuyas aplicaciones se extienden desde el campo de la enseñanza de la señal de
vídeo hasta la reparación y ajuste de equipos receptores de televisión. No se ha pretendido la
realización de un equipo con fines comerciales, ya que no se garantizan las especificaciones
de un generador de vídeo profesional.
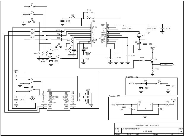
El esquema es el siguiente:


El archivo para programar el pic es:
mira color.hex
Si me quieres escribir:
[
página principal][concursos] [reuniones] [ubicaciones] [enlaces ATV] [CANAL 23] [CANAL 25]
[coches] [unidad móvil] [cadenas de televisión] [home cinema]
[diseño] [gps] [montaña] [aeromodelismo]
[mira b/w] [mira color] [estroboscopico] [canal+]
Fecha de actualización 26/07/2011