Power amplifiers for 6 m band
Power amplifiers for 2 m + 6 m bands
Power amplifiers for 2 m band
Power amplifiers for 70 cm band
Power amplifiers for 23 cm band
Power amplifiers for "lazy builders" (2m, 6m, 4m)
Power amplifier Projects for Experienced VHF/UHF PA builders
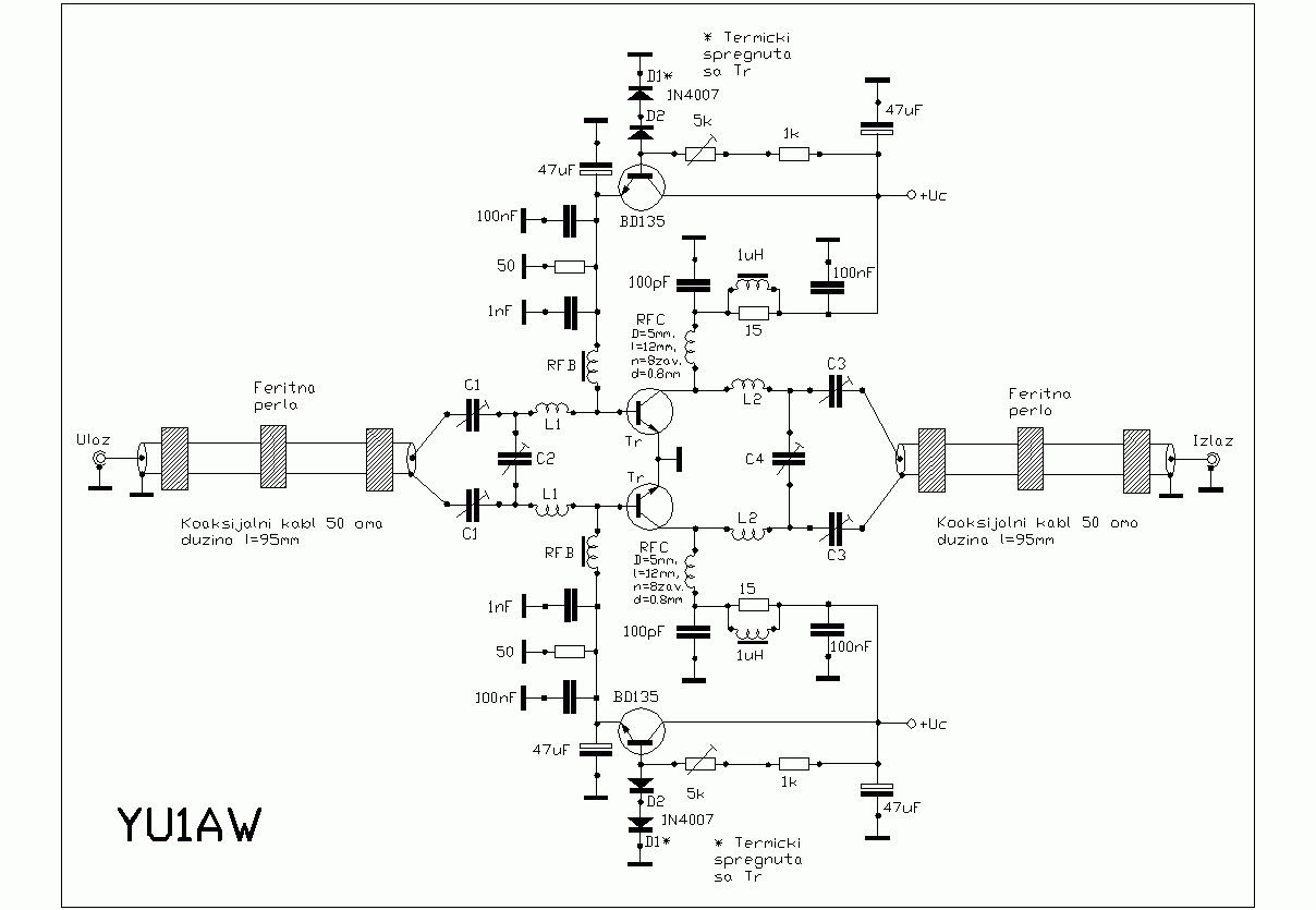
Simple VHF/UHF Harmonics Filter
Schematic diag. Construction Harm.Rej. vs coax Q
S-parameters Voltages SWR
Built by Ian, G5WQ
Built by Vladan, YT1VP
Built by Yves, HB9DTX
Published in CQ ZRS 02/2009 magazine
Other internet sources of my VHF/UHF PA designs:
USA: ND2X page of yu1aw
Russia: VHF-UHF усилители мощности YU1AW.



Built by YT1AR and YU1ZF

Published in Radio-amater magazine in Serbian
Important notes:
All connections between RF parts, and also connections to ground MUST BE as short as possible! This is VHF, not HF, in spite that designs may looks like HF! Hi! See mechanical layout of PA designs below!
Power amplifiers for 144 MHz /zip 2790 kB/ (1988.)
(TXT in Serbian)
for tubes: 4CX250B, 4CX300A, 2C39BA and TH328.
TH328 2m PA built by Boris, S51MQ
3x2C39BA 2m PA - built by Vlada, 9A4VM
Built by Fica, YU7AA
Power amplifiers for 432 MHz /zip 1355 kB/ (1990.)
(TXT in Serbian)
for tubes: 4CX250B, 4CX300A, 2C39BA i TH328.

Solid State 6m and 2m PAs /zip 1.1 MB/ (2001.)
(TXT in English)
for transistors: MRF245, MRF247, MRF317, MRF238, BLW76, BLW84 and BLX15.
2m PA built by Teo, YU7AR
2xBLX15 6m PA built by Saša, YU1EO
6m PA built by Mark , VK2MJS
2m PA built by Mile, 9A7PSN
6m PA sagradio Matt , W6ZBA
MOS Solid State 144 MHz Power Amplifier
1 x MRF151

Built by Miška, YU7MS
All other data for items developed by YU7MS: PA 144MHz MRF151.zip
VMOS Solid State 2m Power Amplifier
2 x DV28120T Push-Pull
Pages from RSGB VHF-UHF Handbook Ch4.pdf
Built by Aca, YZ1SAN
MOS Solid State 70 MHz Power Amplifiers
1 x BLF147
Measured by S59MA:
Uds
-- Ids -- DC Input --
Pdrive -- Pout --
Eff % -- Gain --Disip.
27.6V -- 8.65A -- 238W -- 3.63W -- 148W -- 62% -- 16.1dB -- 90W
13.8V -- 4.60A -- 63.5W -- 3.63W -- 36.3W -- 57% -- 10dB -- 27.2W
Built by Ales, S59MA
2 x BLF147 Push-Pull