2 m
Important notes:
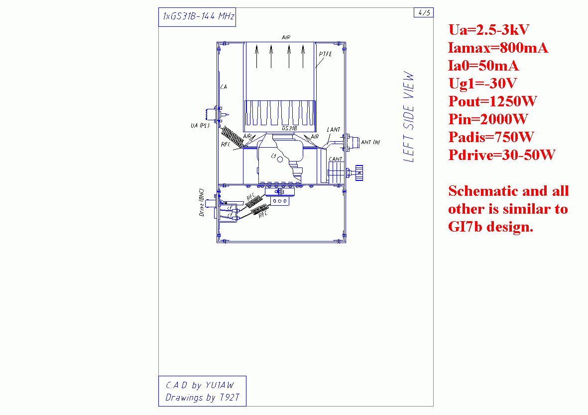
All connections between RF parts, and also connections to ground MUST BE as short as possible! This is VHF, not HF, in spite that designs may looks like HF! Hi! See mechanical layout of PA designs below!
2xGI7B 2m PA /zip 297 kB/
Built by Dragan, YT1AR
1xGI7B 2m PA /zip 265 kB/
Built by PA3DRL
Built by:
Saša, YU1EO and published in "Radioamater CQ YU" magazine:
GI7B Final.pdf 1xGS31B 2m PA /zip
79 kB/ Built by Topan and Frans, YD1OTG
NEW! 1xGS31B 2m PA (PTFE) Built by Bernard, ON4CGX Built by Topan and Frans, YD1OTG
NEW! 1xGS31B 2m PA (Door Knob)
%20ico.jpg)