Projects



RPi3 SCADA

This page shows the example of the SCADA (Supervisory Control And Data Acquisition) done with the Raspberry Pi 3 module that represents the server,  and with additional modules represents the RTU (Remote Terminal Unit) or PLC (Programmable Logic Controller):

  • RPi3 SCADA
  • Example of using the SCADA systems for remote control the plants for recycling waste waters:

  • RPi3 PPOV


  • RPi3 Weather Station

    This is home made project used the inside unit Raspberry Pi 3 and Linux Operating System, Apache server and PHP, and used the outside unit PIC16F876 with sensors: air temperature (C), air humidity (%), atmospheric pressure (mbar), sun rays (lux, W/m2, UV index), wind speed (m/s), wind direction (°), rain (mm) in the previous and current hour.

  • RPi3 Weather Station







  • GSM Modems

    Modifications to GSM modules M590E and SIL800L:
  • GSM Modems

  • Project GSM PIC Alarm with PIC16F84A and
    GSM modules M590E or SIL800L:
  • GSM PIC Alarm
  • GSM PIC Call



  • QRO Linear Amplifier

    For the realization of these projects, used the design and recommendations by
    Dragoslav Dobricic YU1AW .

  • HF Linear Amplifier

  • VHF Linear Amplifier

  • HV Power Supply

  • HF Antenna Tuner

  • Test Linear Amplifier

  • QRO Parts




  • RPi3 Rotator X4

    New version software for Simultaneously Remote Controlled 4 Antennas over the ethernet in the Resava Valley Contest Club YU5R, used the Raspberry Pi 3 and Linux Operating System, Apache server and PHP, Analog to Digital Converter MCP3008 and Relay Drivers ULN2803:
  • RPi3 Rotator X4

  • Download File:
  • RPi3_Rotator_X4_v2.pdf
  • rpi3_rotator_x4.tar
  • rotator3x4.c
  • Link:
    www.digistore.rs
    www.raspberrypi.org






    RPi YU5R Rotator

    Software for Remote Controlled Antennas over the ethernet in the Resava Valley Contest Club YU5R, used the Raspberry Pi and Linux Operating System, Apache server and PHP
    You can connect various antenna rotator controlers such as the Yaesu GS-232, LVB Tracker www.g6lvb.com/articles/lvbtracker/, Fox Delta ST2 – Satelte Tracking Interface www.foxdelta.com/products/st2-rs232.htm , ... or make one according to the scheme YU5R Antenna Rotator Controller.
    You need 4 pcs antenna rotator controllers, one for each antenna: 7MHz, 14MHz, 21MHz, 28MHz.
    Some antenna rotator can be connected over mini DIN, such as: YAESU G-800DX, YAESU G-1000DX, YAESU G-2800DX, some need the modification by adding the relays, such as: HY-GAIN HAM-IV, HY-GAIN HAM-V,HY-GAIN HDR-300A, YAESU G-450A, YAESU G-800SA, YAESU G-1000SA ...

    Download File:
  • rpi_yu5r_rotator.pdf
  • yu5r_rotator.tar
  • uart_test.c
  • Link:
    www.digistore.rs
    www.raspberrypi.org








    YU5R Rotator

    Old version Software used for Personal Computer, Windows and XAMPP

    Download File:
  • yu5r_rotator.pdf
  • htdocs_yu5r.zip
  • Link:
    www.apachefriends.org
    php-serial-extension.win7dwnld.com/download-new-version/



    YU5R Beverage Box

    In Resava Valley Contest Club YU5R in Multi-two contest we used two SACX, six-pack and High Power Band Pass Filters products from 4O3A www.4o3a.com/. For the 1.8MHz High Power Band Pass Filter we used the product from www.dual.rs/.
    For Rx antenna we made 3 two-directional beverage antennas from a pair of twisted wires from a military telephone cable (176m long and 2m high) and a Beverage Box. Beverage Box includes relay swich for 6 Rx antennas and 3 radios, output for each radio have Low Band Pass Filters 1.8MHz, 3.5MHz, 7MHz and a preamplifier. For rig as Yaesu FT857 and FT950 we made an additional relay for switching the antenna. The transmission line impedance of the twisted wires should be about 150 ohms and the Beverage antenna impedance should be about 450 ohms. We used the transformers of binoculars ferite Amidon BN73-202 and a galvanized water pipe as a ground connection at each termination.
    We used 4 of the 6 directions, two directions closed with 50 ohm terminator. Terminator is made of the connector PL239 and two parallel resistors of 100 ohm.

    Download File:
  • yu5r_bb.pdf


  • YU5R Low Band Remote Antenna Tuner

    We used the 3.5MHz vertical antenna made from aluminum tube (height H=19.5m), and the 1.8MHz inverted L antenna made of wire (total length H+L=37m). The 3.5MHz antenna has over 60 pcs radials (length L=20m), and the 1.8MHz antenna has 16 pcs radials (length L=40m). At the base of each antenna is the antenna tuner with relays and coils. Besides the radio, we used a control box for remote antenna tuner.

    Download File:
  • yu5r_at.pdf


  • YU5R Antenna Rotator

    At the steel „U“ profile dimension: 100x50mm, welded two carriers for mast bearing and carrier for double worm gear with the motor. Below the gears are mounted two switches as a end position and Non-contact Angle Sensor (Hall Effect Potentiometer) as a position indicator.

    Download File:
  • YU5R_AR_v2.pdf
  • YU5R_AR.pdf
  • Link:
  • www.chiaravalli.com
  • www.google: P3020-V1-CW360
  • www.melexis.com/en/product/mlx90316/absolute-rotary-position-sensor-ic


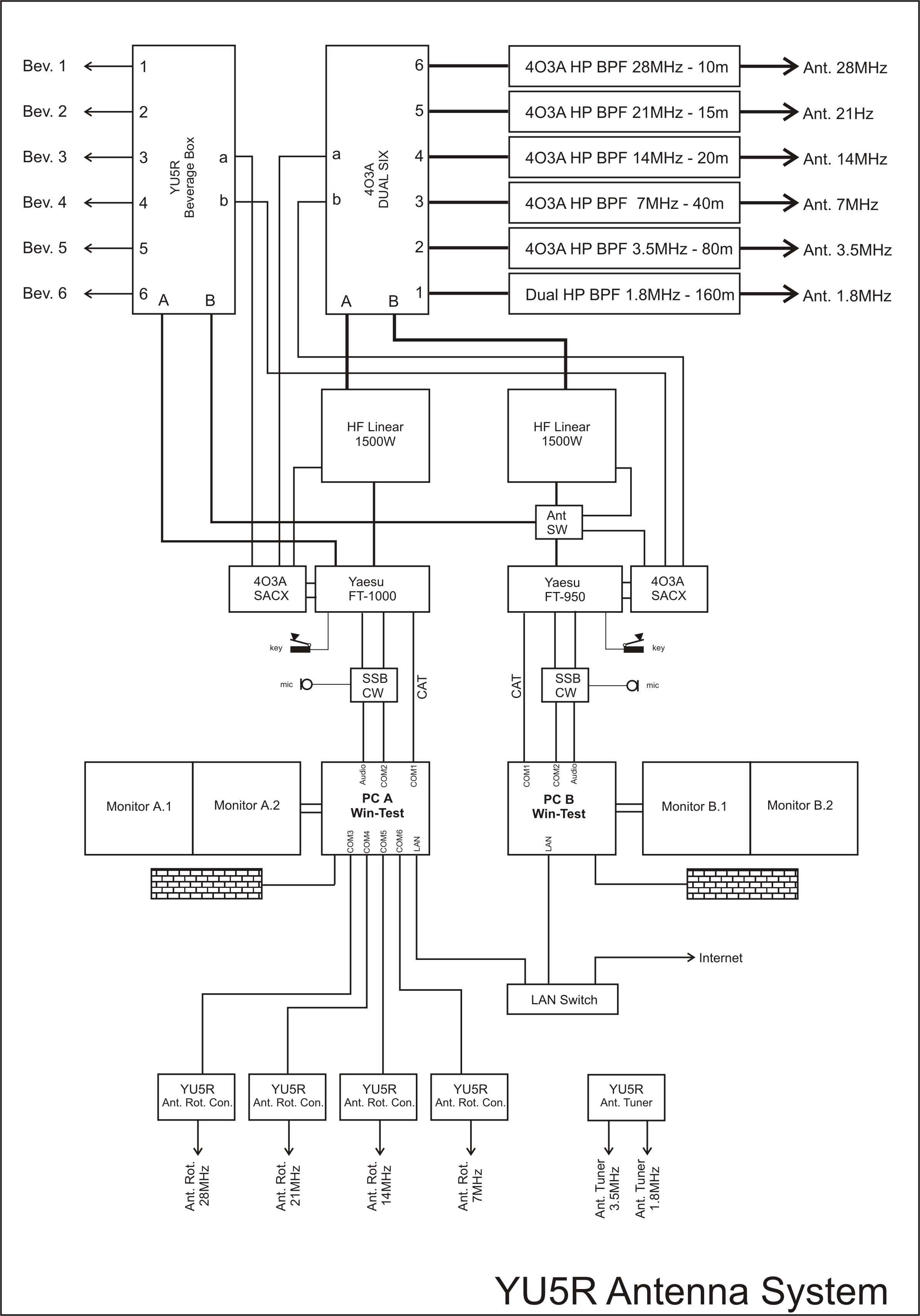
  • YU5R Antenna System

    We used antennas:

  • 28MHz Yagi antenna, 5 elements, 9m long
  • 21MHz Yagi antenna, 5 elements, 11m long
  • 14MHz Yagi antenna, 4 elements, 10m long
  • 7MHz Yagi antenna, 3 elements, 10m long
  • 3.5MHz vertical antenna made from aluminum tube (height H=19.5m)
  • 1.8MHz inverted L antenna made of wire (total length H+L=37m)
  • 4 of the 6 directions, two-directional beverage antennas from a pair of twisted wires from a military telephone cable (176m long and 2m high)
  • View schema:
  • YU5R Antenna System
  • Link:
  • YU7EF
  • 4O3A
  • DUAL
  • PKW Antenna System

  • Win-Test contest software


  • YU5R SSB-CW Box

    View schema, version for YAESU FT-950, FT-1000, ...

  • YU5R SSB-CW Box

  • Link:
  • Win-Test contest software
  • Win-Test Interfaces


  • YU5R PSK-RTTY Box

    View schema, version for YAESU FT-1000MP

  • YU5R PSK-RTTY Box

  • Link:
  • Software for radio amateur digital modes
  • Software for PSK31 mode


  • YU5R PSK Box

    View schema, simple version for YAESU FT-857, FT-950, ...

  • YU5R PSK Box

  • Link:
  • Software for radio amateur digital modes
  • Software for PSK31 mode


  • USB CAT&PSK Box

    View schema, with USB to RS-232 module, opto insulated CAT up to 38400bps and PSK for YAESU FT-857 and PC Laptop:

  • USB CAT&PSK Box

  • Link:
  • Ham Radio Deluxe software
  • MultiPSK - F6CTE software
  • MixW - HAM radio software






  • Voice Keyer Box

    View schema, version the voice keyer with single button:

  • Voice Keyer Box

  • Link:
  • DH8BQA - Single Button Voice Keyer




  • Grounding Systems in the Ham Shack

    This grounding system addresses both the electrical ground and RF grounding requirements in Ham radio. The device is intended for long grounding wires. The grounding device utilizes a coaxial line where the ground wire is enclosed by a shield, such as RG-213 transmission line, to prevent the buildup of high voltage standing wave near the station equipment. This ground line is not length sensitive and can be used at any length without concern. It will keep out RF away from the shack.

    Link:
  • Grounding Systems in the Ham Shack - Paradigms, Facts and Fallacies

  • This is radio amateur projects, all information shown here is supplied without warranty.