



ATI - informacija o modulu AT+COPS? - koji operater AT+CSQ - jačina signala AT+IPR? - kolika je brzina prenosa RS232 AT+IPR=9600 - postavi 9600 bps AT&W - zapanti parametre ATE0 - Echo off ATE1 - Echo on A/ - ponovi zadnju komandu AT+COPS=0,1,"SCGTS" - povezi se na operater SCGTS Brzine prenosa: 115200,57600,38400,19200,9600,4800,2400,1200 AT komande za telefonske pozive: ATD060000000; - pozovi broj ATD>1; - pozovi broj iz memorije, 1. zapis u imeniku ATD>SM1; - pozovi broj iz memorije, 1. zapis u imeniku SIM kartice ARD>"YT2FSG"; - pozovi broj iz imenika AT+CPBS? - proveri tel. imenik, ako je odgovor "SM" = SIM kartica AT+CSCS="GSM" - setuj text mode AT+CPBR=1,6 - čitaj tel. imenik od 1 do 6 mem. AT+CPBW=1,"060000000",129,"YT2FSG" - upiši u memoriju, 1. zapis u meniku AT komande za SMS poruke: AT+CMGF=1 - setuj SMS text mode AT+CSCS="GSM" - setuj text mode AT+CMGS="060000000"<CR> - pošalji SMS poruku > upis texta <Ctrl><Z> AT+CMGL=1 - čitaj poruku br. 1 AT+CMGL="ALL" - čitaj sve poruke AT+CNMI? - new SMS message indications AT+CNMI=2,2,0,0,0 - primljenu poruku pošalji na TE (seriski interface RS-232) AT+CMGW="060000000"<CR> - upiši SMS poruku u memoriju > usis texta <Ctrl><Z> +CMGW: 3 - upisana u memoriju br. 3 AT+CMSS=3 - pošalji SMS poruku iz memorije br. 3
GSM PIC Alarm može da se primeni na objekte van naseljenog mesta, koji su pokriveni GSM signalom.
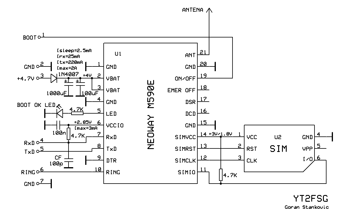
Kod slabijih signala pozeljno je koristiti spoljašnju antenu i zameniti elektrolitski kondezator od 1000uF sa 2200uF ili 4700uF.
Ova verzija alarma napaja se iz akumulatorske baterije 12V, a baterija se puni na solarne panele.
Alarm ima 4 ulazne zone (trenutna, sa kašnjenjem, unutrašnja, 24-časovna) i ključ-prekidač za uključenje alarma.
LED diode za signalizaciju zatvorenost petlji ulaznih zona, alarma, memorija alarma, vreme ulaska, vreme izlaska, sekudni takt,
slanje podataka u GSM modul.
Izlaz alarma za alarmnu sirenu i RS-232, 9600 bps za GSM module M590E ili SIM800L.
Softver poziva brojeve iz SIM kartice u GSM modulu.
Vreme trajanja alarma je 4 min, tako da se na SIM karticu mogu memorisati 4 telefonska broja.
Vreme ulaska je 10 sec a vreme izlaska 20 sec, ova vremena mogu se menjati u softveru .
Kada se kod "GSM PIC Call" digitalni ulaz spoji na masu (GND), softver poziva brojeve iz SIM kartice u GSM modulu. Na SIM karticu memorisati 8 telefonska broja sa imenom: 1, 2, 3, 4, 5, 6, 7, 8. Može da se primeni na uredjaje i objekte van naseljenog mesta, koji su pokriveni GSM signalom. Kod slabijih signala pozeljno je koristiti spoljašnju antenu i dodati na GSM modulu elektrolitski kondezator od 1000uF/6.3V ili 2200uF/6.3V. Ova verzija "GSM PIC Call" napaja se iz akumulatorske baterije 12V, a baterija se puni na solarne panele.
Izgled šeme GSM PIC Call, verzija YT2FSG: