Sequencer with 4 events

    Project based on W6PQL design and schematics http://www.w6pql.com/relay_sequencer.htm

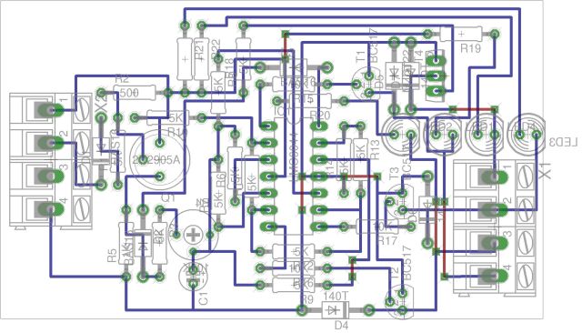
       Pcb was released on Eagle

         

      schematic : http://www.w6pql.com/images/seq-sch.jpg

     

   

   

                final project

   

 

     Back to main page