PLRI Circuits

Click on pictures to enlarge image.

    This page has information on my PLRI circuits. See the left side of the page for other operating modes and projects.
    If this is not visable, click
    here to reload web page.



    Check out PLRI on Wikipedia! PLRI (Parallel Logic Radio Interface).



    NOTICE:

    In response to a "cease and desist" email by Dave Cameron (Creator of IRLP), I will no longer refer to the circuits shown here as IRLP circuits. IRLP is a registered trademark of the Internet Radio Linking Project, and/or Dave Cameron.

    While my circuits are fully compatible with IRLP, these circuits are of my own design, and therefore not reverse-engineered versions of the IRLP board. To avoid confusion, my circuits will hereafter be known as PLRI (Parallel Logic Radio Interface).

    Any mention of the IRLP interface board, or IRLP Voice over IP (VOIP) system is in accordance with the Fair Use provision of Copyright law.



     Multi-radio serial / parallel port interface 
    plri5.jpg - 162102 bytes This interface was developed to be my LAST Computer to Radio interface box. It can support up to 5 simplex radios (or duplex repeaters), and can use any combination of serial or parallel ports.

    In October 2010, I suggested parallel port functions be added to the Asterisk (Allstar) software for PTT/COS/AUX. Jim (WB6NIL) was very accommodating, and quickly added this functionality to app_rpt (Allstar). This approach consists of using an unmodified CM108 USB fob for audio, and a parallel port interface such as the PLRI (or IRLP) for connection to the radios.

    I quickly realized that Asterisk could easily support up to 5 simplex radios, or 5 duplex repeaters, and 3 aux outputs from a single parallel port!

    NOTE: You can scale this design as needed to support from 1 to 5 radios/repeaters.

    Besides the parallel port, two DB9 serial connectors are provided. These ports can be connected to a PC serial port, USB/serial adapter, or just used as additional inputs / output ports.

    The audio section is identical to my homebrew Rigblaster-type interface, and is built 5 times on a single PCB.

    The logic section uses 3 ULN2803 ICs, and 4 MPQ2907 ICs. The ULN2803 has 8 Darlington NPN transistors in an 18 pin IC (50v, 500 mA per switch), and the MPQ2907 has 4 PNP transistors in a 14 pin IC(60v, 600mA per switch).

    The total number of transistor switches is 40. The ICs are socketed, making replacement much easier than with discrete transistors.

    I have configured 1 ULN2803 and 1 MPQ2907 for 12v (RS232 logic), and 2 ULN2803 and 3 MPQ2907 for 5v (Parallel Port/TTL logic).

    This interface is compatible with Allstar / app_rpt, Echolink, TheLinkBox, IRLP, RptDir, TheBridge, as well as any sound card digital mode, such as PSK31, voice keyer, SSTV, etc.

    As with the other PLRI designs, great care is given to maximum flexibility. Positive or negative PTT and COS are supported, and active low or active high auxillary outputs are also supported.

    LEDs are provided for COS, PTT, AUX, and Power.

    Two header pin connections are provided for each transistor switch pin, so that you can connect inputs, outputs, and LEDs as needed. An example would be a radio PTT using a parallel port pin. Connect the parallel port pin to an NPN input, then connect the NPN output to a PNP input and your radio's PTT line. The PNP output (active high) connects to your PTT LED.

    
    NOTE: This list is not yet complete.
    
    Jameco parts list
    -----------------
    1 qty p/n 2117106            10 7" female jumpers   $6.95
    1 qty p/n 149623             26 pin cable           $3.95
    2 qty p/n 1952265            9 pin cable            $1.49
    1 qty p/n 496296             26 pin connector       $1.79
    1 qty p/n 67812              9 pin connector        $.59
    1 qty p/n 51262              7805 5v regulator      $.25
    1 qty p/n 51334              7812 12v regulator     $.25
    1 qty (per radio) p/n 125357 Audio transformer 1:1  $3.49
    3 qty p/n 26454              MPQ2907 IC             $1.25
    2 qty p/n 34315              ULN2803 IC             $.59
    10 qty p/n 23077             LED mounting           $.15
    5 qty p/n 333973             Red LED    (PTT)       $.12
    5 qty p/n 34825              Yellow LED (COS)       $.15
    1 qty p/n 34761              Green LED  (Power)     $.15
    1 qty p/n 152785             Red LED (AUX)          $.12
    1 qty p/n 333201             Green LED (AUX)        $.15
    2 qty p/n 34657              Yellow LED (AUX)       $.12
    1 qty p/n 1849591 (bag of 100) 10k resistor         $2.95
    3 qty p/n 117197 Header Male 80 Position 2.54mm     $1.25
    2 qty p/n 2095437 (per radio) 3.5mm stereo jack     $1.49
    
    Radio Shack parts list
    ----------------------
    1 qty p/n 270-1809 Project Enclosure 8x6x3"         $8.99
    1 qty p/n 276-147 General Purpose PCB 6.13" x 4.5"  $4.49
    1 qty p/n 276-0079 Panel Mount LED holders (5 qty)  $1.99
    1 qty (per radio) 273-1380 Audio transformer CT     $2.99
    1 qty (per radio) 273-1374 Audio transformer 1:1 (discontinued?)
    
    
                                                                                    5 Radio serial / parallel interface (logic PCB) 
    plri5_logic-thumb.jpg - 16500 bytes plri5_details-thumb.jpg - 53464 bytes













       5 Radio serial / parallel interface (rear panel) 
    plri5_rear.jpg - 101578 bytes plri5_audio_pcb-thumb.jpg - 101578 bytes
       5 Radio serial / parallel interface (audio PCB) 













     Asterisk parallel port interface 
    plria.jpg - 16091 bytes This PLRI interface can be used for the Asterisk / Allstar / app_rpt software. Since the DSP code in app_rpt decodes DTMF, there is no need for the hardware DTMF decoder circuitry.

    Features include:

  • Positive or negative PTT keying
  • Positive or negative COS input
  • Auxiliary 1,2,3 outputs
  • LED indicators for Power, PTT, COS, AUX1, AUX2, AUX3
Build it yourself for $10 or less!


No expensive USB fob from overseas needed, just a generic, unmodified CM108 USB fob







MT8870 Availability
I am often asked if the MT8870 DTMF decoder IC is still available. They are readily available in SOIC packages. If you prefer a DIP package (as I do), I suggest searching Ebay for MT8870.


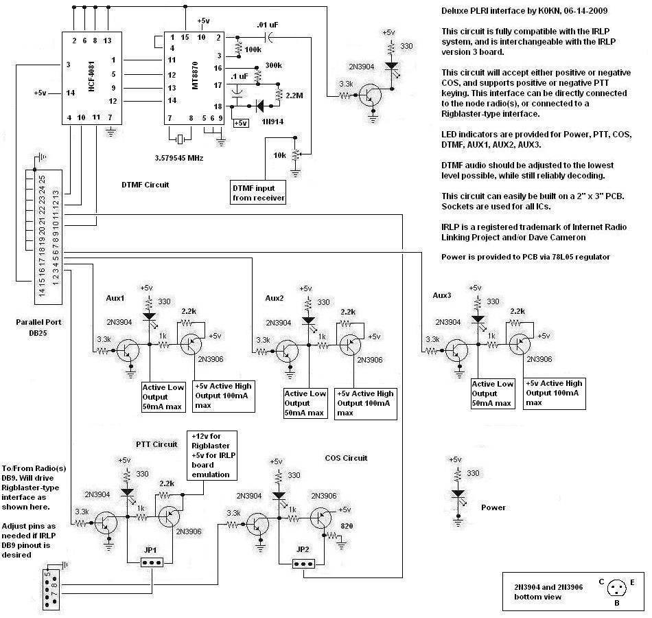
        Deluxe PLRI interface 
plrid.jpg - 111339 bytes This is my deluxe PLRI interface, which has every feature and capability of the IRLP v3 board, including:

  • Hardware DTMF decoder
  • Positive or negative PTT keying
  • Positive or negative COS input
  • Auxiliary 1,2,3 outputs
  • LED indicators for Power, PTT, COS, DTMF, AUX1, AUX2, AUX3
Build it yourself for $20 or less!

This circuit can be used with:
All Star Link (Asterisk)
EchoIRLP
TheLinkBox
RtpDir


Users can operate any VOIP mode supported by the software, including IRLP, Echolink, Asterisk, etc.

This interface can be connected directly to the node radio(s), or used with a Rigblaster-type interface.




plri_both_thumb.jpg - 33041 bytes Here are a couple of prototype PLRI interfaces that I built. These are constucted in an enclosure, not designed to mount inside a PC. I prefer to have the interface near the radio(s) where I can easily observe the status LEDs, and easily connect to the AUX ports.

The plastic enclosure was used at my QTH, while the metal one was built for my repeater site. The circuits inside are identical.







 PLRI Aux 1,2,3 retrofit
aux1.jpg - 55537 bytes




This circuit allows those without V3 boards to utilize the three Auxiliary outputs found on the IRLP Version 3 board.

Note that this circuit as built will handle one auxiliary output. I like to build this circuit on a small PCB and mount it inside a PVC type outlet box.

This is a simple transistor switch configured as a relay driver. In the circuit shown here, the TTL signal from the parallel port causes the transistor to provide a ground signal to our relay.

By using a SPDT relay, we have the option of using both the normally-open (N.O) and normally-closed (N.C) contacts for our auxiliary circuit. For example, I like to use the normally-closed contacts for transmitter control. In this setup, the relay coil remains de-energized most of the time. The only time the relay is energized is when you want to remotely shut off the transmitter.

In this circuit, AC outlets are used to allow typical 120v AC circuits to be controlled, but the circuit is easily adaptable to other needs or requirements. For example, if you'd prefer to switch DC circuits instead, you can substitute a relay rated for your needs.

The 2N3904 transistor is rated for continuous collector current of 100 mA, so make sure that the coil current requirement of your relay is well below 100 mA. outlets.jpg - 105046 bytes

I've found that controlling 120v AC outlets is the ultimate in remote control. Besides switching 120v AC loads, you can connect a 120v AC relay to one of the outlets shown in this circuit. This would provide the user a set of isolated contacts. The sky's the limit here. Connect your garage door opener, doorbell, whatever.

You can also use this isolated set of contacts to switch DC, if desired, up to the rating of the relays.

Keep in mind that the total current draw across the Radio Shack #275-248 relay must not exceed 10A at 120v AC in any situation.





 PLRI board adapter          
plri1.jpg - 62378 bytes This circuit is helpful if you want to use your IRLP node radio for other digital modes, and are looking for a simple way to switch back and forth. For example, you run a simplex node on IRLP, but occasionally want to participate in a SSTV net, or operate PSK31. Such software typically requires a serial port interface.

Using a DB-25 type computer data switch, connect the common port to your IRLP board. Connect one other port to the PC parallel port, and the last port to this circuit. Now you can switch between IRLP operation, and serial port digital modes easily.

This circuit is also compatible with Echolink and most other digital modes, including PSK31.

Another benefit to this circuit is that you can isolate computer problems by using a PC running a different operating system (such as Windows). I don't know of any other adapter to allow using an IRLP board outside of Linux.




 Basic PLRI interface 
plri2.jpg - 115070 bytes This is a simple circuit that allows you to connect a standard Rigblaster-type interface to the IRLP computer for testing purposes.

While I recommend using the deluxe interface shown above, this was the original "proof of concept" circuit and does work.

All features of the IRLP V3 board are supported by this circuit, including DTMF decoding, COS, PTT, etc. Aux 1,2,3 were supported by using external transistor relay drivers (shown separately).

This interface can be used with the same software as the Deluxe interface.




Thank you for visiting my site, I hope that it has been helpful for you. Don't hesitate to email me if you need help with your ham station, or to set up a sked! 73, Kyle





Back to the Main Page





This site requires a frames-compatible browser for proper page viewing. If you're having trouble viewing this page, or want to visit the non-frames page, click here


Last Updated February 26, 2013
©1997-2013 Kyle Yoksh