KC6VDX Band Plan

See you on the air!!

Gear

VX-2R

IC-8A

MFJ-9406

Midland 13-509

Projects

Solar Power

Antenna

Clubs

Palomar ARC

Fallbrook ARC

Home

Globe Patrol

The Science Fair™ Globe Patrol radio

I built this radio from a kit in 1977. It served as my shortwave listening rig for 3 years, until I upgraded to a DX-100.

Features continuous reception from 540 kHz to 30 mHz in 4 bands, regeneration control for increasing sensitivity, and tuning SSB and CW.


This amazing radio could tune in stations from around the globe and deliver them at full speaker volume with only 3 transistors.

It has a regenerative detector, a design that dates back to before the invention of the superheterodyne which is in common use today.

It could be a bit fussy to tune, and would be more to the liking of the hobbyist than the casual listener.

Globe Patrol shortwave radio

 

Inside view

After upgrading to a DX-100 for shortwave listening, I sold my Globe Patrol. Then over 20 years later, I had a desire to experience tuning in signals with such a radio again. I found one on eBay and won the auction. However, it did not perform as I expected, would not go into regeneration and therefore would not pick up any shortwave signals. I was able to eventually get a copy of the manual. I traced the sequence of building, and location of parts. I found a transistor substitution in the regeneration stage. There was also a substitution in an audio stage, but it did not appear to harm the audio.

After ordering an exact replacement for the original transistor, I pulled the substitute out, and put the new one in. What do you know, it worked perfectly! I got my regenerative squeal! With the supplied 10' antenna wire it received signals from Taiwan and WWV time signals. A 50' outdoor antenna pulls in all kinds of signals, from MW stations on up to 27 mHz CB and 10 meter ham.

The Globe Patrol is back!

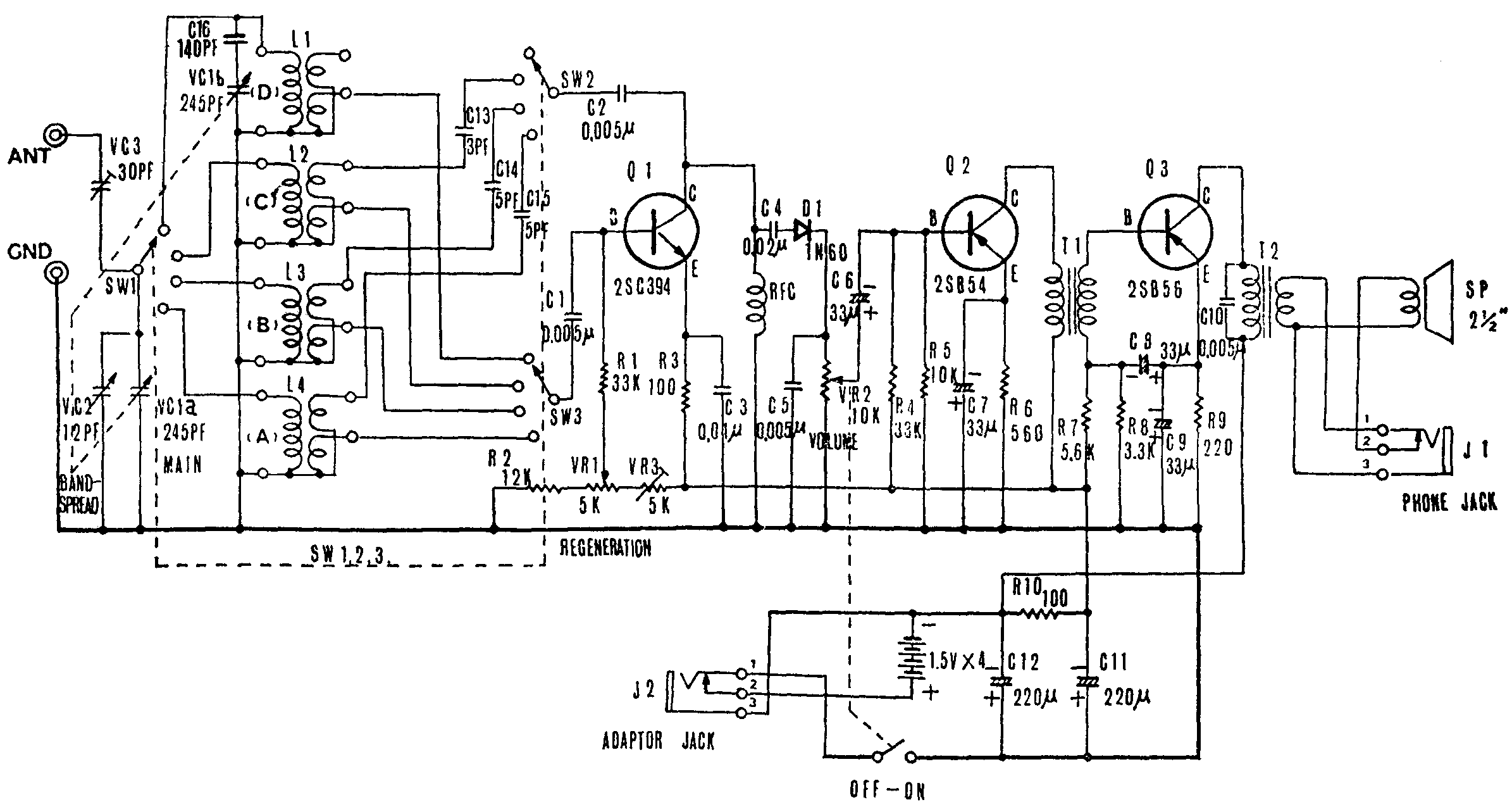
Globe Patrol Schematic

Click to View full size

Globe Patrol Manual

I have scanned a copy of the manual. The scan is from a copy made at 300 dpi, so I spent a lot of time retouching it and cleaning it up. Pages are even, straight and clear of specks. They print decently. It is available in a 2.5 meg PDF file. I am putting it here as a free download so that you can get the best use of your radio. Includes full schematic.

DOWNLOAD HERE

Email KC6VDX

Home