
/p>
目次
- 元のフルレンジユニット
- ソフトドームツイータ PIONNER PT-20
- 16cmウーファ FOSTEX FW168
- ツイータを聴いてみる
- 裸のツーウェィを聴いてみる
- 試聴
フルレンジを2ウェイに
16cmフルレンジのバスレフは、箱はいいのに、使っているフルレンジのユニットがいまいちだったので、思い切って2ウェイにしました。 箱そのものは容量もあり、ダクトも精度が高いので、もっと低音が延びそうなんですが、使われているフルレンジ・ユニットが、メタルキャップのため、中広域にはやりのうるささがあり、相対的に低音不足に聞こえます。センターキャップを剥がすとか、ゴム類でダンプするとかありそうですが、それでは箱が生きてこないので、思い切ってウーファのみ入れました。ツイータは別の箱に入れました。
- 元のフルレンジユニット
FOSTEXのFF-165で、16cm。
私の個人的な感想では、バックロードとかに入れてちょうどいいのでは?というくらい中高域がきつい。このため、相対的に低域が弱く感じる。
BOSEとかJBLと比べれば、おとなしいくらいなのだが、長時間聴くとなると個人的な好みではない。
- ソフトドーム・ツイータ
知る人ぞ知るのPT-20です。
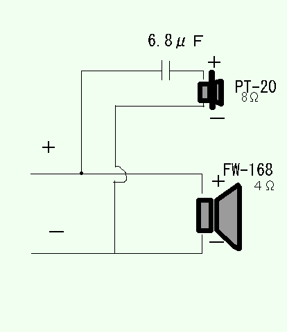
能率が悪く、以下のFW168とアッテネータ無しで繋がるという点が採用の理由。
- ヒノオーディオで購入した16cmウーファ
FOSTEXのFW-168。
箱を加工せずに取り付けられるのと、箱の容量に対しては小振りなので、低域が延びそうだ、、と。
- ツイータを聴いてみる
まず、6dBのローカット(6.8μFフィルムコンデンサー)でまずツイータを繋いでみる。とにかく切れていなかったので良かった。使えるじゃないか。
ハードドームやホーンのように、コウモリの聴く音域まではとても出そうにないが、素直なやさしい音だ。
3kHzでうまくつながりそうな感じだ。
- 裸の2ウェイを聴いてみる
ウーファはそのままつなぐ。バイワイヤリングに対応したアンプで良かった。
中高域域のつながりが良くてびっくりです。
- 試聴
裸で良い結果が期待できたので、慌てて箱に入れました。
自分で書くのも恥ずかしいですが、小音量でもそこにオーケストラがあるように聞えます。
コントラバストとかがはっきりわかるし、ホールの響きもわかります。
ならば、、と、Milt JaksonとWes MontgomeryのBAGS MEETS WES:(OJC-234:リバーサイドのRLP-9407の復刻版)を聴いてみました。
こりゃええわ。
こりゃええわ。
つめるときグラスウールを雑に足したので、部屋がチクチクするのが難点、、
Now JJ0WAJ

平成13年11月29日 de jp3exe ex je2egz, no limit.