ESQUEMAS QRP KITS

Desde los comienzos de las comunicaciones por radio hasta el dia de hoy los avances tecnológicos han sido muy grandes, pero no hay que olvidar que para conseguir esos logros hubo que empezar por dar ese primer paso, y es en el que yo incluyo este receptor que es de lo mas básico para la escucha de las ondas de radio.

Aunque la detección es por un diodo detector de germanio, el circuito es el mismo que el de un receptor de galena

receptor 40M .jpg (123338 bytes)   

 

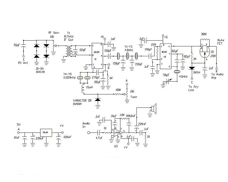
         RECEPTOR PARA LA ESCUCHA DE LA BANDA DE 40M LSB

 

 

Pulsa encima de la imagen para aumentar el tamaño

     esquema.jpg (220173 bytes)

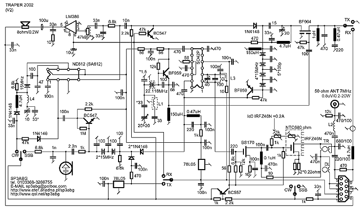
       TRANSCEPTOR EN KIT PARA 40M                        Esquema

          Pulsa sobre la imagen para obtener mas  información

 

lineal 20-40.jpg (162323 bytes)

Lineal para equipos QRP 20 y 40M

KIT qrp para 40M - 20W

traper2.gif (30322 bytes)

Esquema

 

BALUN PARA HF

balun.jpg (86839 bytes)

Construcción de un Balun para HF relación 1/1 para mejorar el rendimiento

de nuestras antenas dipolo

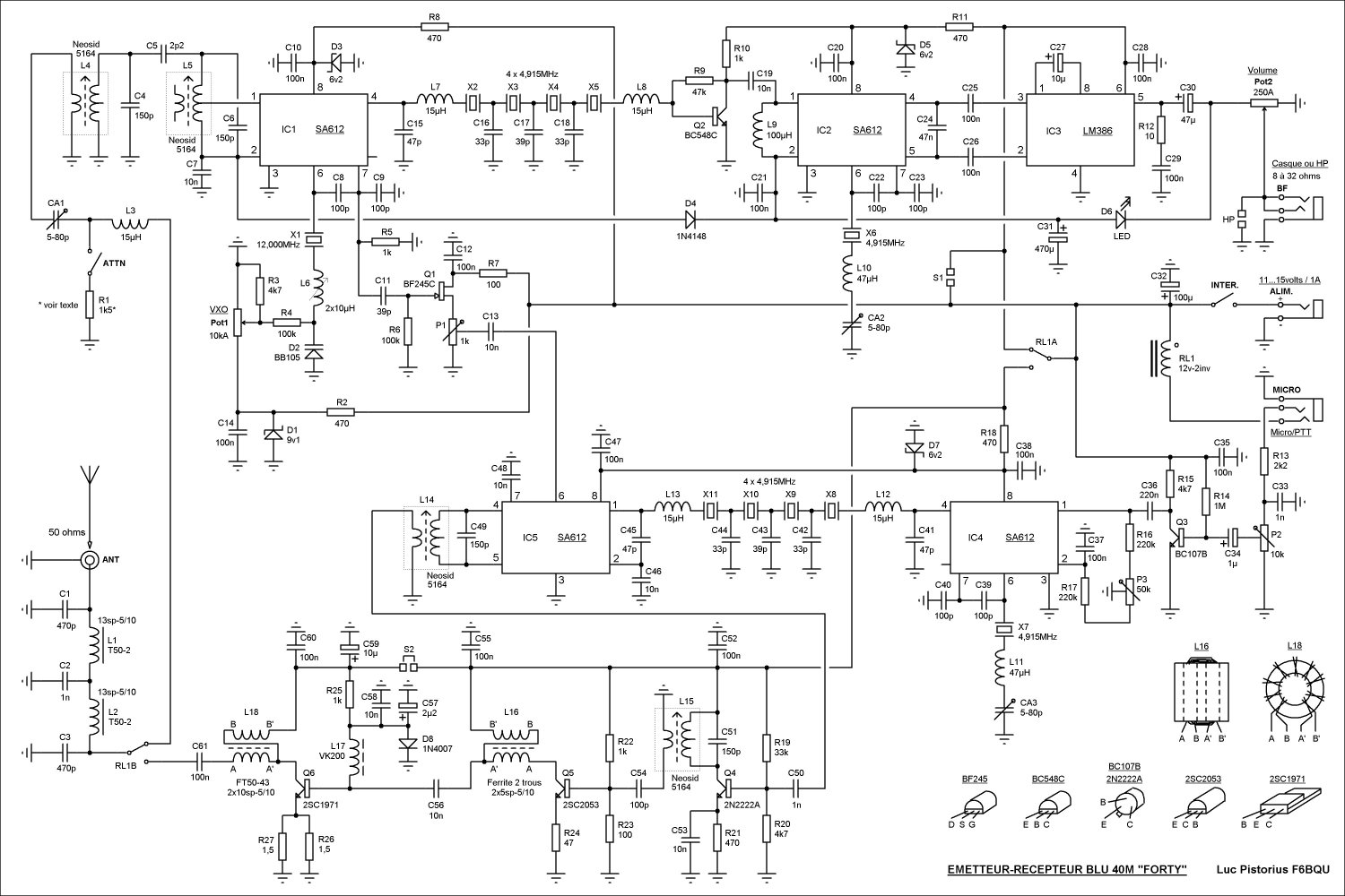
Kit transceptor HF 100W - Elecraft K2 -

Montaje del kajman para 40m SSB realizado por EB1DGC

Proyecto multibanda HF SSB  realizacion  EB1DGC  

Montaje transceptor para la banda de 2m

Descargar el proyecto (1Mb)         Descargar software

Montaje OFV SINTETIZADOR DDS por EA1DNU

 

MONTAJE DE EMISORA DE FM POR EB1DGC

 

KN920  QRP HF TRANSCEIVER

 

 

X1M  - QRP HF TRANSCEIVER SSB  5W

 

 

 

 

McHF transceiver SDR HF

 

 

 

McHF transceiver SDR HF  Mod. Tulipan

 

 

FX-9A HF 9 Banda 10W-15W transceptor HF LSB / USB / CW

 

 

 

TRANSCEPTOR 5W LD-5 : 40/30/20/17/10 Metros 

 

QRP monobanda MODULO HBR602

QRP - 4 BANDAS HF  HAMBUILDER HBR4HF

 

 

TRANSCEIVER SDR MB1

 

 

TRANSCEIVER SDR ICOM-7300

TRANSCEPTOR  VHF UHF CON LOS MODULOS DE LA SERIE DRA

TRANSCEPTOR KN-990    QRP-15W      Manual

TRANSCEPTOR UBITX V5

XIEGU G1M Portable multi-band QRP HF transceiver  web oficial

MINIMA TRANSCEIVER    Esquema

Transceptor SDR Ailunce HS2 HF VHF UHF

 

 

Transceptor multibanda uSDX con Arduino Nano

Esquema Transceptor multibanda uSDX con Arduino Nano

Transceptor uSDX montado y listo para su uso

Video de prueba:

Video 1


 

 

 

Transceptor uSDX mini

 

      

 

 

 

 

 

Transceptor de código Morse DMX-40

 

 

Transceptor de código Morse multibanda MMX

 

 

KITS de walkys monobandas para operar desde  HF hasta VHF en SSB es lo que nos ofrece la casa MIZUHO

TAMBIEM PUEDES ENCONTRAR MAS INFORMACION DE KITS Y ESQUEMAS EN MI BLOG PERSONAL     Pincha aqui

DIRECCIONES WEB QRP MUY INTERESANTES

 

Receptor regenerativo Urmston, de Kanga:

Transceptor BiTX40 (módulo montado)

Frecuencímetro miniatura

Informacion  sobre nuevos kits del Lejano Oriente:

Kits y equipos montados de Ucrania

Manual en inglés del “Octopus” chino

Kits de KC9ON

Generador de RF con Si5351A desde 3.5 kHz hasta 200 MHz de G0UPL

SDR con placas de evaluación de ST

Kit ST a la venta

Kits de EA3GCY

Kits de Sotabeams

Transceptor SDR con Arduino

DDS con Arduino para el transceptor chino

MST3 (Minimalist Sideband Transceiver version 3)

Diseño cajas PCB FR4

 

 

 

 

Web japonesa con kits de unun, balun y filtros

Kits variados de Inglaterra:

Bayour Jumper del 4SQRP

Transceptor SDR de 11 bandas:

Manual en inglés del lineal chino de 45 W:

Filtro de audio DSP de IW2NDH

Kits rusos y polacos en Ebay (RV3YF)

Preamplificador push-pull de SV1AFN:

Comprobador de válvulas

Curso sobre electrónica para comunicaciones (en inglés)

Página sobre ferritas (en inglés)

Generador de frecuencias fijas con SI5351A

Tindie, mercadillo de “tiendas”

Kits de Pacific Antenna:

SW+40 QRP Transceiver Kit k4ICY