MONTAJE DEL QRP MONOBANDA SSB KAJMAN PARA LA BANDA DE 40M

El kajman es un trasceptor monobanda SSB que fue creado para la banda de 80m, toda la información para el desarrollo de este montaje la encontraras en la Web, lo que vamos a realizar aquí es realizar este montaje pero para trabajar en la banda de 40m.

Intentare de la forma mas sencilla posible dar todos los cambios a realizar para llevar este montaje a buen puerto, como aclarar algunas partes que no se dan a conocer en la pagina del autor.

La realización de la placa de circuito impreso es imprescindible que sea a doble cara, este es un punto importantísimo para evitar autoscilaciones se deben de dar el máximo de puntos de unión de masa posible de la cara superior con la  cara inferior de placa de circuito impreso por otro lado la realización de la placa no tiene ningún defecto de diseño.

Solamente una parte de la placa que no esta clara es que el oscilador de frecuencia variable no esta incluido en la placa y hay que realizarlo en una 2ª placa de C.I.

En la fotografía de la derecha se puede observar el tamaño que ocupa el OFV, una de las características técnicas de este oscilador es su gran estabilidad en frecuencia, personalmente e  realizado multitud de osciladores pero este montaje me a sorprendido por su sencillez y estabilidad y una de las ventajas los pocos componentes adicionales que lleva, se puede observar a la izquierda del condensador de ajuste la inductancia de 22microhenrios que forma parte del circuito LC del oscilador, es tal la estabilidad de este oscilador que hasta que no llegas a hacer contacto físico con el condensador de ajuste o con la bobina no se va de frecuencia,

También se puede observar el filtro pasabanda de RX el cual se han eliminado los toroides del esquema original y se a optado  por hacerlo con inductancias fijas de 6,8 y de 10 microhenrios con lo cual se obtiene un ajuste perfecto en 7 Mhz.

 

La tensión de sintonía va desde cero a 6 voltios, con ello vamos a conseguir una excursión de frecuencia de unos 80 khz que al estar controlados por un potenciómetro multivuelta, conseguimos tener una sintonía muy suave y con ello la facilidad para la clarificación de la banda lateral.

  Es importante si se va a usar a la salida del OFV algún tipo de frecuencimetro, dial digital etc.. el uso de un condensador de acoplo debido a que en la salida del oscilador patilla 20 del mc3362 existe una tensión en continua de unos 4,5 voltios y un mal acoplo se podría dañar el oscilador como ocurrió en las primeras pruebas.

                

                     Paciencia y ganas es todo lo que necesitas para realizarlo                                        Detalle del refrigerador del TDA7056

     En la imagen superior esta montado toda la parte de RX la cual se pueden empezar a hacer los primeros ajustes del receptor como llevar el OFV a oscilar en el rango de 3Mhz a 3,1Mhz simplemente con el ajuste del condensador variable, sintonizamos alguna estación y ajustaríamos los condensadores del filtro pasabanda para máximo nivel, así como ajustar los condensadores de ajuste del filtro de 4Mhz realizado con cuarzos ( a poder ser los cuarzos del mismo fabricante para que todos tengan las mismas características ) todos estos ajustes se pueden hacer a oído pero con la ayuda de un osciloscopio conectado en el punto de unión C19 - C18 visualizarías la señal y conseguirás un ajuste mas fino de todo el conjunto.

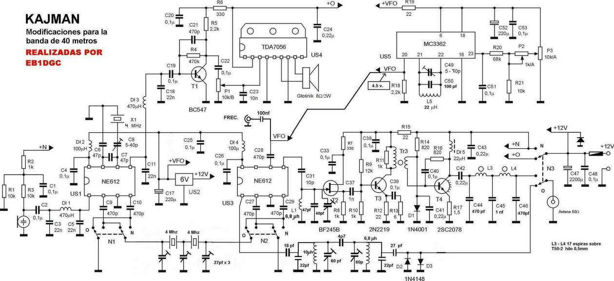
PARA VISUALIZAR EL ESQUEMA AL COMPLETO VERSIÓN 40M PULSA SOBRE LA IMAGEN SUPERIOR

 

 

Parte de la etapa de emisión

El transistor 2SC2078 fue sustituido por un BLW81 como se puede observar en la imagen.

Con transistor SC2078 se obtiene 1W

Con transistor BLW81 se obtiene 3W

EL KAJMAN EN UNA FASE YA MUY AVANZADA DEL MONTAJE

EL QRP YA OPERATIVO

        En la fecha de realización de este articulo puede que para muchas personas no tengan alguna parte del montaje muy clara, pero este articulo puede seguir ampliándose, ya que todavía se sigue trabajando en el kajman para incorporarle dial digital en el panel frontal, como incorporarle los leds de  RX-TX y el interruptor. Una vez se hallan incorporado estos elementos, incorporare la imagen a la pagina.

DETALLE DE COMO INCORPORAR UN SMETER AL KAJMAM

        Aunque el espacio en la placa de C.I. aun podemos incorporarle una pequeña placa en posición vertical que con muy pocos componentes vamos a poder comprobar el nivel de señal del RX, para ello vamos a partir de un esquema muy simple pero muy efectivo, que es el que vemos en la imagen siguiente.

         La resistencia de 4,7k tiene que ir conectada al punto de unión C22 con P1 , alimentamos el circuito con los 6 voltios del regulador del mismo kajman ( No importa que en el esquema la tensión de alimentación sea de 5v , el circuito admite esa tolerancia de 1 voltio y un poco mas ), a continuación le aplicamos una señal al RX ,bien con un Generador RF o con la ayuda de una estación local y ajustamos la resistencia variable para máxima desviación del medidor.

       

DETALLE DE LA PLACA DEL SMETER Y SU UBICACIÓN 

     De momento animaros a la realización de este monobanda y disfrutéis tanto o mas que yo, con los QSO que ya llevo realizados con el.

DETALLE DEL KAJMAN 40M LSB UNA VEZ INCORPORADOS TODOS LOS ELEMENTOS

Después de un par de meses dándole al soldador este es el resultado final  de este pequeño equipo para

poder operar en la banda de 40 metros , desde aquí, animo de nuevo a los aficionados a los  montajes 

a la realización de este transceptor, os sorprenderá su funcionamiento.

 

SI SURGEN DUDAS PODÉIS COMENTARLAS EN EL LIBRO DE VISITA EN LA PAGINA PRINCIPAL E INTENTARE RESPONDER LO ANTES POSIBLE ---- EB1DGC Operador JAVIER ---- PRINCIPADO DE ASTURIAS ---- ESPAÑA

TAMBIÉN EN QRZ.COM

  

Descargate la informacion tecnica de los circuitos integrados y transistores del montaje

 MC3362.PDF

TDA7056.PDF 

NE612.PDF

BF245B.PDF 

2N2219.PDF 

2SC2078.PDF 

BLW81.PDF 

                                                                                                              S30ES.pdf esta es la información del patillaje de los reles

      
        Lista de componentes

R1, R3, R10 10k
R2, R8, R11 1k
R4 470k
R5, R18 2,2k
R6, R7 330 R9 12k
R12, R15, R19 22
R13 6
R14, R16 820
R17 1,5 /0,5W
R20 68k
C1, C2, C4, C19, C20, C22, C25, C26,  0,1uF
C33, C38, C39, C40, C48, C51, C53 0,1uF
C3, C5, C11, C18 22nF
C6, C7,  47pF

C50 , 100pf
C8, C49 5-40pF trymer
C9, C10, C21, C27, C28, C29 470pF
C12, C16 12pF
C13, C14, C15, C35 33pF
C17, C52 220uF
C23 10nf
C24, C41, C42, C43, 0,22uF
C31 10pF
C32, 180pF
C37, C54 1nF
C44, C46 470pF
C45 1nF
C47 2200uF

Cuarzos 4 Mhz.

US1, US3 - NE612,

US2 - LM7806,
US4 - TDA7056,
US5 - MC3362,

T1 - BC547B,
T2 - BF245B,
T3 - 2N2219,
T4 - 2SC2078,

TR3 - bobinar sobre toroide T37-2   12 espiras en primario y 2 espiras  secundario hilo 0,3 a 0,5mm sirve igual

D1 - 1N4001,
D2, D3 - 1N4148,

DŁ1, DŁ3 470uH
DŁ2, DŁ4 100uH
DŁ5 - 22uH  8ohm/5W,
Potenciometros P1-10k/B, P2-1k/A, P3-10k/A
N1, N2, N3 - reles S30ES o equivalente 12VDC

      Descargate la placa de C.I.

 

Modificaciones de LW7DPA,  pincha sobre la imagen para ir a su Blog

Desde Argentina LU6FDC nos envia estas modificaciones de LW7DPA, gracias David por el aporte

 

Primeras pruebas RX montaje LU6FDC

Preparacion de un filtro de 4 cristales en mi caso uso F.I. de 12 Mhz

Vamos selecionando los 4 cuarzos viendo la frecuencia de resonancia , ancho de banda, ganancia que todos esten lo mas identicos posible

Esta es la curva de respuesta de un filtro con condesadores fijos, observamos que la curva del filtro no es lo ideal

Sustituidos los condensadores fijos por variables podemos conseguir un filtro con una  curva ideal

Colocacion filtro encima de los reles deconmutacion

Sustitucion OFV por oscilador DDS con pantalla OLED 0.96 pulgadas

Esquema en bloques

pruebas en protoboard

Salida senoidal a 12Mhz

 

 

 

 

 

 

 

 

 

Enlace desde donde se realizo este DDS

Kajman doble banda 80 y 40m por SQ7JHM

Pincha en la imagem para ver el proyecto