Proyecto SSB transceptor multibanda UBITX V5 desde cero, diseño EB1DGC

 

Este proyecto es la realizacion de un transceptor multibanda HF , el diseño en si es un UBITX V5 en su mayoria se a tomado parte de su esquema en el que se a añadido al circuito impreso todas las mejoras o actualizaciones habidas hasta el momento.

   Esto no es un kit aunque dejare para su descarga los archivos para la realizacion de las placas de circuito impreso para todo aquel interesado en realizar este proyecto.

 Los esquemas y el software debes descargarlo en la web de UBITX V5

La descripción del circuito

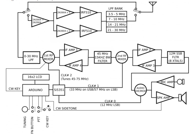
Un enfoque contemporáneo de la radio multibanda es la conversión ascendente de todo el espectro de interés (de 0,5 a 30 Mhz) a una frecuencia intermedia mucho más alta que es al menos 1½ veces la frecuencia de interés más alta (para nosotros, que sería de 45 MHz). Aunque los filtros SSB de banda estrecha están disponibles a 45 MHz, no tienen una buena respuesta además de ser costosos y difíciles de obtener. Por lo tanto, optamos por un filtro de bajo costo, aunque de 15 KHz de ancho, 2 polos y 45 MHz como filtro de techo. Este filtro configura el rango amplio IMD del receptor.

Para sintonizar de 0 a 30 MHz, el primer oscilador sintoniza de 45 MHz a 75 Mhz. En consecuencia, las imágenes de FI serán de 90 MHz a 125 MHz. Estos se eliminan fácilmente con un filtro de paso bajo de 4 secciones en la parte frontal. Una primera Frecuencia Intermedia más alta podría haber resultado en un mejor rechazo de la imagen.

El segundo IF de 11,059 MHz permite un filtro de ancho de banda SSB muy razonable. Se utilizan 8 cristales de bajo costo bien emparejados para obtener un filtro muy suave. 

 

 

 

Diferentes tipos de pantalla que se pueden usar en este proyecto

 

 

EMPEZAMOS

 Comenzamos nuestro proyecto realizando nuestros propios circuitos impreso, uso para ello uso el programa de diseño  el PCB Wizard V3

Esta parte para mi fue la mas laboriosa de todo el proyecto ya que tenia que tener toda la atencion para colocar  los componentes y su conexion.

Se han realizado varias placas del esquema en partes para minimizar fallos y ser mas facil su correcion

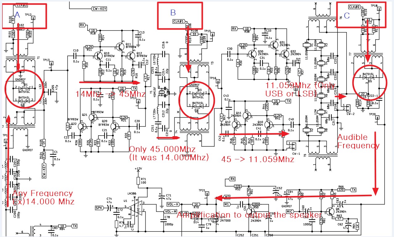
Placa principal incluye las FI - filtro cuarzo y modulo SI5351

Placa principal incluye las FI - filtro cuarzo y modulo SI5351    

Placa principal incluye las FI - filtro cuarzo y modulo SI5351

Placa principal incluye las FI - filtro cuarzo y modulo SI5351

Parte del esquema de la placa principal

Montaje modulo oscilador SI5351

  

Placa y montaje filtros pasabajos

Filtro pasabajos

Esquema filtro pasabajos

Modulo Baja frecuencia incorpora tambiem el preamplificador de micro entre otros

Control CAG en Baja frecuencia

Modulo preamplificador TX

    

preamplificador TX

Preamplificador banda ancha RX

Placa de control digital  con el arduino nano realizando todo el trabajo

Placa control digital

Esquema placa control digital

PCB control digital

Detalle placa control lado pistas dode se observa soldaduras de componentes smd

Al final se opto por la pantalla de 4,3" de Nextion

 

Comprobando el funcionamiento del CAT y el programa Ham Radio de Luxe

Control vumeter

Previo compresor micro esquema Turner 3 plus   

Filtro 45Mhz en primer plano

 

Bobinado trifilar de los toroides, quizas lo mas laborioso del montaje pero con paciencia todo se pue........

Colocando los primeros componentes

 

A la izquierda se puede ver los doble diodos BAT54 y a la derecha kit amplificador HF banda ancha fabricacion china

Amplificador HF , este amplificador no viene montado, tienes que soldar todos los componentes smd como el bobinado de los toroides

Filtro de 11.059

Detalle del filtro, se han sustitudo condensadores fijos por variables para un mejor ajuste de la curva de respuesta y ancho de banda

Curva de respuesta del filtro, despues de ajustar los trimmers variables

 

Mando Dial , impresion 3D

Se a reutilizado la caja de un viejo ordenador para el montaje de este proyecto

Comenzamos con la distribucion de los primeros modulos

 

Ubicacion de la pantalla Nextion en su posicion

 

Primeros arranques y ajustes con el programa Ubitx Manager

 

Preparando el panel frontal

Distribucion componentes panel frontal

 

Acoplamiento panel trasero

Panel trasero distribucion componentes E/S

Panel trasero E/S

 

Pruebas RX 1

 

Pruebas RX 2

Empieza a cojer forma