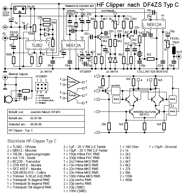
Schalt- Bestückungs- Lötplan
Typ C mit NF Dynamikverdichtung und mech. Collins Filter.
Um den Plan als Datei zu kopieren Cursor mittig auf Plan, rechte Maustaste klicken, und "Grafik speichern unter......" wählen.
(Schaltplan 19 KByte ccsw.gif) - (Bestückungsplan 16 Kbyte ccowk.gif) - (Lötunterseite 11 KByte ccuw.gif)

Typ A Typ B Typ C Typ D
  Anleitung   Leitseite - Home

Schaltplan (19 KByte)



Bestückungsplan (16 KByte)
Lötseite (11 KByte)
Typ A Typ B Typ C Typ D
  Anleitung   Leitseite - Home
aktualisiert 11. April 2000