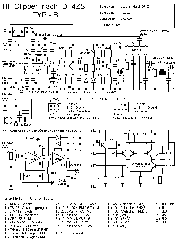
Schalt- Bestückungs- Lötplan
Typ B mit preiswertem SSB-Filter CFWS
Um den Plan als Datei zu kopieren Cursor mittig auf Plan, rechte Maustaste klicken, und "Grafik speichern unter......" wählen.
(Schaltplan 20 KByte cbsw.gif) - (Bestückungsplan 17 KByte cbow.gif) - (Lötseite 12 KByte cbuw.gif)
Typ A Typ B Typ C Typ D
  Anleitung   Leitseite - Home

Schaltplan (20 KByte)



Bestückungsplan  (17 KByte)
Lötseite (12 KByte)

Typ A Typ B Typ C Typ D
  Anleitung   Leitseite - Home
aktualisiert 11. April 2000