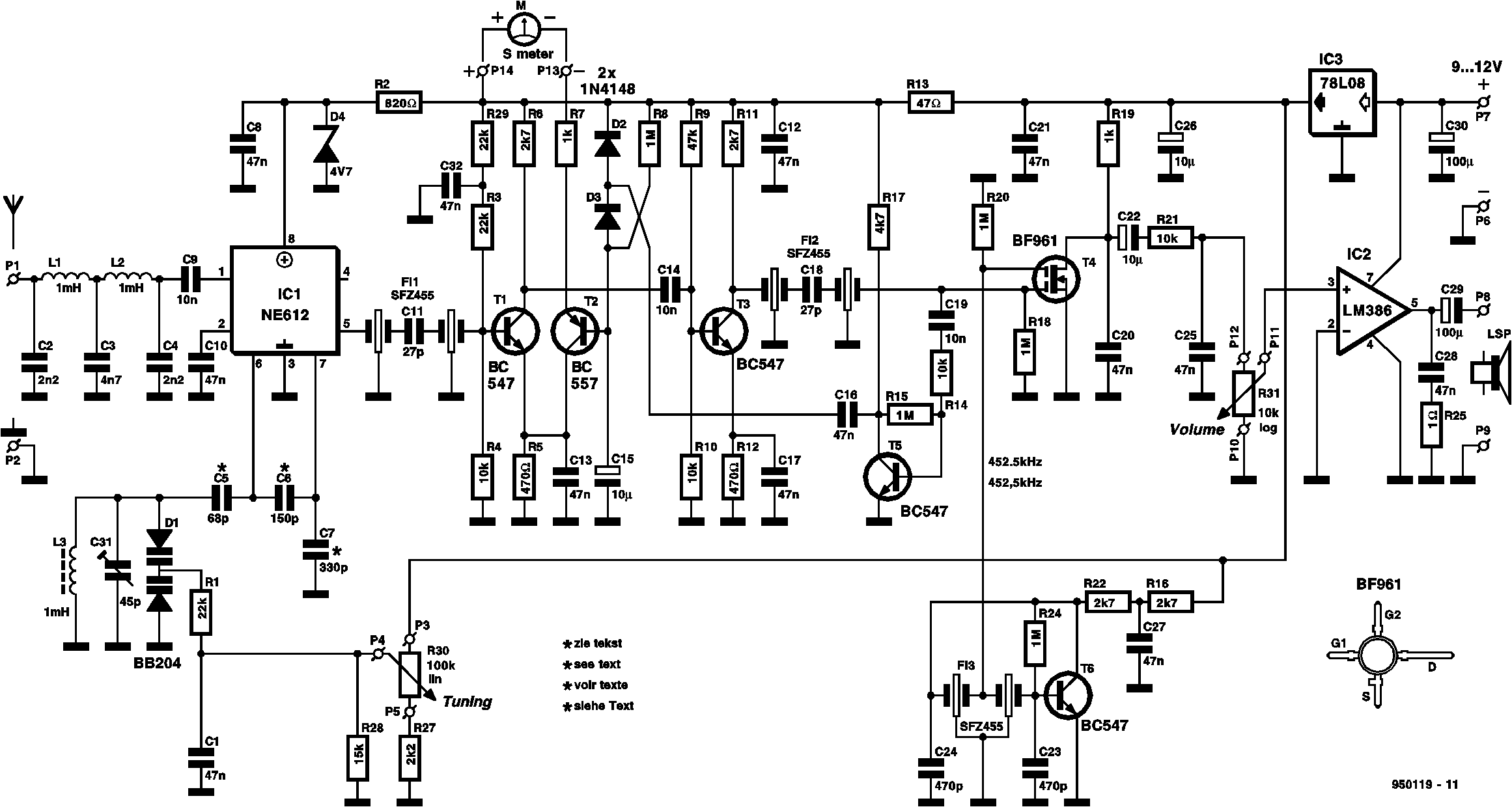
So, hier ist die Schaltung des Empfängers, da in dem Frequenzbereich wofür das Gerät konzipiert wurde keine FAXE(es handelt sich nicht um das dänische Bier!) mehr zu empfangen sind, habe ich eine Mutation für 80m vorgenommen. Holger Eckardt-DF2FQ hat die Daten für 80, 40 sowie 20m bekanntgegeben. Klickt einfach auf das Bild und und die Schaltung erscheint größer. Beim BFO habe ich eine kleine Korrektur vorgenommen, um SSB empfangen zu können. Für C24 und C23, habe ich anstatt von je 470pF, je 1,6nF Styroflex eingesetzt. Die Bauteileliste und anderen Angaben kommen später.

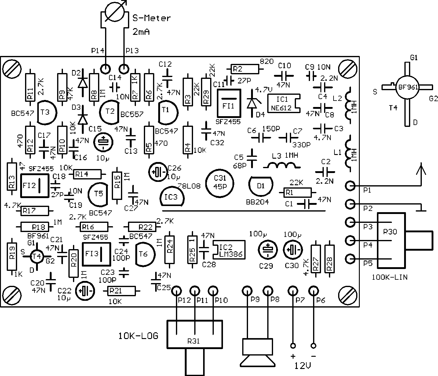
Ihr könnt natürlich eine Platine ätzen, sie hat aber einen kleinen Fehler im Audio-Bereich (Pin 2 und 3-LM386), in Verbindung mit dem LM386. Wenn Ihr auf dem Bild draufklickt, erscheint das bereits korrigierte Bild, also die richtige Platine.

Die Platine wird dann folgender Massen bestückt:

Für den Fax-Empfange braucht Ihr eine Interface, die Eure Schaltung mit dem Rechner verbindet. So könnte sie eventuell aussehen:

Ich verspräche Euch, ich kümmere mich darum und suche die Bauteile-Liste, für ungeduldige, die mit dem Bau nicht mehr warten können, einfach eine E-Mail schicken und ich gebe Euch die Daten der Spulen für das jeweilige Band und so...

Ich habe noch eine FET-Eingangsstufe gebaut und kann jetzt mit einen Meter Draht auch tagsüber die "SSB-Konferenzen" mithören, die immer morgens stattfinden. Später werde ich Euch auch mit dieser kleinen Stufe bekannt machen.    

Im Moment sieht der Empfänger (zum Feier des Tages!) so aus und steht zum Verkauf, gegen Gebot! Die Antenne ist ein Stück Angelleine, aus Stahl, die man für das Fischen von Haie benützt.

          

 

Home Links transceivers receivers  transmitters  RF-Amplifiers  artwork

antennas  Urlaub-holliday-vacance Flohmarkt, Tauschboerse Bauteile-parts PMR Witze-jokes PIC-tools measure and test Fotografie-Pictures

Letzte Aktualisierung: 

15.09.2009-neue Webseiten-Fotografie