Menú Principal:
Antenas
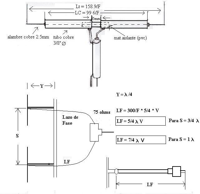
Antena doble Bazooka para VHF
Página de inicio | Fundacion | 1era direct agrupacion | 1era directiva | Actual Directiva | Tarjeta QSL | Nuestra Sede | Repetidor VHF | Repetidores IX region | Cobertura Repetidor | Actividades sociales | Algunas de Trabajo | Antenas | Fotos Traiguen | Temas de Interes | La Radio Aficion | Libro de visitas | Mapa del Sitio
Sub-Menú: