FCZハムバンドコイルデータシート
鉛フリー対策
2006年2月生産分から当社では全量、鉛フリー対策を実施しました。
しばらくの期間、在庫品として従来の製品が存在しますが、鉛フリーの製品 を特に必要とする お客様は直接当社にお問い合わせ下さい。
|
類似品に御注意下さい。
最近一般市場において、「FCZコイル」と称して類似品を販売しているケースが報告されております。 類似品を購入さ
れて製作を行なった場合、再現性を損なうことがありますがその件につきましては当社としては責任を持てません。 御購入の際は必ずFCZ研究所の製品であ
ることを示す、ケースの同調側側面にある「FCZ」の印字お確かめ下さい。
|
公式データ その使い方
FCZハムバンドコイルには汎用コイルとして05S,07S,10Sの3種類(大きさの違い)があり、これらの他に特種用途
用のコイルも用意してあります。
機種の詳細については下記の機種一覧表、寸法表等を参照して下さい。
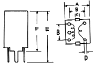
寸法表のピンの接続図はコイルの底側から見た図ですので間違えないようにして下さい。
本コイルを各アマチュアバンドで使用する場合は標準的にデータシートの表3に示すコンデンサをコイルの1,3ピンと並列に接続して御使用下さい。
1-3間の巻方は10S144を除きバイファイラ巻きになっています。したがって2番ピンは完全に中央タップとなっています。 各タイプのコイルのデー
タシートは上記から選択して下さい。
第1表 FCZコイル、機種一覧表
|
10S
|
1
|
1R9 |
3R5 |
5
|
7
|
9
|
14
|
21
|
28
|
50
|
80
|
144
|
|
07S
|
1
|
1R9 |
3R5 |
5
|
7
|
9
|
14
|
25
|
50
|
80
|
144
|
|
05S
|
-
|
-
|
-
|
-
|
-
|
-
|
14
|
21
|
28
|
50
|
80
|
144
|
第2表 各アマチュアバンドへの応用は次の表を参考にしてください。
| BAN・COIL・ |
MHz |
1
|
1.9 |
3.5 |
3.8 |
7 |
10 |
14 |
18 |
21 |
24 |
28 |
50 |
144 |
| 10S |
COIL |
1
|
1R9 |
3R5 |
3R5 |
7 |
9 |
14 |
14 |
21 |
21 |
28 |
50 |
144 |
| pF |
820 |
390 |
220 |
180 |
120 |
82 |
68 |
39 |
39 |
33 |
33 |
15 |
7* |
| 7S |
COIL |
1
|
1R9 |
3.5 |
3.5 |
7 |
9 |
14 |
14 |
25 |
25 |
25 |
50 |
144 |
| pF |
820 |
390 |
180 |
150 |
100 |
68 |
68 |
39 |
47 |
39 |
33 |
15 |
7* |
| 05S |
COIL |
-
|
- |
- |
- |
- |
- |
14 |
14 |
21 |
21 |
28 |
50 |
144 |
| pF |
-
|
- |
- |
- |
- |
- |
68 |
39 |
39 |
33 |
33 |
10 |
7* |
第3表 寸法表
|
05S
|
07S
|
10S
|
|
|
A
|
5.7
|
7.2
|
10.0
|
|
B
|
3.5
|
4.5
|
7.0
|
|
C
|
0.8
|
1.0
|
1.5
|
|
D
|
0.4
|
0.7
|
0.7
|
|
E
|
11.3
|
15.3
|
16.5
|
|
F
|
8.2
|
12.0
|
12.0
|
第4表 価格表
|
種類
|
単価(税込)
|
送料
|
| 10S,07S(但し07S40Kを除く),特殊用途コイル |
180円
|
個数にかかわらず、150円
|
| 05S,07S40k |
220円
|