4F5AWW@QSL.NET 4F5AWW@QSL.NET
  Search This Site: 
Advanced Search?   Search Tips

MODULE V - FUNDAMENTALS OF ELECTRONICS

  • DIODES

    What Are Diodes?

    Diodes are semiconductor devices which might be described as passing current in one direction only. The latter part of that statement applies equally to vacuum tube diodes. Diodes however are far more versatile devices than that. They are extremely versatile in fact. It might pay you to review the topic of Electron theory and atoms

    Diodes can be used as voltage regulators, tuning devices in rf tuned circuits, frequency multiplying devices in rf circuits, mixing devices in rf circuits, switching applications or can be used to make logic decisions in digital circuits. There are also diodes which emit "light", of course these are known as light-emitting-diodes or LED's. As we say diodes are extremely versatile.

    A few schematic symbols for diodes are:

    schematic symbols for diodes

    Figure 1 - schematic symbols for diodes

  •     

    Types of Diodes

    The first diode in figure 1 is a semiconductor diode which could be a small signal diode of the 1N914 type commonly used in switching applications, a rectifying diode of the 1N4004 (400V 1A) type or even one of the high power, high current stud mounting types. You will notice the straight bar end has the letter "k", this denotes the "cathode" while the "a" denotes anode. Current can only flow from anode to cathode and not in the reverse direction, hence the "arrow" appearance. This is one very important property of diodes.

    The second of the diodes is a zener diode which are fairly popular for the voltage regulation of low current power supplies. Whilst it is possible to obtain high current zener diodes, most regulation today is done electronically with the use of dedicated integrated circuits and pass transistors.

    The next of the diodes in the schematic is a varactor or tuning diode. Depicted here is actually two varactor diodes mounted back to back with the DC control voltage applied at the common junction of the cathodes. These cathodes have the double bar appearance of capacitors to indicate a varactor diode. When a DC control voltage is applied to the common junction of the cathodes, the capacitance exhibited by the diodes (all diodes and transistors exhibit some degree of capacitance) will vary in accordance with the applied voltage. A typical example of a varactor diode would be the Philips BB204G tuning diodes of which there are two enscapsulated in a TO-92 transistor package. At a reverse voltage Vr (cathode to anode) of 20V each diode has a capacitance of about 16 pF and at Vr of 3V this capacitance has altered to about 36 pF. Being low cost diodes, tuning diodes have virtually replaced air variable capacitors in radio applications today.

    The next diode is the simplest form of vacuum tube or valve. It simply has the old cathode and anode. These terms were passed on to modern solid state devices. Vacuum tube diodes are mainly only of interest to restorers and tube enthusiasts.

    The last diode depicted is of course a light emitting diode or LED. A led actually doesn't emit as much light as it first appears, a single LED has a plastic lens installed over it and this concentrates the amount of light. Seven LED's can be arranged in a bar fashion called a seven segment LED display and when decoded properly can display the numbers 0 - 9 as well as the letters A to F.

    Rectifying Diodes

    The principal early application of diodes was in rectifying 50 / 60 Hz AC mains to raw DC which was later smoothed by choke transformers and / or capacitors. This procedure is still carried out today and a number of rectifying schemes for diodes have evolved, half wave, full wave and bridge rectifiers.

    rectifying diodes

    Figure 2 - rectifying diodes

    As examples in these applications the half wave rectifier passes only the positive half of successive cycles to the output filter through D1. During the negative part of the cycle D1 does not conduct and no current flows to the load. In the full wave application it essentially is two half wave rectifiers combined and because the transformer secondary is centre tapped, D1 conducts on the positive half of the cycle while D2 conducts on the negative part of the cycle. Both add together. This is more efficient. The full wave bridge rectifier operates essentially the same as the full wave rectifier but does not require a cetre tapped transformer. Further discussion may be seen on the topic power supplies.

    A further application of rectifying diodes is in the conversion or detection of rf modulated signals to audio frequencies. Typical examples are am modulated signals being detected and early detection schemes for fm also used diodes for detecting modulation.

    Voltage Regulating Diodes

    For relatively light current loads zener diodes are a cheap solution to voltage regulation. Zener diodes work on the principle of essentially a constant voltage drop at a predetermined voltage (determined during manufacture). An example is a Philips BZX79C12 type with a regulation range between 11.4V and 12.7V but typically 12V and a total power dissipation of 500 mW in a DO-35 package. The dissipation can be extended by using a series pass transistor, see power supplies. Notice in figure 3 there is a resistor to miminmise current drawn but mainly as an aid to dropping the supply voltage and reducing the burden on the zener diodes.

    zener voltage regulation diodes

    Figure 3 - zener voltage regulation diodes

    In the second schematic of figure 3 we have three zener diodes in series providing voltages of 5V, 10V, 12V, 22V and 27V all from a 36V supply. This configuration is not necessarily recommended especially when the current being drawn is seriously mismatched between voltages. It is presented purely out of interest.

    Varactor or Tuning Diodes

    These types of diodes work on the principle that all diodes exhibit some capacitance. Indeed the zener diode BZX79C12 quoted above has, according to the data book, a capacitance of 65-85 pF at 0V and measured at 1 Mhz.

    For AM Radio band applications a specific diode has been devised. The Philips BB212 in a TO-92 case is one such type. Each of the diodes has a capacitance of 500 - 620 pF at a reverse bias of 0.5V and <22 pF at 8V. This diode's capacitance ratio is quoted at 22.5:1 which could not be achieved easily if at all with an air variable capacitor. This type of diode is depicted in figure 1 above.

    Several obvious advantages come immediately to mind, a small transistor type package, very low cost, ease of construction on a circuit board, can be mounted away from heat generating devices, frequency determining circuitry entirely dependent upon resistor values and ratios, DC voltage control can be either from frequency synthesiser circuits or perhaps a multi-turn potentiometer. Such a potentiometer aids band spreading and fine tuning if two potentiometers are used. The only real limitation is your imagination and the calculations involved.

    Diodes as frequency multipliers

    Just one more example of the versatility of diodes is the frquency doubling circuit depicted in Figure 4. Now if that looks a lot like the full wave rectifier from figure 2 above you would be correct. That is why the ripple frequency for 50 / 60 Hz always comes out at 100 / 120 Hz.

    diodes as frequency multipliers

    Figure 4 - diodes as frequency multipliers

    Here the input is a wide band transformer and the signal passes to a full wave rectifier comprising two 1N914 diodes. The DC component caused by the rectification passes to ground through RFC which of course presents a high impedance to the rf porion of the signal but essentially a short circuit for DC. The original signal should be down about 40 dB and with this type of circuit there would be a loss of somewhere around 7.5 dB so the 2 X signal would require further amplification to restore that loss.

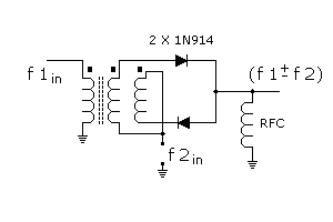
    Diodes as Mixers

    With some subtle re-arrangement to figure 4 we can get the circuit to function as a two diode frequency mixer. Note that there are other diode arrangements as well in this application.

    diodes as frequency mixers

    Figure 5 - diodes as frequency mixers

    The diodes here act as switches and it can be mathematically shown that only the sum and difference signals will result. For example, if F1 was 5 Mhz and F2 was 3 Mhz then the sum and difference signals from the diodes would be 8 Mhz and 2 Mhz. None of the original signals appear at the output and this is a most important property of using diodes as mixers.

    It should be noted that although 1N914 diodes are depicted you would normally use hot carrier diodes in any serious application and the diodes need to be well matched.

    Applications of switching Diodes

    Similar types of diodes have been developed specifically for band switching purposes. Although a typical 1N914 type switching diode can be used for such purposes it is preferable to use diodes which have been optimised for such purposes because the Rd on is much lower. This means the diode resistance Rd can have a serious affect on rf circuits in particular the "Q" of a tuned circuit. One example of a low Rd device is the Philips BA482 diode used for band switching in television tuners. It has a typical Rd of 0.4 ohms at a forward current of 10 mA.

    In figure 5 we have one application where switching diodes operate. All diodes serve to switch in or out capacitors in the diagram which is presented here just to illustrate one single application of switching diodes, many, many more applications exist. Again the limit is your imagination.

    applications of switching diodes

    Figure 6 - applications of switching diodes

    The switching diodes in figure 4 switch in or out successively higher values of capacitors as each control select line is "grounded". The voltage from the +5V feed line proceeds through the diode at DC thus opening the diode and making it appear "transparent" for rf purposes. The capacitor with the value attached is then "switched" into circuit. Other components marked RFC and Cbp are chokes and bypass capacitors for "clean" switching. The bypass capacitors and choke values would be determined by the frequency of operation.

    We could just have easily have switched inductors instead of capacitors. Note why Rd is quite important on overall circuit performance. If we were using inductors the diode resistance Rd would have a significant affect on inductor "Q" which in turn would affect filter performance, if it was in fact an LC filter application.

    Switching Diodes in Logic Circuits

    In the schematic of figure 7 we have this counter which divides by successive division of two for twelve stages. Initially because there is no voltage drop across the resistor a high appears on all anodes as well as on pin 4 the master reset causing the counter to reset forcing all outputs low and in turn a voltage drop across each diode and across the resistor and a low on reset.

    Progressively each of the outputs change from low to high for a certain period of time and without unduly complicating matters when all outputs as selected by our diode combination (in this particular case 1 + 2 + 32 + 64 = 99) are simultaneously high the voltage drop across the resistor will cease and cause pin 11 (reset which was formerly low) to go high and reset all the internal ripple counters.

    applications of switching diodes in digital logic circuits

    Figure 7 - applications of switching diodes in digital logic circuits

    At the same time pin 4 changes state also with reset. It can been shown this happens once every 99 periods. Simply by placing diodes on the right outputs we can select to divide by any number up to 4095 using this particular counter.

    Light-Emitting-Diodes or LED's

    Many circuits use a led as a visual indicator of some sort even if only as an indicator of power supply being turned on. A sample calculation of the dropping resistor is included in figure 8.

    connecting light emitting diodes (LED's) to supply

    Figure 8 - connecting light emitting diodes (LED's) to supply

    Most leds operate at 1.7V although this is not always the case and it is wise to check. The dropping resistor is simply the net of supply voltage minus the 1.7V led voltage then divided by the led brightness current expressed as "amps" (ohms law). Note the orientation of both cathode and anode with respect to the ground end and the supply end. Usually with a led the longer lead is the anode.

  • Transistors
  • "Q"
  • Radio Terminology A-L
  • Radio Terminology M-Z
  • Atttenuators
  • Chokes
  • Decibel & Toroids
  • Digital Basics
  • Power Supplies
  • Conclusion
  •  Subscribe For A Free Ham Radio E-Tutorials 

    Back To Top

        

    Tell A Friend!
    Type In Your Name:

    Type In Your E-mail:

    Your Friend's E-mail:

    Your Comments:

    Get copy: 



    Copyright �2000-2002 [email protected] -- All Rights Reserved -- Designed by WebCreations