 |
SLAVE Temperaturni kontroler STC-52
- Uloga: Temperaturni PID kontroler sa povratnom petljom sa tri stanja, za upotrebu na
industrijskim pećima
sa električnim grejačima. Temperatura se zadaje ručno pomoću tastature ili automatski od MASTER procesnog kontrolera MPC-68 preko SPI
interfejsa. Parametri i
konfiguracioni podaci čuvaju se u EEPROM memoriji.
- Ulazi: 2 digitalna ulaza, galvanski izolovana optokaplerima, (AUTO, ALARM).
- Izlazi: 2 relejna izlaza (grejači zvezda / trougao).
- Analogni ulazi: 2 analogna ulaza
- Senzor Tip K = NiCr-Ni (0-1300°C)
- 0-5V (4-20mA)
- Opseg: 0-2000°C.
- Rezolucija: 12 bita (1:4096).
- Tačnost merenja sa linearizacijom krive termopara: < 0.1%
- Indikacija: 4-cifarski 7-segmentni LED displej.
- Komunikacija: SPI interfejs (Opcija: RS-485 galvanski izolovan).
- Napajanje: 220Vac.
- Dimenzije: 96x96x100mm.
|
 |
SLAVE Temperaturni kontroler STC-54
- Uloga: Temperaturni PID kontroler sa povratnom petljom sa tri stanja, za upotrebu na
industrijskim pećima sa električnim grejačima. Temperatura se zadaje ručno pomoću tastature ili
automatski od MASTER procesnog kontrolera MPC-68 preko SPI interfejsa. Parametri i
konfiguracioni podaci čuvaju se u EEPROM memoriji.
- Ulazi: 2 digitalna ulaza, galvanski izolovana optokaplerima, (AUTO, ALARM).
- Izlazi: 2 relejna izlaza (grejači zvezda / trougao).
- Analogni ulazi: 1 analogni ulaz
- Senzor Tip J = Fe-CuNi (0-600°C)
- Senzor Tip K = NiCr-Ni (0-1000°C)
- 0-5V (4-20mA)
- Opseg: 0-1000°C.
- Rezolucija: 10 bita (1:1024).
- Tačnost merenja sa linearizacijom krive termopara: < 0.5%
- Indikacija: 4-cifarski 7-segmentni LED displej.
- Komunikacija: SPI interfejs (Opcija: RS-485 galvanski izolovan).
- Napajanje: 220Vac.
- Dimenzije: 96x96x100mm.
|
 |
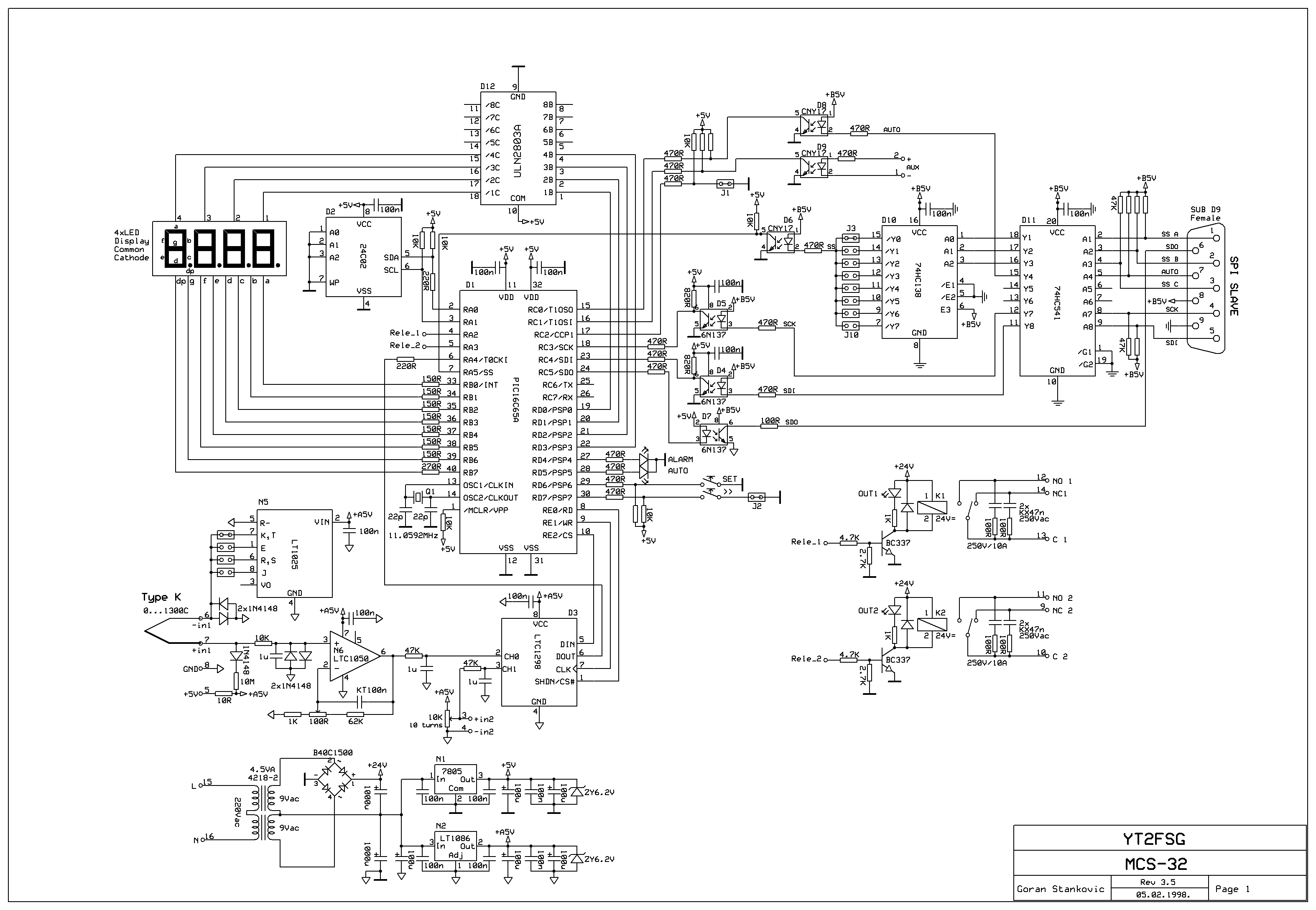
SLAVE PID Temperaturni kontroler MCS-31
- Uloga: Temperaturni PID kontroler sa povratnom petljom sa tri stanja, za upotrebu na
industrijskim pećima sa električnim grejačima. Temperatura se zadaje ručno pomoću višeobrtnog
potenciometra ili automatski od MASTER procesnog kontrolera MCM-20 preko SPI
interfejsa. Parametri i konfiguracioni podaci čuvaju se u EEPROM memoriji.
- Ulazi: 2 digitalna ulaza, galvanski izolovana optokaplerima, (AUTO, ALARM).
- Izlazi: 2 relejna izlaza (grejači zvezda / trougao).
- Analogni ulazi: 2 analogna ulaza
- Potenciometar
- 0-5V (4-20mA)
- Opseg: 0-2000°C.
- Rezolucija: 12 bita (1:4096).
- Tačnost merenja sa linearizacijom krive termopara: < 0.1%
- Indikacija: 4-cifarski 7-segmentni LED displej.
- Komunikacija: SPI interfejs (Opcija: RS-485 galvanski izolovan).
- Napajanje: 220Vac.
- Dimenzije: 96x96x100mm.
Download upustvo za rukovanje:
MCS-31.pdf
|
 |
SLAVE PID Temperaturni kontroler MCS-42
- Uloga: Temperaturni PID kontroler sa povratnom petljom sa tri stanja, za upotrebu na
industrijskim pećima sa električnim grejačima. Temperatura se zadaje ručno pomoću tastature ili
automatski od MASTER procesnog kontrolera MCM-20 preko SPI interfejsa. Parametri i
konfiguracioni podaci čuvaju se u EEPROM memoriji.
- Ulazi: 2 digitalna ulaza, galvanski izolovana optokaplerima, (AUTO, ALARM).
- Izlazi: 2 relejna izlaza (grejači zvezda / trougao).
- Analogni ulazi: 1 analogni ulaz
- Senzor Tip J = Fe-CuNi (0-600°C)
- Senzor Tip K = NiCr-Ni (0-1000°C)
- 0-5V (4-20mA)
- Opseg: 0-1000°C.
- Rezolucija: 10 bita (1:1024).
- Tačnost merenja sa linearizacijom krive termopara: < 0.5%
- Indikacija: 4-cifarski 7-segmentni LED displej.
- Opcija komunikacija: SPI interfejs (RS-485) galvanski izolovan.
- Napajanje: 220Vac.
- Dimenzije: 96x96x100mm.
|
 |
PI Temperaturni i Procesni Kontroler MCTT-10
- Uloga: Temperaturni PI kontroler sa povratnom petljom sa dva stanja, za upotrebu na
industrijskim pećima sa električnim grejačima. Peći se koriste za termičku obradu bakelitnih proizvoda (brusne ploče).
Kontroliše grejanje, hladjenja i ventilator. Mogu se kreirati 10 programa. Svaki program može da sadži do 10 segmenata.
Segmenti se definišu zadatom vrednošću i vremenom segmenta (max 100 sati).
Zadate vrednosti i vreme (program) mogu da se formiraju, menjaju ili brišu ručno pomoću tastature. Program može da se
startuje ručno tasterima. Programi, parametri i konfiguracioni podaci čuvaju se u EEPROM memoriji.
- 8 Logicka ulaza (Active Low) za dijagnozu gresaka u energetskim komponentama,
- 8 Logicka izlaza (Active Low),
- Analogni ulaz: Sensor Pt-100, (2-zicna konekcija),
- Opseg: 0...250°C,
- Resolution: 12 bit (1:4096),
- Tačnost merenja sa linearizacijom krive termopara: < 0.1%
- Indikacija: 2x16 karaktera LCD matricni displej (pozadisko osvetljenje),
- Komunikacija: RS-485 galvanski izolovan,
- Napajanje: 2x 5V dc,
- Dimenzije: 96x96x150mm.
Download upustvo za rukovanje:
MCTT-10.pdf
|
 |
Baferna Ploca i Napajanje MCTT-11
- Uloga: Baferna Ploca i Napajanje za MCTT-10. Povezivanje MCTT-10 i
MCTT-11 je pomocu 26-pinskog konektor-kabl-konektor.
- 8 ulaza:
- 2 Optokaplera (Otvorena vrata, Temperatura visoka),
- 1 Senzor (Ventilator nema fazu),
- 1 Senzor (Ventilator greska),
- 3 Senzora (Triac/Grejac greska),
- 8 izlaza:
- 3 Releja 8A (Kontaktor uklj./isklj., Ventilator levo, Ventilator desno),
- Optotriac/Triac 8A (Hladjenje),
- Optokapler/Transistor (Grejanje),
- Optokapler (Alarm),
- LED (Sekunde),
- Napajanje: 2x 12V ac,
- Dimenzije: board 220x145x30 mm.
|