Links
Automatic Antena Tuner

Am urmarit de multa vreme construirea unui astfel de aparat pentru statia mea de radio. Scheme si proiecte sunt pe net cate vrei, dar eu m-am oprit la un proiect gasit pe site-ul lui UR4QBP.
Acelasi proiect s-a discutat pe larg si pe forumul:


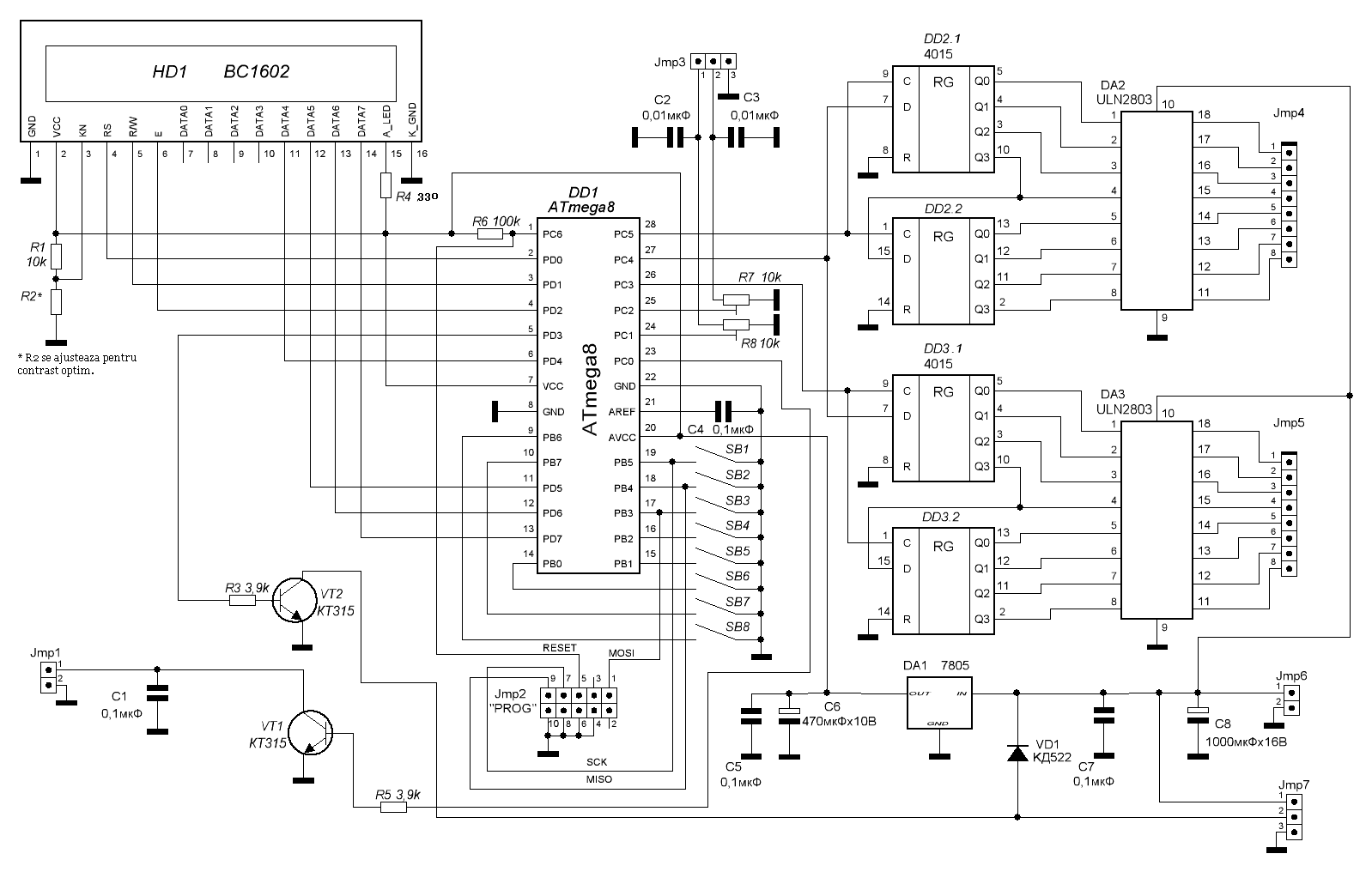
    Controlul acestui AAT se face din 8 taste aflate pe panoul frontal astfel:
  1. C+ tasta pentru crestere valoare "C" in modul MANUAL si activare vizualizare tensiuni Fw-Rv
  2. C- tasta pentru descrestere valoare "C" in modul MANUAL si activare vizualizare SWR "on-line"
  3. L+ tasta pentru crestere valoare "L" in modul MANUAL si activare TUNER ON/OFF
  4. L- tasta pentru descrestere valoare "L"
  5. B+ tasta pentru schimbare Banda + in mod Auto si schimbare mod L-C sau C-L in mod manual
  6. B- tasta pentru schimbare banda - in mod Auto
  7. MANUAL tasta pentru activare mod manual ON/OFF
  8. AUTO tasta pentru activare mod Automatic Tune, apasata lung sau vizualizare SWR, apasata scurt
Pe display se vizualizeaza valoarea "L" si valoarea "C", Banda in care se face acordul, iar pe randul de jos se vizualizeaza valoarea SWR-ului si un bargraf analogic. In stand-by valoarea SWR-ului este inlocuita cu inscriptia "HIGH".  

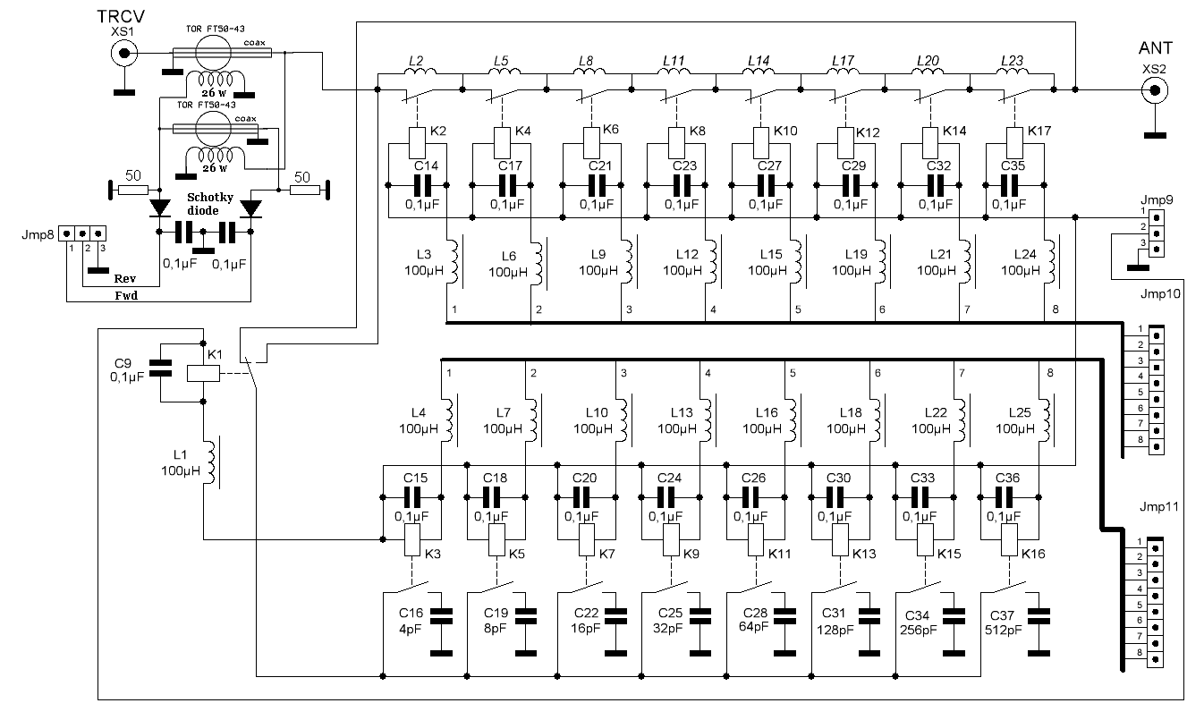
Schema de principiu, preluata de pe site-ul autorului cu modificarile aduse de mine in zona cuplorului de antena:

Am construit acest AAT pe un cablaj imprimat conceput de mine, deoarece am dorit amplasarea separata a uC Atmega8 si LCD-ul 2x16, fata de restul montajului. Cablajul se aseaza exact peste dimensiunile LCD-ului. 

Cablajul imprimat al blocului cu relee contine si circuitele de comanda CD4015 precum si cele driver pt.relee tip ULN2803. Am construit o versiune de AAT cu o bobina intreaga cu prize, pe care am inlocuit-o ulterior cu bobini confectionate din toruri T80-2 de la Amidon.
Movie demo

Condensatoarele de acord ale tunerului trebuie sa fie neaparat de tensiune mare peste 500V. Am lasat pe cablaj cate doua locuri pentru fiecare condensator al fiecarui releu deoarece este foarte greu sa gasesti o valoare exacta si de aceea se pot monta cate doi in paralel pentru a se potrivi exact valoarea dorita.
Ceea ce nu am specificat pe cablaj sunt condensatoarele de decuplare de pe terminalele fiecarui circuit integrat care se lipesc pe verso direct pe terminalele acestora.
Dimensiunea cabaljului am potrivit-o dupa carcasa in care l-am introdus. Am folosit carcasa unui vechi tuner de satelit dezafectat.
Cuplorul de antena este unul, de-acum clasic, pe care eu l-am folosit si la proiectele mele anterioare, "SWR-PWR meter". Acest cuplor de antena ofera o tensiune de iesire stabila si exact calculata in functie de nr. de spire de pe cele doua toruri FT50-43.
Click pe imagini pentru zoom.

Softul pentru microcontroler este open-source asa ca poate fi modificat dupa preferinte.
Pe site-ul rusesc poate fi gasita o versiune de soft mai veche, care este compatibila cu acest AAT dar care mie nu mi-a placut deoarece este mai lenta la acordul automatic, si nici nu are indicatie cu bargraf analogic al nivelului SWR.
Aceasta versiune de soft este mai rapida la acord automatic si este mai complexa la indicatiile de pe afisaj. Aparatul are un comutator de banda up/down din tastele de pe panoul frontal cu care se trece dintr-o banda in alta de la 1,8MHz-50MHz. Pozitia de acord a condensatoarelor, respectiv ale bobinelor se memoreaza in memoria mcu chiar daca se intrerupe alimentarea. Deci, nu este nevoie de re-acordare daca se re-porneste aparatul; este suficient sa se comute in banda respectiva si acordul se face din memorie. Daca se ajusteaza frecventa de lucru in intervalul benzii, bine'nteles ca este nevoie de o mica ajustare. Pentru aceasta se trece in modul manual si se reface acordul fin cu tastele C-up/down respectiv L-up/down, indicatia SWR-ului observandu-se pe afisj direct la acord. Deasemenea si in acest caz memorarea valorilor se face direct fara a fi nevoie de re-acordare ulterioara dupa pornirea aparatului.
Am ales un nr. de 26 spire pentru cuplor pentru 5V la iesire la o putere de 170W RF la intrare. Aceasta putere poate fi mai mare de 170W deoarece la intrarea ADC in Atmega8 se afla doua semireglabile de ajustare care reduc nivelul de atac. Astfel tensiunea de semnal maxim de 5V de la intrarea in mcu nu este depasita chiar daca in AAT se introduce o putere de peste 250W.
Dealtfel eu am testat AAT-ul in aceasta configuratie cu o putere de 250W de la liniarul meu de putere "Piriana Uliana" si se comporta excelent.
CQHAM.RU web page
Welcome to UR4QBP home page
Copyright © 2008-2013 YO6PIR

HOME    YP6HMR      ABOUT ME       PROJECTS        QSL CARD         AWARDS         CONTACT