14.10.2020
In shack-ul meu am doua aparate care ma ajuta la activitatea de radioamator:
Automatik-Antena-Tuner
si SWR-POWER meter
.
Ambele sunt introduse in lantul de emisie al statiei. Numai ca ma deranjeaza atatea cabluri si mufe cuplate si aparate separate puse unele peste altele. Ca sa elimin acest inconvenient, am facut o inovatie in sensul ca am contopit ambele aparate intr-unul singur. Dar nu oricum:

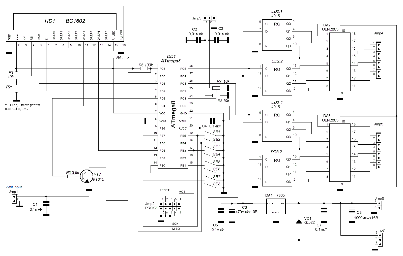
In noua schema se observa modificarea facuta pentru a elibera intrarea PORTC.0 a microcontrollerului, acolo unde se introduce semnalul analogic primit de la amplificatorul logaritmic AD8307.
In acest fel s-a renuntat la releul CW din vechea schema originala, iar acordul automatic se face cu actionare manuala din exterior a butonului PTT al statiei de emisie.

Noul cuplor de antena inglobeaza si un circuit amplificator logaritmic cu AD8307 cu ajutorul caruia se citeste valoarea puterii de RF.
| Meniul principal Automatik-Antenna-Tunner L/C - Valorile bobina /condensator introduse B:3,70 - Banda de frecventa selectata Bargraf FWD/REW si VSWR |
![]() |
| Meniul MANUAL Meniu accesat cu butonul [MAN]; permite rglajul manual al valorilor L/C |
![]() |
| Meniul SWR-PWR meter Meniu accesat cu butonul [- C]; Functie preluata de la vechiul SWR Ver.11 |
![]() |
| Meniul DIR/REF analogic Meniu accesat cu butonul [+ C]; In acest meniu se vizualizeaza valorile Dir/Ref analogice si bargraf |
![]() |
| Meniul TUNNER OFF Meniu accesat cu butonul [+ L]; In acest meniu se vizualizeaza bargraful si valoarea VSWR cu tunnerul decuplat din circuitul antenei |
![]() |
| Meniul Delay Time Relay Meniu accesat cu butonul [- L]; In acest meniu se ajusteaza timpul de aclansare a releelor in modul automatik; Tastele [Band_UP]/[Band_DOWN] |
![]() |
Ca orice aparat de masura si control are nevoie de o calibrare inainte de a fi pus in functiune. Pentru a intra in modul de calibrare, se tine apasata tasta [TUNE] si se porneste aparatul de la butonul ON/OFF
| RELEASE BUTTON! Se elibereaza butonul |
![]() |
| MENIUL Uref In acest meniu se ajusteaza valoarea tensiunii de referinta a uC, masurata cu DVM pe terminalul (21)"Aref"; Tastele [Band_UP] si [Band_DOWN] .Daca nu se doreste calibrarea factorului de putere se opreste aparatul de la butonul ON/OFF, caz in care aparatul incarca din memorie valorile de calibrare DEFAULT, pentru puterea maxima masurata de 100W. Daca se doreste calibrarea, se apasa in continuare tasta [TUNE]: |
![]() |
| 1W level In acest meniu se seteaza nivelul de putere de 1W pe sarcina de 50 Ohmi. La atingerea valorii exacte se apasa tasta [TUNE] |
![]() |
| 10W level In acest meniu se seteaza nivelul de putere de 10W pe sarcina de 50 Ohmi. La atingerea valorii exacte se apasa tasta [TUNE] |
![]() |
| SAVE! Noile valori masurate se memoreaza in memoria ne-volatila a aparatului si vor fi luate in calcule pentru viitoarele masuratori. |
![]() |
ATENTIE la aceste calibrari de nivele de tensiune! De exactitatea lor depinde precizia aparatului. Aparatul se restarteaza si din acest moment este disponibil la lucru.
SUCCES!