Signal Generator Amplifier


 
Back to 
Bernie's Bench
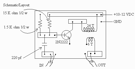
Wouldn't it be nice to have a signal generator that could put out power up to 50 mw? To check filters and drive small amplifiers, I needed one to test filters that I have constructed. Using the "Micro Watt Meter", in the 50 mw range, I had the necessary equipment to see a 20 db power, that is 40 db volts, without changing any settings. My signal generator puts out just over a couple mw and will drive the amplifier to 50 mw. This little amplifier is a broad band amplifier using a 2N2222 and a 16 to 1 broad band output transformer.
 
This little amplifier is a broad band amplifier using a 2N2222 and a 16-1 broad band output transformer. The output transformer is wound on a FT 50-43 coil using 24 turns for primary and 6 turns for secondary (output), using #26 enameled wire. (See "Z Box" article for winding tips.)I constructed this on a small copper board using surface circuit construction. The circuit lans were cut from double sided board and sweat-soldered in place. The copper board surface is the ground. (see Schematic layout
 
'73 Bernie W4ZBA  
Dec. 24, 1999 
schematic/layout

 Back to Bernie's Bench Home
This page last updated on Dec 24, 1999
You are at http://www.qsl.net/wb4zba/siggen.htm
Send email to Bernie at [email protected]
page created by Bernie