Programming Philips SRC9000 and Tait 2000,3000,8000

Created 21st Nov 2021

cable interfaces for programming Philips SRC9000 and Tait 2000,3000,8000
********************************************************************************************************************


SRM9000 can control Simoco srm9000 radio's using the serial interface. 

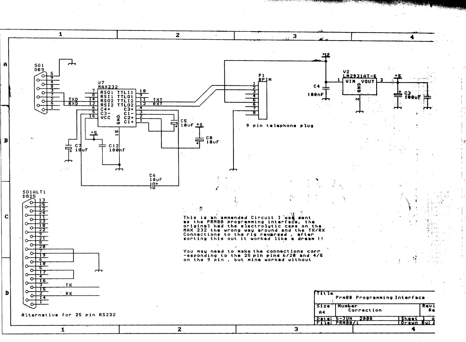
You need a programming cable, or make one! 

You can use an FTDI TTL232R USB to TTL cable wired to an RJ45 plug which fits to the microphone connector on the front of the radio. 

The tx data and rx data are 5v TTL so you require some form of level shifting. 

A MAX232 circuit would equally do using 3 wires from pin 1,2 and 7 (ground).

You may want to check out more software, such as SIMOCO FPP, which might be similar to SRM9000.



 
PRM80 interface

Simoco9000 RJ45 connector

SRM9000 pinouts

SRM9000 Programmer

Tait 2000-3000 pinouts

Tait 8000 pinouts
********************************************************************************************************************

NOTE: only licensed Amateur Radio operators can operate this modified equipment on assigned Amateur frequencies/bands.

back to vk2kfj's main page