Low Power Multiband Beacon
 for 144MHz, 432MHz, 1296MHz and 2305MHz

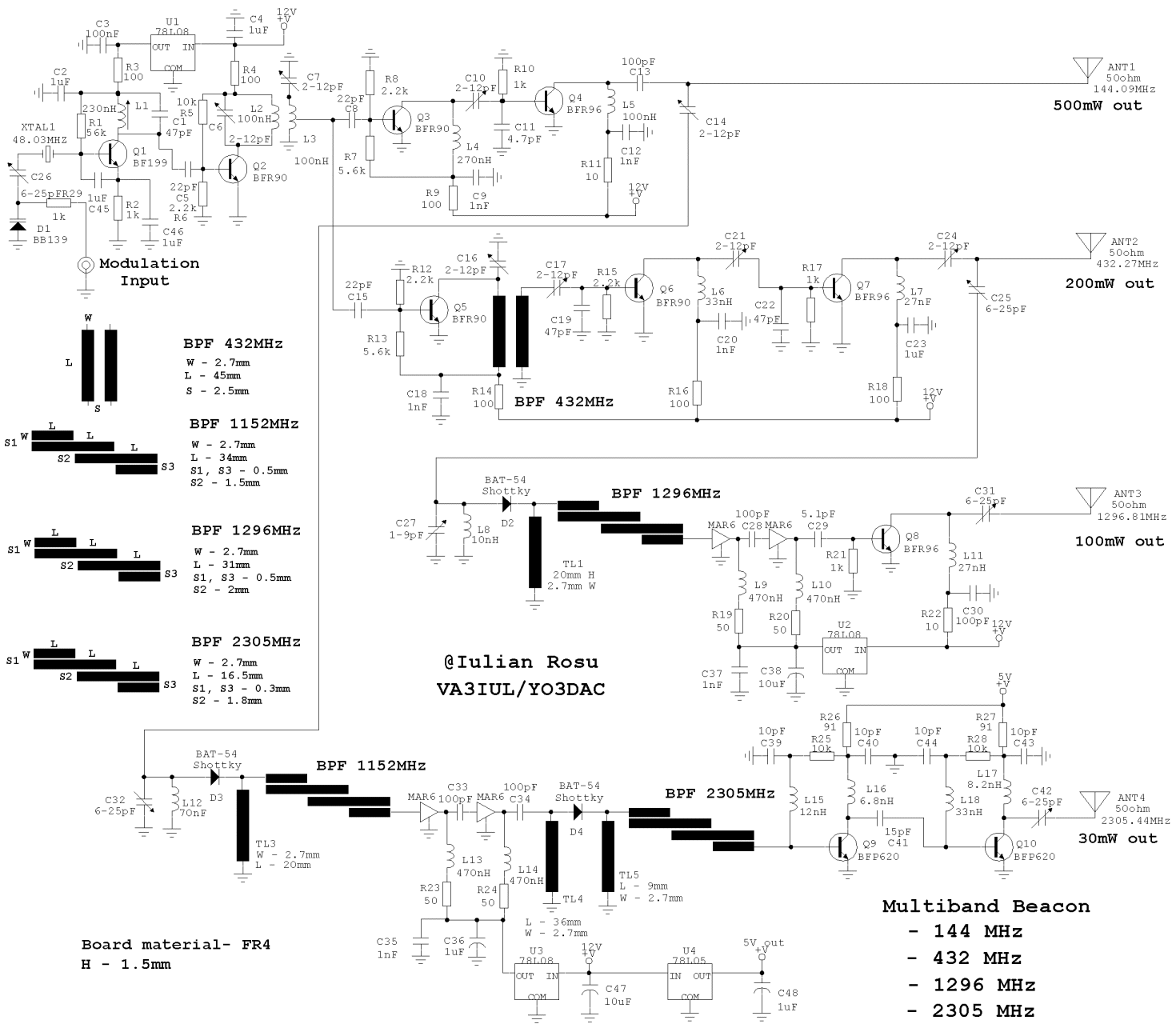
                                                                                                                                       Iulian Rosu, YO3DAC / VA3IUL - http://www.qsl.net/va3iul

    Using only one crystal oscillator you can build a useful multiband low power beacon, for 144MHz, 432MHz, 1296MHz and 2305MHz. Using proper antennas this beacon can deserve a small neighborhood. Of course, the height of the antennas will give  a bigger range for reception.

Description of the schematic:

    Q1 is the oscillator and L1 and C1 are the tuned circuit for 48.03MHz. Here you can use a very common 48MHz crystal (used in old VGA cards). Even a 16MHz crystal it will work, on third harmonic. At 48MHz, to shift the frequency 30kHz, is not so hard. Q2 works like an active multiplier, on its collector we can find the third harmonic of 48.03MHz, 144.09MHz. This frequency will be the frequency of the 2m beacon. Q3 and Q4 amplifies the signal up to 500mW.

    Q5 multiplies the 144.09MHz signal with three, and the band pass filter on its collector select the 432.27MHz frequency. Q6 and Q7 boost up the signal up to 300 mW.

    C27, L8, D2 and TL1 make a multiplier with three for 432.27MHz signal. A microstrip band pass filter select the third harmonic of this signal, which is 1296.81MHz. Two monolithic amplifiers MAR6, amplifies this signal feeding the output transistor, Q8. The output power in this band is 100mW.

    The 2305.44MHz frequency is obtain using a chain of multipliers. Part of the first multiplier are, C32, L12, D3 and TL3. A microstrip band pass filter select the 8'th harmonic of 144.09MHz which is 1152.72MHz. Two monolithic amplifiers MAR6 amplifies this signal feeding a frequency doubler (TL4, D4, TL5). The output of the doubler it goes in a microstrip band pass filter tuned on 2305.44MHz. Two SiGe transistors boost up the output signal to 30mW.

    For modulation input it can be use any signal provided by a simple digital circuit, which send dots or dashes, or Morse Code, using a microcontroller.

    For omni-directional patterns, I recommend to use for antennas, small vertical dipoles.

Schematic:

Home http://www.qsl.net/va3iul