http://clustrmaps.com/en/admin/action.php?action=complete%20registration&id=122353&code=WVTUeUWk
© içeriklerin tüm hakları saklıdır copyright@2015
Home Info TA7I  Turkish Amator Radio Stadion

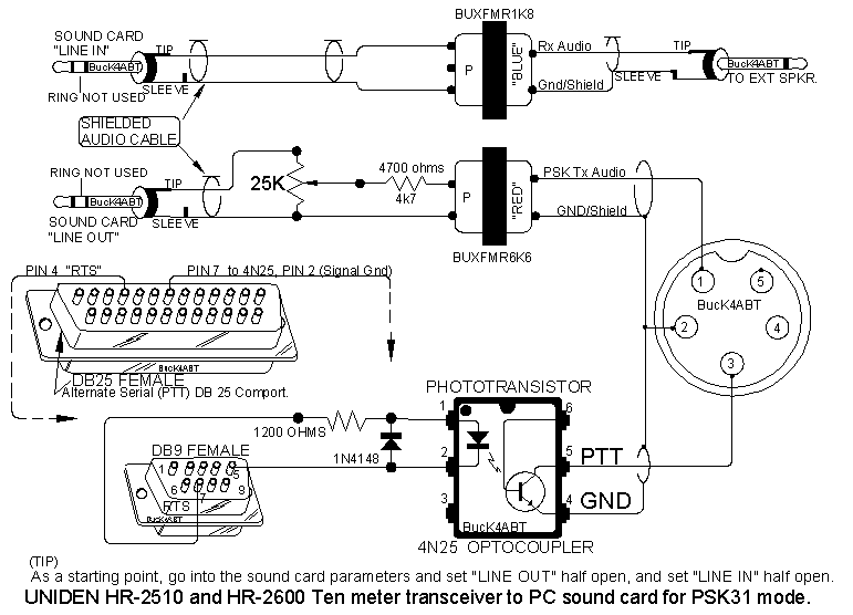
UNIDEN Telsiz Cihazların Şemaları Modellerine Göre Aşağıda Listelenmiştir

©© içeriklerin tüm hakları saklıdır copyright@2015 
Navigation Menu

UNIDEN Telsiz Cihazların Şemaları

Modellerine Göre Aşağıda Listelenmiştir

Amatör Telsizcilik

Dünya çapında!amatör telsiz bağlantıları için hazırlıklı olun Amatör telsizcilik bilim,teknoloji ve araştırma alanında kariyer için mükemmel bir hazırlıktır Yüksek öğrenim için teşvik ve teknik bir gelecek için sağlam bir temel bırakır Bir çok genç radyo amatörleri için,bu hobi onların teknisyen veya mühendislik üzerine kendilerini geliştirmeleri için fırsat tanır
TA7I