Satélites meteorológicos APT
Por PY4ZBZ (F5NCB) em 21-06-2005, rev. 23-01-2020
Veja também : Imagens digitais LRPT
APT é uma forma de transmissão analógica de imagens:
Recepção APT do NOAA-19 em 15-02-2012 (16:48UT), feita com : antena DCA + preamp + filtro VHF + FUNcube Dongle + SpectraVue + Satcontrol para correção de doppler:

A imagem seguinte é do NOAA-19 em 21-02-2012 15:45 UTC. O + amarelo é o meu QTH de Sete Lagoas MG, loc. GH70un:

A figura seguinte mostra o WxToImg durante a recepção (88%) da imagem anterior:

A transmissão das imagens APT tem o seguinte formato:
De dia, o canal A contém dados da banda 2 (Near IR 0,725 - 1,00 µm) (próximo do visível 0,58 - 0,68 µm).
A noite, o canal A contém dados da banda 3b (Thermal IR 3,550 - 3,93 µm).
O canal B sempre contém dados da banda 4 (Thermal IR 10,30 - 11,30 µm).

A figura seguinte mostra o Satcontrol em ação, corrigindo o efeito doppler, e o SpectraVue durante a recepção:

Estou informando para o Satcontrol a frequência do NOAA-19 22 kHz abaixo (137100-22=137078 kHz) para que o DC offset (48 kHz na tela do SpectraVue) do FCD não interfira no sinal do satélite.
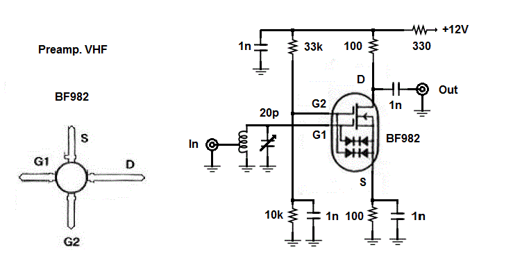
Uso também um pré-amplificador caseiro com BF982, visto aqui sem a tampa:

Diagrama do preamp. Vejam a construção da bobina na foto acima. São 6 espiras de fio de cobre prateado com 1mm de diâmetro. A bobina tem diâmetro interno de 6mm e comprimento de 14 mm. Tomada de antena a 1,5 espira da massa.

Entre o preamp e o FCD, uso um filtro passa banda VHF descrito aqui.
Recentemente uso esse pré-seletor pré-amplificador com cavidades helicoidais modificadas para 137 MHz:

Curva de resposta do pré-seletor. Em 137,1 MHz o ganho é de 5 dB:


O efeito do filtro+pré acima na recepção é impressionante, 11,6 dB a mais na SNR, como mostra a figura seguinte:

Vejam aqui a configuração da interligação destes softwares que rodam simultaneamente.
Os vídeos seguintes mostram a recepção ao vivo:
As imagens seguintes foram recebidas com um velho receptor Telefunken , uma antena "Double cross" e o software WXtoImg (mostrados mais abaixo):
Click em cada imagem para ver em tamanho original.
NOAA 17. 19 Aug 2010 11:18:30 GMT NOAA 17. 22 Aug 2010 11:50:26 GMT
Na imagem seguinte são muito bem visíveis a represa de Sobradinho, os rios do triangulo mineiro e do estado de São Paulo, entre outros detalhes:
|
Satellite: NOAA 19.
Pass Start: 16 Aug 2010 16:37:05 GMT. Pass Duration: 15:54. |
Em 14-08-2010 montei uma antena "double cross", de construção caseira:
O diagrama de irradiação dessa antena é ideal para satélites de baixa orbita como os NOAA, pois é hemisférico e tem polarização circular RHCP:
Veja detalhes construtivos da DCA aqui.
As imagens seguintes mostram o WXtoImg em ação com o recém lançado NOAA-19 (em fev.2009):
A figura seguinte mostra parte da tela do Wxtoimg (canal 1) e do Orbitron, logo depois do NOAA-19 ter passado na vertical do meu QTH de Sete lagoas (MG), marcado 7L no Orbitron. Como a passagem era de sul para norte, a imagem se forma no Wxtoimg de baixo para cima, ao vivo, linha por linha, varridas uma de cada vez pelo satélite, sendo duas linhas por segundo. Compare a posição do NOAA no mapa do Orbitron, e a imagem formada até este instante :
As linhas horizontais da imagem são perpendiculares ao movimento do satélite, representado pela linha amarela (que mostra o caminho a ser percorrido ainda pelo sat) no Orbitron.
A figura seguinte foi feita com o NOAA-19 já quase no horizonte norte da passagem, sendo que agora estou mostrando o canal 2. Os dois canais aparecem ao mesmo tempo, lado a lado, no Wxtoimg, mas eu sobrepus o Orbitron em um deles, para a figura não ficar grande demais. Como o satélite já está quase no horizonte, o sinal chega fraco, com ruído. Compare a ultima linha superior da imagem com a posição do satélite no mapa do Orbitron (linhas vermelhas. As duas linhas azuis mostram a largura da faixa varrida pelo NOAA):
Combinando as informações monocromáticas do canais 1 (visível) e 2 (infra-vermelho próximo), o Wxtoimg fornece a imagem seguinte, que realça a vegetação:
(Click para ver em tamanho original )
|
Satellite: NOAA 19.Pass Start:
11 Feb 2009 17:06:33 GMT.Pass Duration: 15:50. |
A minha primeira experiência (1980) com satélites foi captar imagens de satélites meteorológicos, no formato APT, de satélites de órbita polar como os NOAA e METEOR, em VHF. Em 1980, eu montei um receptor VHF FM com sucatas de transceptores Telefunken RTV-24M, uma antena "turnstyle" para 137 MHz, um preamplificador 137 MHz com BF982 e um decodificador APT com componentes discretos !

O preamp 137 MHz sem a tampa...
Não tinha acesso a Keplerianos, muito menos a computadores, o PC acabara de ser lançado nos USA ! Usava um gravador mini-cassete Phillips para gravar o sinal de áudio de 2400 Hz, modulado em AM, e depois o decodificava, mandando o sinal de vídeo de varredura lenta resultante para o Whenelt (grade de controle) do tubo de raios catódicos de um osciloscópio, cujas varreduras V e H eram geradas pelo meu decodificador APT caseiro. Usava uma maquina fotográfica Polaroid, em pausa, fixada na frente da tela do osciloscópio! Vejam dois exemplos de imagens recebidas (e amareladas pelo tempo:137,5 MHz deve ser de um NOAA e a 137,3 MHz de um Meteor ):

Hoje ficou tudo bem mais fácil, basta usar programas de computador, e perdeu um pouco da graça e emoção de conseguir tudo por esforço próprio !... O computador agora faz quase tudo. Vejam algumas imagens de computador, com o programa WXtoImg, recebidas em Agosto/Setembro 2005, em Sete Lagoas, (com uma Yagi de 2 elementos interna 146 MHz... e o mesmo velho receptor Telefunken modificado por mim: um VFO analógico com AFC caseiro que segue o Doppler e modulação reversa para aumento artificial da banda passante) , dos satélites NOAA:
(click em cada imagem para ver em tamanho real 1040x1700):
Aparece um "belo" ciclone extratropical, no sul...
As figuras seguintes mostram o efeito da banda passante de um receptor comum para fonia FM (NFM ou NBFM, banda da ordem de 25 kHz, insuficiente para APT), e um receptor com banda passante adequada (da ordem de 40 kHz), sobre a qualidade das imagens. O defeito pode ser muito bem visto nas linhas verticais (sinal Sync) e nas barras horizontais de telemetria:
As figuras seguintes mostram o espectro da transmissão do NOAA-15. O desvio de pico FM é de 17 kHz. O sinal modulante é um tom de 2400 Hz modulado em AM pelo sinal de vídeo. Pela formula de Carson, a banda ocupada é 2(17+2,4)=38,8 kHz, ou seja, da ordem de 40 kHz:


Software KG-APT
Simples mas muito interessante. Só mostra os canais em "preto/branco". Ainda em japonês, pois no lugar dos caracteres japoneses aparecem só interrogações... Vejam duas telas. Na primeira o NOAA 15 se aproximando do meu QTH de Sete Lagoas (HOME), de sul para norte, com máxima elevação prevista em 44,1 graus :
A segunda tela feita alguns minutos mais tarde, mostra o canal visível (A-ch2) do NOAA 15 sendo recebido ao vivo. Aumentei um pouco o brilho pois o sol já estava bastante a oeste proporcionando pouca iluminação. O mapinha mostra a posição do sat correspondente a ultima linha superior de varredura da imagem:
Satélites atualmente (fev. 2012) em operação:
NOAA-15 137,620 MHz
NOAA-17 137,500 MHZ (transmite, mas sem imagem)
NOAA-18 137,9125 MHz
NOAA-19 137,100 MHz
Veja recepção com o software SDR Sharp aqui
LINKS:
Antena Double Cross de Gerald Martes, KD6JDJ
Veja mais informações (receptores, software, antenas, etc..) aqui.
Site sobre recepção de sat. meteo, do meu conterrâneo Alsaciano Luc F6BQU.
Receptor simples para 137 MHz, de F6BQU.
Saiba como funciona o sistema APT usados nos satélites NOAA