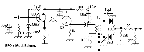
bfo_balanc
BFO e Modulador Balanceado














Dimensões da placa 7,5 x 4,3 cm

VOLTAR