"NiceRig" 40-30
10 MHz CW transceiver 1 watt QRP,
de 40-30 ontworpen door de NE-QRP club
(1998)
CLICK HERE FOR THE ENGLISH VERSION

Mijn favoriete QRP transceiver
Wat is de 40-30?
De naam staat voor een 30 meter transceiver en de prijs van het bouwpakket: 40 dollar. Er is ook een 40-40 en je raadt het al, deze variant is bedoeld voor de 40 meter amateurband.
Het is een 1 watt CW transceivertje, niet met de vrij gebruikelijke directe conversie ontvanger maar met een echte superhet! De MF is 8 MHz voor de 30 meter versie en 4 MHz voor de 40 meter uitvoering. Het originele ontwerp is zo eenvoudig mogelijk gehouden, zo is de RIT bijvoorbeeld weggelaten en is hij alleen maar geschikt voor een koptelefoon. Heel leuk is dat je precies op de juiste frequentie zit wanneer de side toon dezelfde toonhoogte heeft als die waarmee je het tegenstation ontvangt.
De 40-30 is uitermate geschikt voor batterij voeding. Bij 12 volt is de stoomopname maar 20 mA bij ontvangst en de gestabiliseerde voedingsspanningen zijn zodanig gekozen dat de batterij spanning tot 9 volt kan dalen. Tussen de 9 en 8 volt kan de zender een heel klein beetje gaan tjoepen doordat de gestabiliseerde spanning van de zendermixer iets in elkaar zakt. Maar zelfs bij 8 volt is de VFO frequentie nog stabiel.
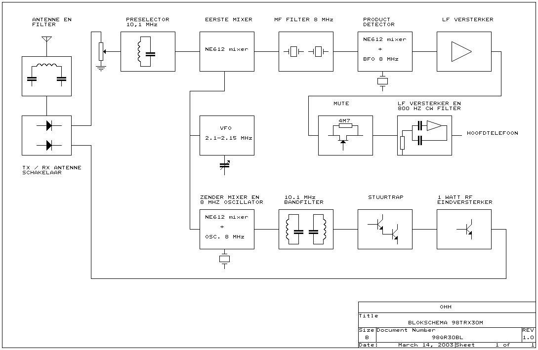
De 40-40 is ontworpen als clubproject voor de New England QRP (NE-QRP) club en er zijn ongeveer 200 van gebouwd. Een blokschema geeft je vast een aardig idee van de opzet van de 40-40 en 40-30.

Blokschema
big diagram
Waarom nou toch weer modificaties.
Inderdaad, modificaties zijn niet nodig en het was dan ook mijn oprechte bedoeling om dit eenvoudige ontwerp echt eenvoudig te houden. Het originele ontwerp werkt immers prima indien je er QPR qso�s mee wilt maken. Maar ik gebruik de transceiver voor 95% van de tijd als ontvanger en maar 5% van de tijd als transceiver. Dus zijn enkele verbeteringen aan de ontvanger heus wel gerechtvaardigd. En als er een modificatie over de dam is volgen er meer.
Allereerst is luidsprekerweergave een belangrijke aanvulling bij gebruik als ontvanger tijdens andere bezigheden. Met welke set was dat ook alweer, dat ik wegliep terwijl de koptelefoon nog op mijn hoofd zat?
Aan de ingangspreselector is een extra kring toegevoegd. De spiegelfrequenties liggen in de band 5850 tot 5900 kHz. Hierin bevinden zich vrij sterke stations. In het oorspronkelijke ontwerp is maar 1 kring toegepast en die geeft zo�n 35 dB onderdrukking. Met een extra kring is deze maar liefst 58 dB en heb je geen last meer van stations op de spiegelfrequentie.
Signalen op de MF frequentie (8 MHz) en andere sterke kortegolf zenders die per stuk meer vermogen opstoken dan alle soldeerbouten in Nederland tesamen worden extra onderdrukt. Dat kan nooit kwaad. En ach, zo�n kringetje is toch wel een heel simpele toevoeging.
Kijken we naar het gebruik als transceiver dan komt het toch wel erg vaak voor dat een tegenstation niet precies op jouw frequentie zit. Amateurs zijn tenslotte maar amateurs. Zonder RIT kun je daar niks aan doen. Op den duur gaat dit volgens mij irriteren. Ook heb je met een RIT de mogelijkheid om storende signalen te verstemmen naar net even buiten de doorlaat van het MF filter. En de volgende modificatie is een feit, een RIT moet er absoluut komen, het is tenslotte maar ��n potentiometertje met een paar onnozele onderdeeltjes....
Een extra zend schakelaar voorkomt dat je de zender per ongeluk aktiveert wanneer de seinsleutel weer eens klem zit tussen allerlei rommel. Overigens werkt in de stand zenden de transceiver gewoon als full break in transceiver. De automatische antenne schakelaar werkt alleen in de zend stand. Dit geeft tijdens gebruik als ontvanger een stroombesparing van 6 mA en dat is vrij veel op een totaalverbruik van 25 mA, zeker bij batterij voeding. Een heel nuttig schakelaartje, dus maar gauw dat extra 6 millimeter gaatje in het frontje boren.
Zeer belangrijk is dat je bij portable gebruik de afstemschaal kunt controleren. Afstemschalen en knoppen willen tijdens transport wel eens losraken. Niets is vervelender dan dat je tijdens je vakantie vermoedt dat er iets niet klopt met de frequentie schaal maar dat je dat niet met zekerheid kunt vaststellen. Niet dat ik daar echt trauma�s van heb overgehouden maar toch zal mij dat geen tweede keer overkomen. Met de ingebouwde frequentie kalibrator kun je de schaal even kontroleren en dat geeft je de geruststelling dat je inderdaad op de gewenste frequentie zit. Ach wat stelt dat nou ook voor, dat ene IC tje, en kristalletje liggen hier vast wel ergens in een bakje....
Eigenlijk moet er ook nog een LF volume regelaar komen om de voor sterke signalen zo storende achtergrondruis wat te verminderen. Er is alleen maar een HF verzwakker voor de volume regeling. Indien de achtergrondruis al vrij sterk is, blijf je die ook hinderlijk horen bij ontvangst van sterke signalen. Immers, de HF verzwakker verzwakt wel de signalen maar niet de ruis. QRP is erg leuk maar om nou alles tot in de ruis terug te regelen gaat mij te ver. Een LF regelaar verzwakt ook de ruis mee. En toen was er een probleem: Er was geen plaats meer voor een volume potentiometer. Gelukkig nog wel voor een hard/zacht schakelaartje, past nog net naast de kalibrator schakelaar. E�n schakelaartje en twee weerstandjes, daar gaan we echt niet op bezuinigen.
Dan zijn er natuurlijk nog enige details:
De stroom instelling van de driver trap van het zendgedeelte was sterk afhankelijk van de voedingsspanning en bij 13.8 volt werd hij zelfs erg heet. Door deze instelling van de gestabiliseerde voeding af te tappen is hij nu onafhankelijk van de voedingsspanning.
De condensator tussen de zendermixer en bandfilter is wat vergroot, de afstemming van dat filter was wel erg kritisch en scherp gepiekt. Voor de ongewenste uitstraling maakte dat niets uit.
Een extra derde kristal in de IF leek mij beter, gaf een iets betere zijbandonderdrukking maar is niet beslist nodig.
En de automatische TX/RX schakeling is wat gewijzigd, zodat de stroom door de dioden beter voorspelbaar is, er zijn andere op-amps toegepast, de koppeling tussen stuur- en eindtrap is wat gewijzigd (afgestemde kring i.p.v. de even niet beschikbare ferrietkern) en er zullen vast nog wel wat kleinigheden zijn.
Is er nu nog veel overgebleven van het oorspronkelijke ontwerp? Ja best wel, het zijn maar kleine wijzigingen die de transceiver net even wat extra�s geeft zodat het leuke ontwerp nog beter tot zijn recht komt.
Laten we nu maar eens naar het detail schema kijken.

Schema, deel 1
big diagram
Preselectie bandfilter
In eerste instantie deed die tweede extra kring gek genoeg niet zoveel. De spiegelonderdrukking was ongeveer 35 dB en steeg naar 47 dB. Maar na het aanbrengen van afscherming rondom beide kringen zodat ze elkaar elektrisch en magnetisch niet meer konden zien, was deze maar liefst 58 dB.
Eerste mengtrap en MF filter
Op de eerste mixer staat de maximaal toegelaten spanning. Volgens mij werd de ontvanger daardoor wat rustiger (minder intermodulatie en oversturing). Of dat echt zo is? Ik heb niet geprobeerd het te meten. Voor aanpassing van de uitgangs impedantie van de mixer op het IF filter is er een LC filter met de 10 uH zelfinductie toegepast.
Produkt detector
Ja, ook weer zo een NE612. Wat zouden we moeten zonder NE612! Ze zitten in zoveel QRP ontwerpen.... En dit IC bevat dus ook de 8 MHz BFO. Wat je wel ziet zijn wat kleine condensatoren parallel aan het kristal. Ik vond het vrij ingewikkeld om de BFO op de juiste frequentie af te stemmen. De piek van het kristal filter moet overeenkomen met de 800 Hz piek waarop het filter van het laagfrequent versterkertje is getuned. Ik heb dat met een doos condensatortjes, een oscilloscoop en een x-tal oscillatortje gedaan en hoop maar dat het allemaal goed staat.
VFO
Ja, een 10 slags potentiometer geeft een perfecte bandspreiding. Die modificatie heb ik vanwege ruimtegebrek en exra kosten weggelaten. In de praktijk blijkt dat ook niet nodig. Met een wat grotere knop en een gewone potentiometer is het 50 kHz kleine bandje prima af te stemmen.
Over VFO�s valt een heel boek te schrijven en wat zijn we blij dat we nu kunnen DDS-en en PLLetjes hebben zodat de stabiliteitsproblemen van weleer ook echt tot het verleden behoren. Maar vanwege de eenvoud hier natuurlijk een ouderwets VFO met die ouderwetse stabiliteitsproblemen. Echter, in het ontwerp is wel degelijk rekening gehouden met de stabiliteit: De VFO frequentie is vrij laag gehouden (2,1 tot 2,15 MHz) en er zijn grote condensatoren parallel aan de transistor geplaatst. Wanneer je nu maar goede condensatoren en spoelen gebruikt, is de zaak stabiel genoeg. Voor de condensatoren heb ik polypropyleen type�s toegepast. De beste zijn zilvermica, maar er zijn ook berichten dat deze plotselinge frequentie sprongen veroorzaken en dus vooral niet moeten worden gebruikt. Ook zouden de keramische met zwarte kop (temperatuur co�fficient van nul) erg goed te zijn, maar dan moeten het wel Amerikaanse zijn. Anders zit die kleur er alleen maar op omdat ze dan beter verkocht worden. Styroflex zijn ook erg goed, zaten in oude buizenradio�s maar ik heb zelf een aantal exemplaren die ronduit slecht zijn. Dus je ziet, ik weet het ook niet en probeer maar wat. Voor de spoel gebruik ik een T50-2 kern. Wel zit hij wat te dicht tegen de achterkant van de behuizing zodat de frequentie varieert bij het bewegen van die achterkant. En de spoel is een beetje gevoelig voor het aardmagnetisch veld. De frequentie verandert (niet echt hinderlijk) bij het noord-zuid naar oost-west draaien van de transceiver.
RIT
Tijdens ontvangst kan de VFO frequentie m.b.v. de RIT potentiometer gevarieerd worden. Bij zenden wordt dit RIT signaal door de FET geblokkeerd. Het bereik is wat aan de kleine kant maar net voldoende. Gebruik een BF245A type. Het A type heeft een lagere afknijpspanning. Anders kan de frequentie in de uiterste stand ook varieren tijdens zenden.
De nulstand van de RIT kun je bepalen met de marker generator. Zet de TX schakelaar in de stand RX. Stem af op een markersignaal. Druk nu de seinsleutel in met de TX schakelaar dus nog steeds in de stand RX. Je hoort het markersignaal nu heel zwak, een beetje wordt om de mute schakelaar heengeleid via de 4,7 M ohm weerstand. Zorg er nu voor dat de toonhoogte bij ingedrukte en losgelaten sleutel gelijkblijft. Dit is de nulstand van de RIT.
Zender gedeelte
Het is al een heel verhaal en nu moeten we nog beginnen aan de uitleg van de zender. Laten we dit daarom kort houden. Het VFO signaal wordt gemengd met een 8 MHz oscillatorsignaal, uitgefilterd in een bandfilter, versterkt in een stuurtrap en tot 1 Watt versterkt in de eindtrap. Via een dubbel pi filter voor het onderdrukken van de harmonischen gaat het signaal naar de antenne. In de eindtrap kun je een 2N3553 gebruiken . Ik gebruikte drie parallel geschakelde 2N4427 transistoren.
De seinsleutel schakelt de spanning van de NE612 (zendermixer + 8 MHz oscillator) en de stuurtrap.
Regel de 8 MHz kristal oscillator van de zender mixer af op 800 Hz toonhoogte in de ontvanger. Het bandfilter wordt op maximum zendvermogen afgeregeld.
Schema, deel 2
big diagram
Marker generator
Dit schakelingetje zorgt ervoor dat je op iedere veelvoud van 10 kHz een draaggolfje hoort. Hiermee kun je de schaal ijken en controleren en zoals uitgelegd, ook de nulstand van de RIT.
De binnenkant van het transceivertje
Beide zijden van de ongeetste printplaat zijn gebruikt
voor het monteren van de componenten
Eigenschappen
Gevoeligheid: 0,25 uV (-119 dBm) signalen zijn leesbaar. Dit is 6 dB boven het ruisniveau.
3rd intercept point: 3 dBm
Zijband onderdrukking: 36 dB
Gevoeligheid voor ongewenste signalen: 5,87MHz: -58dB; 8,0MHz: -59dB; 12,25MHz: -92 dB; 14,37MHz: -84dB
Stroomopname tijdens ontvangst: 20 mA (TX schakelaar in RX stand)
Zendvermogen: 1W bij 9V; 1,5W bij 12V; 2W bij 13,8V
Onderdrukking van ongewenste uitstraling: beneden 30MHz: 43dB, daarboven: 55dB
En met de 1,5 tot 2 Watt kun je zonder veel moeite altijd wel een QSO maken. Ik heb lange tijd een dipool gebruikt als inverted Vee uitgespannen. Het midden op een hoogte van 4 meter, de uiteinden net boven de grond.
Het ontvangertje is een lust voor het oor. Kortom, een prima QRP set waarmee vele leuke QSO�s zijn gemaakt.