10 MILLIWATT QRSS BAKENZENDERTJE VOOR 30 METER
GESLEUTELD DOOR EEN WEBBROWSER
(2010)
CLICK HERE FOR THE ENGLISH VERSION

Het bakenzendertje van 10 milliwatt met lichtgevoelige weerstand (LDR).
Het bakenzendertje wordt gesleuteld via de LDR.

De LDR wordt voor het beeldscherm gemonteerd. Het witte vlakje
op het scherm knippert aan/uit in het ritme van de morsecode.
Dit gebeurt door een HTML programma dat in een webbrowser loopt.

Het HTML programma draaiend in een webbrowser, in dit geval Google Chrome.
Het witte vlakje knippert aan/uit in het ritme van de morsecode.
Klik hier om het HTML programma te bekijken, dat verduidelijkt veel.
Klik hier om het HTML programma in gezipte vorm te downloaden.
Klik hier om een gezipte versie te downloaden die in tijd gesynchroniseerde intervallen van 10 minuten zendt.
Je kunt het programma modificeren door middel van een ASCII tekstverwerker zoals Notepad. In een van de eerste regels moet je bij "Data" de gewenste morsecode invullen. En bij dottime de seinsnelheid in milliseconde (normaal 3000 voor een punt). Door middel van style sheets worden twee vlakjes gedefini�erd, een wit vlakje en een zwart vlakje. En door middel van een time interrupt routine genaamd "function NewTime()" en de functie "innerHTML" voor het wijzigen van een deel van het scherm wordt alles geregeld. Nadat alle morsecode is verzonden, wordt het HTML programma opnieuw geladen en uitgevoerd door de webbrowser. Tijdens een uitzending kun je het programma dus modificeren. Dat kan ik ook op afstand doen, omdat er tegelijkertijd met de webbrowser een FTP programma loopt op de PC. Maar daarvoor zijn meer mogelijkheden. En op de PC loopt ook het programma ARGO met simpele ontvanger, zodat ik op afstand kan zien of alles goed werkt.

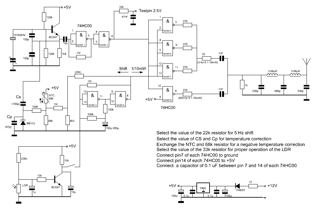
Circuit diagram
big diagram
Temperatuurstabilisatie
De frequentie moet heel stabiel zijn. Het is best wel moeilijk om de bakenzender af te regelen op een frequentie van 10140.0 tot 10140.1 kHz en ervoor te zorgen dat deze niet verloopt vanwege temperatuurschommelingen. Met een NTC weerstand en een varicap werd een temperatuurcorrectie ontworpen en kon het verloop aanzienlijk verminderd worden. Voor een positieve frequentie drift correctie moet de NTC weerstand aangesloten worden volgens het schema, voor een negatieve correctie moeten de NTC weerstand en 68k weerstand verwisseld worden. Natuurlijk kun je ook een NTC weerstand met een andere waarde nemen. Verwissel de 68k weerstand dan voor eentje met een waarde gelijk aan de NTC. Vergroten van Cs en verkleinen van Cp vergroot de correctie, verkleinen van Cs en vergroten van Cp verminderd de correctie. Het vinden van de juiste waarde is een kwestie van uitproberen en een aantal keren afkoelen en opwarmen van de schakeling.
De lichtgevoelige weerstand (LDR)
Het is belangrijk om tenminste een afstand van 0.5 cm tussen het beeldscherm en de LDR te houden. Anders kan de hoogspanning van het beeldscherm de goede werking van de LDR verstoren. Ook moet na de LDR het flikkeren van het beeldscherm uitgefilterd worden. En overdag moet je de LDR en het beeldscherm afschermen voor het daglicht door een stuk karton o.i.d. Door toepassing van de LDR hebben we een volledig galvanische scheiding tussen PC en het 10 milliwatt bakenzendertje! Natuurlijk kun je het programma zodanig aanpassen dat je een 2e vlakje met LDR maakt waarmee je andere dingen schakelt, zoals bijvoorbeeld het omschakelen tussen zenden en ontvangen of een ander vermogen kiezen.

De schakeling is gemonteerd in een plastic kastje op een ongeetst printplaatje.
Een extra spoel in serie met het kristal was nodig om op de juiste frequentie af te stemmen.
Resultaten
Het is een raar experiment. De 10 milliwatt zender wordt aangezet en... De naald van de vermogensmeter beweegt niet eens! En het is zelfs een QRP vermogensmeter! Maar hoe kom je aan ontvangstresultaten? Al snel kreeg ik via e-mail een screenshot van Dusan, YT1DL. Dusan erg bedankt, hiermee was voor mij het experiment al 100% geslaagd! Niet alleen de hoge shift van punten en strepen met 10 milliwatt was zichtbaar, ook de lage shift met pauze's tussen de punten en strepen van 1 milliwatt was te zien! Dusan gebruikt niet het programma ARGO maar Spectran.

Ontvangstrapport van Dusan YT1DL, ontvangen per e-mail.
Niet alleen de 10 mW, maar ook de 1 mW shift (pauzes, 4-5 Hz lager) is te zien.

Ontvangstrapport van de QRSS grabber van G4CWX in Bristol.
Ook hier is de 1 mW shift (pauzes, 4-5 Hz lager) te zien.

Ontvangstrapport van de QRSS grabber van I2NDT in Bergamo.
Ook hier is de 1 mW shift (pauzes, 4-5 Hz lager) te zien.