| The ON4WW Ultimate Beverage Switchbox | 
(click here 
  for a printable .pdf version of the article)
  (click here 
  for the article as it appeared in CQ Magazine, July 2012 - courtesy of CQ Magazine)
(click on the below photographs/schematics for bigger size/original format)
  Article by Luc Smet, ON5UK (April 25, 2011)
In the past years I had the opportunity to participate in several low-band 
  contests from different well known Belgian contest stations.
  The excellent results yielded by those stations on the low-bands is closely 
  related to the use of extensive rx systems. You can't work them, if you can't 
  hear them.
  Mark ON4WW uses eight beverage antennas, one each 45 degrees, which is adequate 
  if not perfect for contesting purposes. The only catch in his setup, was the 
  switching part.
  How can you move instantly from any one heading to another one, without having 
  to rotate through all interlaying headings?
  This question lead to the development of a new switching unit, on which the 
  details follow next.
1. The initial switchbox
Until recently the switching from one beverage heading to another was done 
  with an 8-position rotary switch.
  Not only is this way of switching physically fatiguing when done over a long 
  contesting period, it is also inefficient.
  To switch from east to west, three intermediate positions have to be passed, 
  which means four times switching.
  Valuable time can also be lost when trying to find the correct heading for an 
  unkown weak station.

  Figure 1 - Through relays Rel1, Rel2 and the voltage on the center conductor 
  of the coax, we select through the circuits A, B and C the correct beverage 
  antenna
Figure 1 shows the schematics of the old switchbox.
  The rotary switch (two layers, eight positions) switches two relays Rel1 and 
  Rel2 (outside relays on the beverage field) through a diode matrix,
  and also switches the polarity of the voltage (positive, negative or none) that 
  is fed through the coaxial cable which also transports the received radio signal.
  The combination of the position of Rel1, Rel2 and the voltage on the inner conductor 
  of the coax allows to select one of the eight beverages through circuits A, 
  B and C (which are also physically outside on the beverage field).
  Table 1 gives an overview of the combinations of the voltages controlling 
  the relays, the voltage on the inner conductor of the coax and the resulting 
  heading of the beverage antenna. 
| N | NE | E | SE | S | SW | W | NW | |
| Rel1 | Ø | Ø | Ø | Ø | Ø | + | + | + | 
| Rel2 | Ø | Ø | Ø | + | + | Ø | Ø | Ø | 
| Coax | Ø | - | + | Ø | + | + | - | Ø | 
Mark and I agreed it was time to develop a more comfortable and efficient switching system.
2. The new switching system - version 1
The objectives for the new system were clear:
- one push on a button would effectively select any of eight beverages;
  - the existing outside switching arrangment should stay as is;
  - when a defect occurs at the new switching system, the old rotary switch must 
  be able to be put back in action instantaneously
  - the operational characteristics of the new circuitry must be abled to be altered 
  in a simple way.
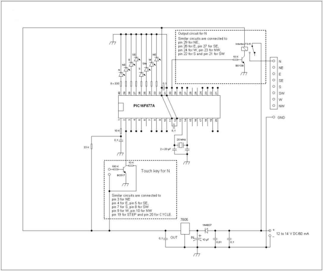
The new switching circuitry is built around a PICF877A.
  This PIC (Programmable IC) offers an advantage: it doesn't have to be taken 
  out of the circuit in order to reprogram it.
The choice of antenna heading is made through selection of any of eight push 
  button switches.
  Through two additional push button switches, you can rotate clockwise or anti-clockwise 
  through all headings.
  This comes in handy when trying to figure out from which heading a weak signal 
  is coming in.
Figure 2 shows the new switchbox. The schematics are shown in Figure 
  3.
Figure 3 - The schematics for the PICF877A configuration
The new switching unit has been connected to the existing rotary switchbox. 
  Some minor adjustments were inevitable.
  The existing arrangement is expanded with switch S2 (2 positions, 3 circuits) 
  and relays Rel3 and Rel4.
  S2 gives the option between using the old rotary switch or the new system with 
  push buttons.
  Relays Rel3 and Rel4 make for the choice of voltage polarity on the coax, within 
  the new switching system.
  See Figure 4 for the altered schematics of the existing switchbox.
The operation of the PIC program is simple. The state of the inputs of the 
  PIC (inputs connected to the push buttons) is constantly monitored/probed.
  When the PIC notices that one of the inputs gets momentarily 'high' (+5V), it 
  chooses the correct antenna by driving transistors T1 through T4, which in turn 
  steer relays Rel1, Rel2, Rel3 and Rel4.
The PIC is programmed with JAL (Just Another Language), a programming language 
  resembling Pascal. Information on this language is widely available on the internet.
  Figure 4 - Schematics of the altered existing switchbox 
3. Here comes version 2
This new switching arrangement was a vaste improvement over the old one. Enthused by it, Mark quickly came up with some further ideas:
- replacement of the push buttons by touch button switches;
  - one touch button switch which automatically makes one full revolution east-to-east 
  heading, counter clockwise;
  - this revolution must be done in about 2,2 seconds, the approximate time in 
  between 2 CQ's on 160m band;
  - interruption of this revolution by selecting any heading of choice;
  - a touch button to switch step by step, counter clockwise.
A search on the internet revealed that professional touch switches are not 
  cheap!
  One lucky day, Mark's eye caught a 4-LED sensor tap lighting in a local Blokker 
  discounter.
  It was switched on and off by
oh yes, a touch switch, and all for a cheapo 
  price of 2,49 euro! (see Figure 5)

  Figure 5 - Article number 17.45.001 from Blokker.
  This lighting module is for portable use in a tent or camping car and is activated 
  by a a touch switch
Would this touch switch be practicable for our project? It appeared the switching 
  circuitry was built around a bistable multivibrator.
  With some programming it should be possible to steer the PIC.
Because the local Blokker discounter had insufficient of these units in stock, Mark went on a touch lamp hunt in all wide-vicinity Blokkers. Successfully!
The printed circuit boards of these units (see Figure 6) were shortened 
  with a small hacksaw and could then be used in the new version of the switching 
  device.
  Nothing much changed from the schematics of Figure 3. The push button 
  switches were replaced by the touch button switches. See Figure 7 for 
  the connections of the touch button switches.
The operation of the PIC program was adjusted. It now constantly monitors if 
  the status of the PIC inputs 'changes' (from low to high and vice versa).
  Within this new version all Mark's latest wishes were incorporated.
A video demo with all options can be seen on Youtube (https://www.youtube.com/watch?v=D9lVU-p3f0I)

  Figure 6 - The printed circuit board from the Blokker sensor tap lighting
 
  
  Figure 7 - The connections of the touch button switch lamp. OUT is connected 
  to the input of the PIC
  Figure 8 - Inside the new touch control switchbox

  Figure 9 - Overview of the different switchboxes.
  On top (middle) of the 1000mp radio is the old rotary switch version (left to 
  that is the homebrew K9AY controlbox).
  Right hand side of the speaker, the two new versions: first the push button 
  version, followed by the touch button switchbox
4. The LA4HIA version
Shortly after publication of a video demo on Youtube, Rune LA4HIA queried if 
  it would be possible to build a similar switching arrangement but tailored to 
  his specific environment.
  Rune uses several beverages that are switched through a RATPAK 8 from Array 
  Solutions.
  The RATPAK uses a command box that is connected to a central switchbox through 
  a 9-conductor cable (of which one conductor, serves as common return) 
  which commands 8 relays to choose one out of 8 beverages.
  By generating 12V DC on one of the strands, the appropriate relay is switched.
A good, cheap alternative had to be found for the Blokker touch switches (Mark 
  plundered all stores, no switches to be found anymore).
  Some tests revealed that a simple circuit with a Darlington transistor (BC517) 
  yielded excellent results.
  These type of devices have a very high gain (minimal DC gain is rated 30,000) 
  and are very sensible to any changes at their input.
  Putting a finger on the touch pads turns the transistor on. When the finger 
  is removed the transistor switches off.
It was necessary to also address the analogue inputs of the PIC because it now needs to steer 8 relays.
The PIC-program also needed some modifications.
Figures 10, 11 and 12 show some pictures of the new LA4HIA switchbox and the schematics of this version.
  Figure 10 - Inside the LA4HIA switchbox 
  Figure 11 - The LA4HIA version ready for use 
  Figure 12 - Schematics of the LA4HIA version 
5. Contest experiences with the new switch unit (by ON4WW)
My first low-band contest experiences go back some 20 years. I listened in 
  while John ON4UN operated his 12 beverage station to win time after time.
  Soon after, John handed me the key and a new lowband addict was born.
  Already in those days I said to John: we should be able to switch the beverages 
  by merely the touch of our fingertip (remembering the 80-ies Acec TV's with 
  touch button channel selection).
  1993, we bought our current home (making sure there were plenty of meadows behind 
  the property) and in the following years I put up beverages myself.
  John made the schematics and I built my first and long lasting beverage switchbox 
  with a rotary switch.
  Now contesting on the low-bands from home, the thought of touch switching the 
  beverages lingered in my mind.
  It wasn't until I noticed one of my guest operators struggling with the rotary 
  switch on my beverage control box, that I picked up the thread and talked to 
  Luc ON5UK about it.
  The end result of which is this article.
It is just fantastic to be able to switch instantaneously from one heading 
  to another. But the icing on the cake comes with the automatic rotating by a 
  full revolution.
  When things on 160m start to get slow during a contest (and that happens quite 
  often), it is pure luxury to just touch a button and the 'dial' takes a spin 
  over all beverages, in between CQ's.
  Previously it was easy to miss a very weak caller, but with this feature it 
  is hard to miss such a station.
  Very handy also is the ability to interrupt this automatic revolution and pick 
  any wanted heading.
  In short, this magical box rocks!
6. The next step
Recently Rag LA6FJA queried me if it would be possible to build a version suitable 
  for steering two Ameritron RCS-4 units.
  That will be the next challenge and project.
7. Hex files
The hex files of the JAL programs are available here:
  - LA4HIA_beverage_switch_version_1_hex_code
  - ON4WW_beverage_switch_version_1.2 
  hex_code
  - ON4WW_beverage_switch_version_2.4_hex_code
73,
  Luc ON5UK